EVT 248 další mikroelektrárna, aneb solární rybičky
Souhrn tématu
Téma popisuje stavbu a provoz malé mikroelektrárny s měničem EVT248 a solárními panely o výkonu 100W, určené pro snížení spotřeby elektřiny a sběr zkušeností. Elektrárna je připojena do jednofázové sítě TNC a slouží zejména k napájení akvárií a dalších nízkospotřebičů. Autor sdílí detaily zapojení, použitý materiál a plánuje další rozšíření systému s ohledem na efektivitu a bezpečnost.
- Ferko
- Příspěvky: 63
- Registrován: pon dub 21, 2014 3:06 pm
- Reputace:5
EVT 248 další mikroelektrárna, aneb solární rybičky
Zdravím, zveřejním jednu z dalších elektrárniček, připojených do 1F sítě TNC-stará dvouvodičová síť. Jde o malou elektrárničku pro "brzdění" elektroměru na 100W hlavně pro radost a sbírání zkušeností. Jde o zapojený měnič EVT248 v kombinaci dvou 50W 12V zapojených do série-tedy 24V 100W Poloha jihozápadní 90°. Tento výkon je zvolen po dlouhé úvaze jako kompromis mezi umístěním panelů, polohou stanoviště, minimální trvalou spotřebou přes den a spotřebou odpoledne.
Zadání bylo jasné. Jelikož u nás běží trvale dvě akvákra+nejaký standby spotřebiče, napadlo mě zneuctít z chaty měnič, kde měl využití minimální, zlepšit (ne)ekonomiku provozu, získat trochu zkušeností a trochu přibrzdit elektroměr. I využít vhodné stanoviště vůči naší spotřebě. Sestavit něco z běžných elektrikářských komponent, běžně k dostání v elektru. Tedy i pro někoho zběhlého jen v silnoproudařině, bez nějakého extra Arduino-bastlení. Prostě jednoduchá, funkční věc. A k akvárku doplnit do staré elektroinstalace chránič, jen trochu inteligentněji než koupí hotového modulu do zásuvky.
Měnič je sice původně vhodný pro panely 300W, ale to mi přišlo moc-na to nemám tak vysokou trvalou spotřebu. Tak jsem chvíli pátral po panelech. Problém č 1. Nenašel jsem slabé 24V panely. No musel jsem zvolit kombinaci 2x12V při 50W. Nějak jsem nepřemýšlel nad typem vzal jsem nějaký ty poly-něco s diodami uvnitř. Trochu jsem se teda bál, jestlli to bude spolu fungovat, ale našel jsem si manuál od něniče a graf s výkonem. Ten byl něco kolem 5-10W min. ,tak to mě trochu uklidnilo, že zapojení bude funkční. V železářství jsem vzal nejaký ty ocelový pozink. úhelníky, spojovací materiál, u profily z hliníku. Udělal bytelnou, lehkou konstrukci na zavěšení na zábradlí. Zapoji,usadil atd..No zatím to vichry přežívá bez ztráty kytičky.
Pro rozvodnici jsem zvolil plastovou na stěnu a mělo by to s přivřením oka i trochu plnit ČSN normy. Na materiál a schéma se jukněte do přílohy. Zapojení je snadné, nic složitýho-zatím, ale je tam místa dost.
Elektrárna se uvádí do chodu hlavním vypínačem 0-1. Je odjišten jističem přívod ze sítě i elektrárny sama. Zapojení do sítě proběhne zástrčkou 230V. Elektrárna si po zapnutí vypínače sama cca 3min "očichává" síť-to je dáno konstrukcí zvoleného měniče. Je-li výkon nad min. citlivostí proudového relé rozsvítí se i zelená kontrolka pod vypínačem cca 100mA-23W. Vyrobený výkon se zaznamená na 1F elektroměr. A zásuvka akvárka je chráněna pod chráničem 30mA. Přebytečný výkon pak teče vnitřními rozvody ke druhému akvárku a do ostatních spotřebičů.
Zatím to má v test. režimu naběháno něco ke 4 měsícům, bez asi pár hodin odstávky nonstop, tedy je to ověřené schéma. Elektrárna mi teď nabíhá něco kolem 14h odpol za jasné-polojasné oblohy. Přes zimu konec výroby tak 15h. Elektrárnu jsem připojil někdy na konci létá, tak zatím nemám kompletně zmapovaný celý rok. Ale na konci srpna dávala tak 75-80W kolem 15h a vyráběla až někam do 19h. Jsem zvědavý na jaro a začátek léta. Nebojte, vyzkoušel jsem i za jasného dne kouknout v prázném bytě, se zapojenou trvalou spotřebou na elektroměr-tvářil se ješte pořád jako měření spotřeby.
Plány do budoucna vyzkoušet pro klid duše spínací hodiny (v komb. s již osazeným proud. relé) a se stykačem pro spínání případných popoledních spiček do autonabíječky 12v olověné aku. A po srpnu, až budu mít počet kwh za rok, připojit i již osazené 12V malé panýlky, co mi teď nabíjí baterku. To vyzkoušet prohnat přes zvyšující DC-DC měnič z GMka za cca 80kč do 24V větve a při troše štěstí zajistit i výrobu kolem 11-12h se sníženým výkonem.
Zhodnocení, né finančně se to nemá šancí při naší spotřebě a výrobě asi nikdy nezaplatí, ale ten pocit výroby a nových zkušeností, je opravdu super. Zatím to má od konce srpna do konce roku vyrobeno 7,61kWh. Do srpna bych mě udělat tak odhadem dalších +14kWh? Pak jsem zvedavý o kolik mi případně zvýší výrobu přidání těch zbylých 12V panýlků. Podotýkám, zatím je to vyzkoušeno jen síti TNC-tedy bez chrániče. Pro TNS síť s chráničem to schéma zatím až se naskytne chvilka, musím nakreslit!! Do sítě s chráničem NEZAPOJOVAT!! Musím se u dvouchráničů proti sobě zamyslet jak tam fungují ty proudove smyčky, ať nedojde omylem k vyřazení jednoho znich. A do toho se mi fakt zatím nechce, ale určitě postupně doplním. To samé i s těmi hodinami. A pro případné "kopírovače" zdůraznuji, máme trvalou spotřebu ve dvou akvárkách s topítky a osvětlením+nějaký ty vyplý TV apod. Chápeme se s tou legalitou,že?
Materiál:
DIN 1F jistič 6A char.B (2x)
DIN 1F proudový chránič 30mA PF6-25/2/003 (1x)
DIN 1F elektroměr podružný DDS-1Y-18L (1x)
DIN 1F proudové relé 1A PRI-51/1A (1x)
prosvětlovací hlavice ZB5 AK1233 (1x)
spínací jednotka ZB5 AZ101 (1x)
objímka ZBV-M3 230V zelená (1x)
N 7 modrý rozbočovací můstek DIN 63A (1x)
6455-11 P/S CZ krabice acidur 16 plast.šedá (1x)
ETI ECH-24PT rozvodnice na omítku 24 modulů IP65 (1x)
Záslepka na jističe (2x)
vývodky do rozvodnice PG13,5
ABB Classic Zásuvka jednoduchá
Krabice lištová LK80x20R/1 pro řady Classic nebo Swing ABB 81x81x19mm
měnič EVT248
prodlužovací šňůra CYSY 3C*2,5 délka dle požadavků 3-5m
CYKY 3C*2,5 na vydrátování rozvaděče 2m?
Zadání bylo jasné. Jelikož u nás běží trvale dvě akvákra+nejaký standby spotřebiče, napadlo mě zneuctít z chaty měnič, kde měl využití minimální, zlepšit (ne)ekonomiku provozu, získat trochu zkušeností a trochu přibrzdit elektroměr. I využít vhodné stanoviště vůči naší spotřebě. Sestavit něco z běžných elektrikářských komponent, běžně k dostání v elektru. Tedy i pro někoho zběhlého jen v silnoproudařině, bez nějakého extra Arduino-bastlení. Prostě jednoduchá, funkční věc. A k akvárku doplnit do staré elektroinstalace chránič, jen trochu inteligentněji než koupí hotového modulu do zásuvky.
Měnič je sice původně vhodný pro panely 300W, ale to mi přišlo moc-na to nemám tak vysokou trvalou spotřebu. Tak jsem chvíli pátral po panelech. Problém č 1. Nenašel jsem slabé 24V panely. No musel jsem zvolit kombinaci 2x12V při 50W. Nějak jsem nepřemýšlel nad typem vzal jsem nějaký ty poly-něco s diodami uvnitř. Trochu jsem se teda bál, jestlli to bude spolu fungovat, ale našel jsem si manuál od něniče a graf s výkonem. Ten byl něco kolem 5-10W min. ,tak to mě trochu uklidnilo, že zapojení bude funkční. V železářství jsem vzal nejaký ty ocelový pozink. úhelníky, spojovací materiál, u profily z hliníku. Udělal bytelnou, lehkou konstrukci na zavěšení na zábradlí. Zapoji,usadil atd..No zatím to vichry přežívá bez ztráty kytičky.
Pro rozvodnici jsem zvolil plastovou na stěnu a mělo by to s přivřením oka i trochu plnit ČSN normy. Na materiál a schéma se jukněte do přílohy. Zapojení je snadné, nic složitýho-zatím, ale je tam místa dost.
Zatím to má v test. režimu naběháno něco ke 4 měsícům, bez asi pár hodin odstávky nonstop, tedy je to ověřené schéma. Elektrárna mi teď nabíhá něco kolem 14h odpol za jasné-polojasné oblohy. Přes zimu konec výroby tak 15h. Elektrárnu jsem připojil někdy na konci létá, tak zatím nemám kompletně zmapovaný celý rok. Ale na konci srpna dávala tak 75-80W kolem 15h a vyráběla až někam do 19h. Jsem zvědavý na jaro a začátek léta. Nebojte, vyzkoušel jsem i za jasného dne kouknout v prázném bytě, se zapojenou trvalou spotřebou na elektroměr-tvářil se ješte pořád jako měření spotřeby.
Plány do budoucna vyzkoušet pro klid duše spínací hodiny (v komb. s již osazeným proud. relé) a se stykačem pro spínání případných popoledních spiček do autonabíječky 12v olověné aku. A po srpnu, až budu mít počet kwh za rok, připojit i již osazené 12V malé panýlky, co mi teď nabíjí baterku. To vyzkoušet prohnat přes zvyšující DC-DC měnič z GMka za cca 80kč do 24V větve a při troše štěstí zajistit i výrobu kolem 11-12h se sníženým výkonem.
Zhodnocení, né finančně se to nemá šancí při naší spotřebě a výrobě asi nikdy nezaplatí, ale ten pocit výroby a nových zkušeností, je opravdu super. Zatím to má od konce srpna do konce roku vyrobeno 7,61kWh. Do srpna bych mě udělat tak odhadem dalších +14kWh? Pak jsem zvedavý o kolik mi případně zvýší výrobu přidání těch zbylých 12V panýlků. Podotýkám, zatím je to vyzkoušeno jen síti TNC-tedy bez chrániče. Pro TNS síť s chráničem to schéma zatím až se naskytne chvilka, musím nakreslit!! Do sítě s chráničem NEZAPOJOVAT!! Musím se u dvouchráničů proti sobě zamyslet jak tam fungují ty proudove smyčky, ať nedojde omylem k vyřazení jednoho znich. A do toho se mi fakt zatím nechce, ale určitě postupně doplním. To samé i s těmi hodinami. A pro případné "kopírovače" zdůraznuji, máme trvalou spotřebu ve dvou akvárkách s topítky a osvětlením+nějaký ty vyplý TV apod. Chápeme se s tou legalitou,že?
Materiál:
DIN 1F jistič 6A char.B (2x)
DIN 1F proudový chránič 30mA PF6-25/2/003 (1x)
DIN 1F elektroměr podružný DDS-1Y-18L (1x)
DIN 1F proudové relé 1A PRI-51/1A (1x)
prosvětlovací hlavice ZB5 AK1233 (1x)
spínací jednotka ZB5 AZ101 (1x)
objímka ZBV-M3 230V zelená (1x)
N 7 modrý rozbočovací můstek DIN 63A (1x)
6455-11 P/S CZ krabice acidur 16 plast.šedá (1x)
ETI ECH-24PT rozvodnice na omítku 24 modulů IP65 (1x)
Záslepka na jističe (2x)
vývodky do rozvodnice PG13,5
ABB Classic Zásuvka jednoduchá
Krabice lištová LK80x20R/1 pro řady Classic nebo Swing ABB 81x81x19mm
měnič EVT248
prodlužovací šňůra CYSY 3C*2,5 délka dle požadavků 3-5m
CYKY 3C*2,5 na vydrátování rozvaděče 2m?
- Ferko
- Příspěvky: 63
- Registrován: pon dub 21, 2014 3:06 pm
- Reputace:5
Re: EVT 248 další mikroelektrárna, aneb solární rybičky
Zdravím, dlouho jsem tu nepsal zkušenosti s měničem EVT. Bohužel už mi před časem odešel do křemíkového nebe. Bez zkratu, jen se odmítal dál přifázovat. Tiše umřel po několika desítkách kWh. Indikuje činnost, ale nevyrábí. Dostat se do něj skrz nějakou gumu bylo dílo, ale není tam stejně moc vidět.
No nic, celý jsem to překopal. Původně mi tu fungovaly dva napěťové systémy 12V na malou baterku a 24V do měniče a rovnou do domovní sítě. Přepojil jsem panely na 12V. Ty mi vzhledem ke kolmému umístění na J-JZ dávají stabilně při jasném dni ráno tak do 12H cca 1,5A. Mezi 12-14H 2,5A a po 14H naběhne na plný výkon 5,5A. Doplnil jsem do rozvaděče 50Ah LIFepo4 a koupil 12V Axperta 800W-to mi bohatě stačí. Ale potřebuji malou radu. Než se pustím do zapojení rozvaděče na toho Axpetra, zkoumám co to vlastně umí a vymýšlím co a jak zapojit. Ale v CZ manuálu se nemůžu dočíst k čemu tam slouží ty svorky NC-C-NO, ta Česká část manuálu stojí opravdu za hov.... Propísknutím multimetrem a podle popisu je to celkem jasně výstup z kontaktů relé-přepínací kontakty. (Je tam nějaký relé hf jzc-32f tak by to podle popisu asi i mělo umět 230V.) Našel jsem si na ostrovních elektrárnach anglickou verzi a tam se píše o 250V/3A-teda OK. Ale moc se nevyznám v tom kdy to spíná? Chápu správně, že se dá zvolit sepnutí relátka buď při napájení ze sítě, nebo z baterie? Hodilo by se mi to případně na kontrolku230V/stykač na 230V, uvidím co si vymyslím? Díky za rady.
No nic, celý jsem to překopal. Původně mi tu fungovaly dva napěťové systémy 12V na malou baterku a 24V do měniče a rovnou do domovní sítě. Přepojil jsem panely na 12V. Ty mi vzhledem ke kolmému umístění na J-JZ dávají stabilně při jasném dni ráno tak do 12H cca 1,5A. Mezi 12-14H 2,5A a po 14H naběhne na plný výkon 5,5A. Doplnil jsem do rozvaděče 50Ah LIFepo4 a koupil 12V Axperta 800W-to mi bohatě stačí. Ale potřebuji malou radu. Než se pustím do zapojení rozvaděče na toho Axpetra, zkoumám co to vlastně umí a vymýšlím co a jak zapojit. Ale v CZ manuálu se nemůžu dočíst k čemu tam slouží ty svorky NC-C-NO, ta Česká část manuálu stojí opravdu za hov.... Propísknutím multimetrem a podle popisu je to celkem jasně výstup z kontaktů relé-přepínací kontakty. (Je tam nějaký relé hf jzc-32f tak by to podle popisu asi i mělo umět 230V.) Našel jsem si na ostrovních elektrárnach anglickou verzi a tam se píše o 250V/3A-teda OK. Ale moc se nevyznám v tom kdy to spíná? Chápu správně, že se dá zvolit sepnutí relátka buď při napájení ze sítě, nebo z baterie? Hodilo by se mi to případně na kontrolku230V/stykač na 230V, uvidím co si vymyslím? Díky za rady.
- Ferko
- Příspěvky: 63
- Registrován: pon dub 21, 2014 3:06 pm
- Reputace:5
Re: EVT 248 další mikroelektrárna, aneb solární rybičky
Zdravím, přidám menší update v zapojení mojí balkónové mikro-elektrárny pro akvárium. Jelikož mi původní měnič odešel, musel jsem pořešit nějak náhradu. Na Hadexu měli malou slevu na 12V/800W měnič, tak padla volba něj. Konkrétně model PS1K-1250. Tím mi odpadl jeden problém s 12V a 24V okruhy. Prostě jsem všechny panely zapojil paralelně přes diody , mám tam ve dvou směrech kolmo až 160W J-JZ a výhledově ještě jedno malé místečko pro malý 20W panýlek. Někde do léta ho tam přihodím. Baterkám jsem se dlouho bránil, ale původní měnič mi část výkonu od rána do oběda zahazoval-nabíhal mrcha až po obědě, udělal jsem si teda radost čtyřmi čĺanky 50Ah LiFePo4 na 12V systém. Odporový balancery jsem zrecykloval z předchozích Lionek 50AH-k těm musím ještě vymyslet využití. To napětí co udržovaly 3,65V na článek bylo pro Lionky málo a plně nabitý blok Lionek mi zase nesedí k těm novým baterkám. A vůbec chtěl jsem k měniči funglovky, tak jsem si vzal ty LiFepo4. Zároveň mi zapojením do 12V okruhů vzrostl nabíjecí proud lehce za 6A a mohl jsem i zachovat původní 12V autozářivku, co mi tu funguje při výpadku, jako nouzové osvětlení. Když k tomu přihodím i vlastně možnost zálohování akvárka a jednoho okruhu zásuvky při výpadku, tak si tu cenu do měniče a baterek dovedu zdůvodnit. Je hezké, když je všude tma a jen v jednom okně se svítí. 
Původní 12v rozvaděč jsem moc upravovat nemusel. Jen dostal nožovku k baterce, jiný baterky a propájet oka na svorky. Na din liště už byly jističe ke světlu a ampémetr pro nabíjecí proud. Po stranách jsou balancery. Ale ještě ho musím trochu učesat, tak vnitřek ještě raději nefotím.
Původní rozvaděč na 230V jsem totálně překopal. Využil jsem naštěstí původní díly z předchozího zapojení, jen jsem musel vzít ještě jeden elektroměr a po šuplíkách se mi válely dvě kontrolky a otočný vypínač, tak jsem je zužitkoval-zelená 230V a na 12V červená-škoda je nevyužít. Elektroměrem na vstupu měřím vstupní kWh do měniče a zase výstup z měniče měřím druhým elektroměrem. Prvním elektroměrem měřím veškerou spotřebu co mi nateče do měniče společně se spotřebou jednoho proudového relé. Prostě to co jde dovnitř. A na výstupu z měniče měřím zase všechno to co propálím v zásuvkách i se spotřebou kontrolek a druhého relé. Rozvaděč přepíná pomocí nastavených proudových relé dvě kontrolky na panelu. Zeleně prosvětlený vypínač funguje jako spínač měniče-vyvedl jsem si původní vypínač do rozvaděče a kontrolka pod vypínačem mi zhruba indikuje spotřebu FVE/Baterie. Druhá zelená kontrolka zase indikuje příkon ze sítě. Relátka jsou s měř. rozsahem na 1A, ty jsou dost citlivé a podle výrobce lze skrz ně prohánět trvale až 4A-tedy pro odporovou zátěž je to cca 920W a zásuvku výstupu jistí 4A jistič.
Co jsem zatím vypozoroval, tak v režimu priorita solar, se měnič snaží co nejdéle asi dokud je něco na panelech jet z panelů. Zřejmě k večeru i trochu vybíjí baterky a po západu mi měnič přepne na bypass. Jestli se při tom sepne i na chvíli nabíječka netuším, ale toho rázového zvýšení příkonu já večer využívám k překlopení kontrolky z jedné na druhou a zase ráno se snížením odběru přepnu zpět. Pro nastavení Relé 1 jsem počkal do večera až měnič přepne na bypass, hned jsem pak odpojil spotřebiče v zelené zásuvce a tento proud pak nastavil na vstupní relé 1. Ale nemělo by to být míň než cca 500mA, kde má měnič trvale nějakou svojí spotřebu a překlápění kontrolek by nechodilo. Večer při přepnutí na bypass a s odpojenými spotřebiči, jsem naměřil něco pod 700mA. Tak jsem na relé 1 nastavil něco lehce nad 600mA-(cca 625-650mA.blbě se to tam odhaduje). A zatím co k tomu příjdu, tak to to chodí a přepíná kontrolky. Večer mi až do sepnutí bypass relé svítí kontrolka baterie/fve a zase ráno se s vypnutím bypass relé přepne z kontrolky nabíjení/síť přepne zpět. Relé 2 je nastaveno na nejnižší citlivost jaká jde nastavit a vysunutím spotřebičů ze zelené zásuvky zhasne i relé pro fve/baterie. (Nejnižší citlivost tohoto relé je kolem 100mA). Je to sice jen taková machrovinka, ale chtěl jsem to tam mít. Zároveň se řídím podle skutečně změřeného proudu síť-měnič-zásuvka a sleduju přímo činný výkon naměřený elektroměry.
Červená kontrolka je pak napájena přes vypínač z baterie a je prohnána přes spínací kontakty relátka v měniči NO-C. Toto relé se má podle manuálu sepnout při podpětí baterie, ale tam jsem se ještě nedostal, tak to prakticky nemám ověřeno, ale věřím návodu. Pak by se při úplném vybití AKU měla rozsvítit červená kontrolka, kterou lze pak vypnout vypínačem. Na ty kontakty NO-C-NC (zelená svorkovnice) by mělo jít připojit až 250V/3A podle manuálu.
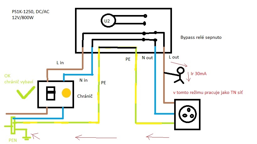
Na schématu je zapojena i červená zásuvka, ta je trvale pod napětím ze sítě doplněná chráničem. Ta zelená pak vlastně funguje ve dvou režimech. Na bypass přebírá vlastností běžné uzemněné sítě TN s chráničem a na měnič by měla pracovat v režimu izolované sítě IT. Tak jako pracují třeba ty přenosné elektrocentrály. Tímto bych chtěl poděkovat panu Ing. M. Kolaříkovi z ostrovních elektráren. Tomu jsem posílal dotaz ohledně ne/propojování výstupní „nuly“ se vstupní nulou a zemí. Ten mi to důrazně nedoporučoval, prý by to snad obcházelo nějakou regulaci v měniči. Tak jsem poslechl rady chytřejší osoby, než jsem já a nechal měnič běžet v IT síti-to je vlastně taky ochrana (obr. 1 a 2). A spoléhám i trochu na měnič samotný, že výrobce ví co dělá a měnič by měl mít v sobě jistě i případnou ochranu při poruše izolačního stavu a připojením vadného spotřebiče. Z výstupní nuly je tak vlastně za chodu měniče druhá fáze.
Ještě doplním, že zapojení je stále do staré dvouvodičové sítě. Nezapojovat do třívodičové! Je na PEN liště propojena N s PE vodičem. A ty se už po rozdělení nikdy nesmí spojovat! Došlo by tak vyřazení stávajících chráničů v instalaci. Kdo by měl potřebu zapojit do zásuvky, která je již chráničem osazena, bylo by nutné udělat malou změnu v zapojení. Tu modrou vstupní nulu, co je teď připojena na zelenožlutou svorkovnici, by musel přepojit na modrý můstek N a chránič co je nakreslen na schématu vyhodit-byl by pak zbytečný, když už by před ním byl vřazený jiný chránič v zásuvce.
Původní 12v rozvaděč jsem moc upravovat nemusel. Jen dostal nožovku k baterce, jiný baterky a propájet oka na svorky. Na din liště už byly jističe ke světlu a ampémetr pro nabíjecí proud. Po stranách jsou balancery. Ale ještě ho musím trochu učesat, tak vnitřek ještě raději nefotím.
Původní rozvaděč na 230V jsem totálně překopal. Využil jsem naštěstí původní díly z předchozího zapojení, jen jsem musel vzít ještě jeden elektroměr a po šuplíkách se mi válely dvě kontrolky a otočný vypínač, tak jsem je zužitkoval-zelená 230V a na 12V červená-škoda je nevyužít. Elektroměrem na vstupu měřím vstupní kWh do měniče a zase výstup z měniče měřím druhým elektroměrem. Prvním elektroměrem měřím veškerou spotřebu co mi nateče do měniče společně se spotřebou jednoho proudového relé. Prostě to co jde dovnitř. A na výstupu z měniče měřím zase všechno to co propálím v zásuvkách i se spotřebou kontrolek a druhého relé. Rozvaděč přepíná pomocí nastavených proudových relé dvě kontrolky na panelu. Zeleně prosvětlený vypínač funguje jako spínač měniče-vyvedl jsem si původní vypínač do rozvaděče a kontrolka pod vypínačem mi zhruba indikuje spotřebu FVE/Baterie. Druhá zelená kontrolka zase indikuje příkon ze sítě. Relátka jsou s měř. rozsahem na 1A, ty jsou dost citlivé a podle výrobce lze skrz ně prohánět trvale až 4A-tedy pro odporovou zátěž je to cca 920W a zásuvku výstupu jistí 4A jistič.
Co jsem zatím vypozoroval, tak v režimu priorita solar, se měnič snaží co nejdéle asi dokud je něco na panelech jet z panelů. Zřejmě k večeru i trochu vybíjí baterky a po západu mi měnič přepne na bypass. Jestli se při tom sepne i na chvíli nabíječka netuším, ale toho rázového zvýšení příkonu já večer využívám k překlopení kontrolky z jedné na druhou a zase ráno se snížením odběru přepnu zpět. Pro nastavení Relé 1 jsem počkal do večera až měnič přepne na bypass, hned jsem pak odpojil spotřebiče v zelené zásuvce a tento proud pak nastavil na vstupní relé 1. Ale nemělo by to být míň než cca 500mA, kde má měnič trvale nějakou svojí spotřebu a překlápění kontrolek by nechodilo. Večer při přepnutí na bypass a s odpojenými spotřebiči, jsem naměřil něco pod 700mA. Tak jsem na relé 1 nastavil něco lehce nad 600mA-(cca 625-650mA.blbě se to tam odhaduje). A zatím co k tomu příjdu, tak to to chodí a přepíná kontrolky. Večer mi až do sepnutí bypass relé svítí kontrolka baterie/fve a zase ráno se s vypnutím bypass relé přepne z kontrolky nabíjení/síť přepne zpět. Relé 2 je nastaveno na nejnižší citlivost jaká jde nastavit a vysunutím spotřebičů ze zelené zásuvky zhasne i relé pro fve/baterie. (Nejnižší citlivost tohoto relé je kolem 100mA). Je to sice jen taková machrovinka, ale chtěl jsem to tam mít. Zároveň se řídím podle skutečně změřeného proudu síť-měnič-zásuvka a sleduju přímo činný výkon naměřený elektroměry.
Červená kontrolka je pak napájena přes vypínač z baterie a je prohnána přes spínací kontakty relátka v měniči NO-C. Toto relé se má podle manuálu sepnout při podpětí baterie, ale tam jsem se ještě nedostal, tak to prakticky nemám ověřeno, ale věřím návodu. Pak by se při úplném vybití AKU měla rozsvítit červená kontrolka, kterou lze pak vypnout vypínačem. Na ty kontakty NO-C-NC (zelená svorkovnice) by mělo jít připojit až 250V/3A podle manuálu.
Na schématu je zapojena i červená zásuvka, ta je trvale pod napětím ze sítě doplněná chráničem. Ta zelená pak vlastně funguje ve dvou režimech. Na bypass přebírá vlastností běžné uzemněné sítě TN s chráničem a na měnič by měla pracovat v režimu izolované sítě IT. Tak jako pracují třeba ty přenosné elektrocentrály. Tímto bych chtěl poděkovat panu Ing. M. Kolaříkovi z ostrovních elektráren. Tomu jsem posílal dotaz ohledně ne/propojování výstupní „nuly“ se vstupní nulou a zemí. Ten mi to důrazně nedoporučoval, prý by to snad obcházelo nějakou regulaci v měniči. Tak jsem poslechl rady chytřejší osoby, než jsem já a nechal měnič běžet v IT síti-to je vlastně taky ochrana (obr. 1 a 2). A spoléhám i trochu na měnič samotný, že výrobce ví co dělá a měnič by měl mít v sobě jistě i případnou ochranu při poruše izolačního stavu a připojením vadného spotřebiče. Z výstupní nuly je tak vlastně za chodu měniče druhá fáze.
Ještě doplním, že zapojení je stále do staré dvouvodičové sítě. Nezapojovat do třívodičové! Je na PEN liště propojena N s PE vodičem. A ty se už po rozdělení nikdy nesmí spojovat! Došlo by tak vyřazení stávajících chráničů v instalaci. Kdo by měl potřebu zapojit do zásuvky, která je již chráničem osazena, bylo by nutné udělat malou změnu v zapojení. Tu modrou vstupní nulu, co je teď připojena na zelenožlutou svorkovnici, by musel přepojit na modrý můstek N a chránič co je nakreslen na schématu vyhodit-byl by pak zbytečný, když už by před ním byl vřazený jiný chránič v zásuvce.
Kdo je online
Uživatelé procházející toto fórum: Claudebot [Bot]
