Baterie RCT nebo POLYTECH
Souhrn tématu
Diskuze se zaměřuje na rozdíly mezi bateriemi RCT a Polytech (Pylontech) v kontextu fotovoltaických systémů. Hlavní rozdíl je v nabíjení – RCT nabízí třífázové nabíjení a asymetrický provoz, zatímco Polytech je jednofázový, ale s lepším poměrem cena/výkon a bezvýpadkovým přechodem do záložního režimu. Výběr závisí na preferencích uživatele, dostupnosti servisu a plánovaném využití záložního napájení.
-
hofycz
- Příspěvky: 10
- Registrován: stř pro 04, 2019 12:40 pm
- Reputace: 0
Baterie RCT nebo POLYTECH
Ahoj,
prosim o radu. mam dve nabidky na baterie k FTV a zarazilo mne to, ze baterie RCT jsou pry 3f. nabijene i vybijene a baterie POLYTECH jsou jen 1 f. nabijene a vybijene.
Stridac budu mit asynchronni 3. f, tak nevim, oco jde v tom pripade baterii.
Dekuji
Hofner
prosim o radu. mam dve nabidky na baterie k FTV a zarazilo mne to, ze baterie RCT jsou pry 3f. nabijene i vybijene a baterie POLYTECH jsou jen 1 f. nabijene a vybijene.
Stridac budu mit asynchronni 3. f, tak nevim, oco jde v tom pripade baterii.
Dekuji
Hofner
- diablo007
- Příspěvky: 3186
- Registrován: stř lis 28, 2018 7:57 pm
- Reputace: 239
- Bydliště: Vyškov
Re: Baterie RCT nebo POLYTECH
Baterie je baterie takže mi přijde divné tvrzení že jedny se nabíjí tak či onak. To jak je nabíjená baterie určují jiné komponenty než vlastní baterie
-
kvako1
- Příspěvky: 613
- Registrován: ned lis 11, 2018 5:18 pm
- Reputace: 122
Re: Baterie RCT nebo POLYTECH
Asi by bylo dobre sem napsat přesně co v te nabidce je. nebo alespoň dat odkaz na tu danou baterii.
takhle to vubec nedava smysl.
takhle to vubec nedava smysl.
https://forum.mypower.cz/viewtopic.php?t ... &start=300
FVE 17kWp na trackeru, 3xpip5048 3faz, baterie li ion 1160Ah cca 60kWh
FVE 17kWp na trackeru, 3xpip5048 3faz, baterie li ion 1160Ah cca 60kWh
- zajo
- Příspěvky: 146
- Registrován: úte kvě 30, 2017 9:29 am
- Reputace: 7
Re: Baterie RCT nebo POLYTECH
I Pylontech dělá vysokonapěťové škalovatelné baterie https://www.solidpower.cz/pylontech-vys ... erie-c176/hofycz píše:Ahoj,
prosim o radu. mam dve nabidky na baterie k FTV a zarazilo mne to, ze baterie RCT jsou pry 3f. nabijene i vybijene a baterie POLYTECH jsou jen 1 f. nabijene a vybijene.
Stridac budu mit asynchronni 3. f, tak nevim, oco jde v tom pripade baterii.
Dekuji
Hofner
Panely: 4,665kWp (9poly*275 Wp Winaico)-jih; (6mono*365Wp Sunergy)-východ; Měnič: GoodWe GW3648D-ES; Baterky: LiFePO4 24,0kW 500Ah (10*PylonTech US2000B - 2,4kWh)
- diablo007
- Příspěvky: 3186
- Registrován: stř lis 28, 2018 7:57 pm
- Reputace: 239
- Bydliště: Vyškov
Re: Baterie RCT nebo POLYTECH
Otázka zněla jestli se dají nabíjet baterie i 1f ne 3f jak mu uvádí v nabídce a baterie snad nabíjí nabíječ ne baterie tak mi rozdělení baterií pro 1f a 3f přijde jako nesmysl
-
hofycz
- Příspěvky: 10
- Registrován: stř pro 04, 2019 12:40 pm
- Reputace: 0
Re: Baterie RCT nebo POLYTECH
Dekuji za odpoved, me to take nejak neleze do hlavy a nechapu to.diablo007 píše:Otázka zněla jestli se dají nabíjet baterie i 1f ne 3f jak mu uvádí v nabídce a baterie snad nabíjí nabíječ ne baterie tak mi rozdělení baterií pro 1f a 3f přijde jako nesmysl
- diablo007
- Příspěvky: 3186
- Registrován: stř lis 28, 2018 7:57 pm
- Reputace: 239
- Bydliště: Vyškov
Re: Baterie RCT nebo POLYTECH
Každopádně by bylo dobré ukázat tu nabídku a my když to půjde můžeme konkrétně reagovat na dané položky takto zatím jen tipujemehofycz píše:Dekuji za odpoved, me to take nejak neleze do hlavy a nechapu to.diablo007 píše:Otázka zněla jestli se dají nabíjet baterie i 1f ne 3f jak mu uvádí v nabídce a baterie snad nabíjí nabíječ ne baterie tak mi rozdělení baterií pro 1f a 3f přijde jako nesmysl
-
hofycz
- Příspěvky: 10
- Registrován: stř pro 04, 2019 12:40 pm
- Reputace: 0
Re: Baterie RCT nebo POLYTECH
Jeste jsme si ve svem koumani nasel baterie Pylontech Phantom S - 2,4kW, ktere maji o proti tem "zakladnim" o 2000 nabijecich cyklu vice. CO si o tom myslite? Cena je cca 28 vs 33 tisic za modul.
-
hofycz
- Příspěvky: 10
- Registrován: stř pro 04, 2019 12:40 pm
- Reputace: 0
Re: Baterie RCT nebo POLYTECH
Varianta RCT Storage 6.0 DC s 16 panely EXE SOLAR á 380Wp (6,08kWp) + 5 bateriemi á 1,9kW (akce prosinec - 1 bat. zdarma) – celkem 9,5kWh. Varianta je kalkulována bez tzv. „back-up“ systému, tzn. – baterie jsou nastaveny pouze na tzv. „cyklaci“, kdy nemají funkci záložního zdroje. (tato funkce je aktivována přidání RCT Power Switch – „Back-Up“ rozvaděč – cca 30.000,-Kč navíc…kvako1 píše:Asi by bylo dobre sem napsat přesně co v te nabidce je. nebo alespoň dat odkaz na tu danou baterii.
takhle to vubec nedava smysl.
Technologické parametry:
Dokonale sladěný systém, který je od prvopočátku vyvíjen jako komplet – „asymetrie“
Extrémně nízká vlastní spotřeba – při plném výkonu max. do 40W, ve režimu „STBY“ cca jen asi 4W
Dokonale vyřešeno pasivní chlazení – eliminace případných poruch díky neexistenci rotačních prvků
Kapacita baterií u této varianty 9,5kW
Baterie nabíjeny i vybíjeny 3f a též „asymetricky“, garantovaná živostnost min. 15 let (5000 nabíjecích cyklů)
Pokud je realizován „Back-Up“ – má systém režim, kdy při výpadku energie z distribuce umožňuje energii z baterií směřovat do jedné fáze (6kW)…
Vynikající design systému
Určité nevýhody:
limit výkonu na 1f cca 9,1A (cca 2,1kW)
Při realizovaném „Back-Up“ systému – delší náběh záložního zdroje při výpadku distribuce (cca 10-20 s.)
„Back-up“ není v základní ceně systému
--------------------------------------------------------------NEBO------------------------------------------------
Varianta se střídačem GW8K-ET s 20 panely EXE SOLAR á 380Wp (7,6kW) + 4 vysokonapěťové baterie Pylontech H4805 á 2,4kWh (9,6kW). Baterie v „Racku“.
Technologické parametry:
Výhodou – vyšší výkon střídače i systému než varianta výše
Tzv. „Back-Up“ (baterie jako záložní zdroj) – v ceně varianty včetně bateriového „racku“
Vyšší výkon na fázi – cca 13,5A (cca 3,105kW)
Náběh „bekapu“ při výpadku distribuce - téměř okamžitě
Nevýhody:
Vlastní spotřeba systému mezi 80-100W
Baterie nižší životnost – cca 4000 nabíjecích cyklů
Baterie jsou 1f – napojené na každou z fází
Střídač i baterie – design viz. nabídka
- diablo007
- Příspěvky: 3186
- Registrován: stř lis 28, 2018 7:57 pm
- Reputace: 239
- Bydliště: Vyškov
Re: Baterie RCT nebo POLYTECH
Teď ještě ze zvědavosti jaká je tam cenová relace
- youda
- Příspěvky: 3153
- Registrován: stř dub 27, 2016 12:12 am
- Reputace: 961
Re: Baterie RCT nebo POLYTECH
Ahoj Hofycz,
u toho 1f či 3f nabíjení baterií nepůjde o vlastnost baterie jako takové, ale vlastnost celého systému měnič+baterka. V obou případech jsou HV baterky zapojeny v sérii a do měniče vede pouze jeden plus a jeden mínus. Mezi baterkami samotnými tedy rozdíl prakticky není. Podle textu nabídky mi přijde, jako by se dodavatel snažil naznačit, že měnič RCT umí baterky nabíjet ze sítě pomocí všech třech fází, zatímco GoodWe ET že snad ze sítě nabíjí jen z jedné fáze. Každopádně text nabídky je v tomto opravdu zmatečný a doporučuji u dodavatele požádat o vysvětlení, co tím myslel.
I kdyby snad GoodWe nabíjel jen z jedné fáze (čemuž sám nevěřím), tak by mi to bylo úplně jedno, protože já primárně chci nabíjet z panelů a síťovou nabíječku využívat jen mimořádně.
Oba střídače z nabídky, RCT i GoodWe používají HV baterie a oba také umí asymetrickou výrobu, což je dobře. U střídače RCT evidentně dává smysl kombinovat jej právě s bateriemi RCT. Je možné, že tento střídač buď komunikovat s Pylontechy neumí, nebo tato kombinace není tak častá a proto ji firma raději ani nenabízí, byť by to třeba zprovoznit šlo. Smysl to dává a určitě bych dodavatele nenutil do něčeho, co nemá otestované. V případě měniče GoodWe se ví, že tento s Pylontechy chodí a je to také jedna z nejprodávanějších kombinací. Výhodou je, že baterie Pylontech mají trošku lepší cenu za kWh než Baterie RTC.
Osobně bych se střídače RTC nebál:
1) Oproti GW by opravdu měl mít menší spotřebu.
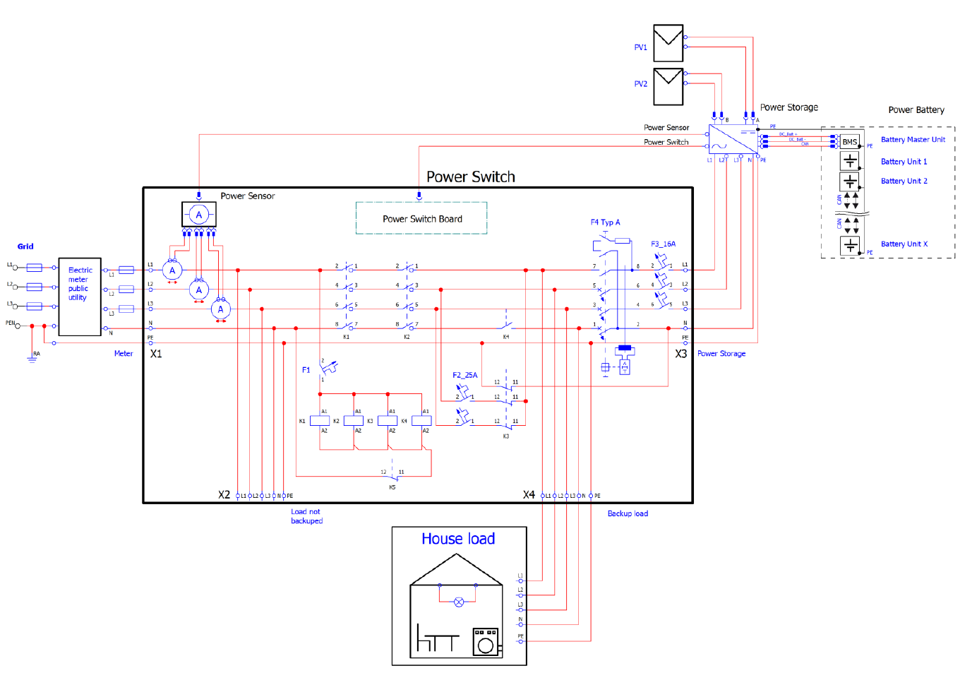
2) Navíc umí při výpadku DS spojit svoje tři výstupní fáze do jedné a poskytovat tak výkon 1x6kW. To je v backup režimu mnohem lepší, než 3x2kW. Propojení všech okruhů v domě a jejich napájení 1x6kW pak zajišťuje právě ten nabízený rozvaděč "RCT Power Switch".
3) RCT je jeden z mála hybridních měničů, které umí paralelní provoz.
Pozor na toto:
u toho 1f či 3f nabíjení baterií nepůjde o vlastnost baterie jako takové, ale vlastnost celého systému měnič+baterka. V obou případech jsou HV baterky zapojeny v sérii a do měniče vede pouze jeden plus a jeden mínus. Mezi baterkami samotnými tedy rozdíl prakticky není. Podle textu nabídky mi přijde, jako by se dodavatel snažil naznačit, že měnič RCT umí baterky nabíjet ze sítě pomocí všech třech fází, zatímco GoodWe ET že snad ze sítě nabíjí jen z jedné fáze. Každopádně text nabídky je v tomto opravdu zmatečný a doporučuji u dodavatele požádat o vysvětlení, co tím myslel.
I kdyby snad GoodWe nabíjel jen z jedné fáze (čemuž sám nevěřím), tak by mi to bylo úplně jedno, protože já primárně chci nabíjet z panelů a síťovou nabíječku využívat jen mimořádně.
Oba střídače z nabídky, RCT i GoodWe používají HV baterie a oba také umí asymetrickou výrobu, což je dobře. U střídače RCT evidentně dává smysl kombinovat jej právě s bateriemi RCT. Je možné, že tento střídač buď komunikovat s Pylontechy neumí, nebo tato kombinace není tak častá a proto ji firma raději ani nenabízí, byť by to třeba zprovoznit šlo. Smysl to dává a určitě bych dodavatele nenutil do něčeho, co nemá otestované. V případě měniče GoodWe se ví, že tento s Pylontechy chodí a je to také jedna z nejprodávanějších kombinací. Výhodou je, že baterie Pylontech mají trošku lepší cenu za kWh než Baterie RTC.
Osobně bych se střídače RTC nebál:
1) Oproti GW by opravdu měl mít menší spotřebu.
2) Navíc umí při výpadku DS spojit svoje tři výstupní fáze do jedné a poskytovat tak výkon 1x6kW. To je v backup režimu mnohem lepší, než 3x2kW. Propojení všech okruhů v domě a jejich napájení 1x6kW pak zajišťuje právě ten nabízený rozvaděč "RCT Power Switch".
3) RCT je jeden z mála hybridních měničů, které umí paralelní provoz.
Pozor na toto:
- Nevýhodou řešení RCT budou pravděpodobně vyšší pořizovací náklady (cena/výkon).
- Také pozdější dokupování baterie se prodraží a servisní práce bude schopen zajistit jen menší okruh instalačních firem v CZ.
- Pro někoho může být show-stopper i fakt, že RTC neumí provést bezvýpadkový přechod do backup režimu v případě blackoutu DS.
Youdova ostrovní laboratoř 20kWp: https://youda.mypower.cz
Kdo je online
Uživatelé prohlížející si toto fórum: Claudebot [Bot], PetrDubi a 0 hostů
