Oprava regulátoru větrníku WWS-30-48-L01
- tomas
- Příspěvky: 2578
- Registrován: pon bře 07, 2011 11:05 am
- Reputace: 243
- Bydliště: Třinec
Oprava regulátoru větrníku WWS-30-48-L01
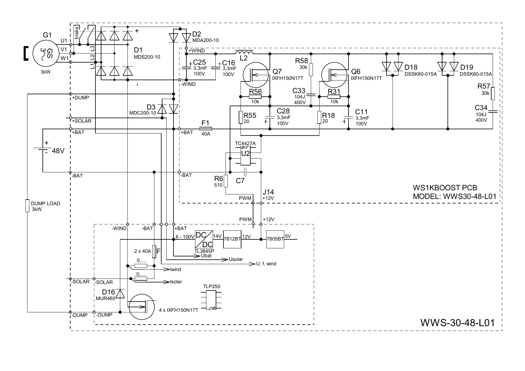
V regulátoru WWS-30-48-L01 https://forum.mypower.cz/download/file. ... &mode=view
jsem už 4 krát měnil MOSFETy Q6 a Q7. Někdy se prorazili oba dva někdy jen jeden, naposledy Q7 i s odporem R56. Když se Q6 nebo Q7 prorazí, tak se větrník tímto zkratem zabrzdí a už se neroztočí. Q6 a Q7 proráží napěťové špičky, jsou pouze na Uds max = 170V a gatech nejsou ani ochranné zenerky
.
Celý regulátor řídí jeden mikroprocesor zakápnutý nějakým černým lepidlem tak aby se nedalo přečíst jeho označení.
Stabilizaci výstupního napětí řeší tento procesor.
Potřeboval bych do toho zvyšujících měniče doplnit rychlou regulační zpětnou vazbu napětí která zablokuje budící impulzy do Q6 a Q7 pokud napětí překročí cca 60V. Můžu vyměnit ten budič U2 třeba ze jiný obvod nebo tam něco doplnit. Nebo tam dát TL494 a ten nějak řídit stávajícím signálem z procesoru: http://www.kutil.borec.cz/zvys_menic/zv_menic.html ? Napadá vás prosím něco jak to vyřešit a vylepšit?
Je také zvláštní že regulátor měří napětí solárního vstupu když je od napětí akumulátoru oddělen pouze dvojitou diodou D3 a je tedy stejné jako napětí akumulátoru + úbytek napětí na D3. Ale solární vstup nepoužívám tak je mi to jedno.
jsem už 4 krát měnil MOSFETy Q6 a Q7. Někdy se prorazili oba dva někdy jen jeden, naposledy Q7 i s odporem R56. Když se Q6 nebo Q7 prorazí, tak se větrník tímto zkratem zabrzdí a už se neroztočí. Q6 a Q7 proráží napěťové špičky, jsou pouze na Uds max = 170V a gatech nejsou ani ochranné zenerky

Celý regulátor řídí jeden mikroprocesor zakápnutý nějakým černým lepidlem tak aby se nedalo přečíst jeho označení.

Potřeboval bych do toho zvyšujících měniče doplnit rychlou regulační zpětnou vazbu napětí která zablokuje budící impulzy do Q6 a Q7 pokud napětí překročí cca 60V. Můžu vyměnit ten budič U2 třeba ze jiný obvod nebo tam něco doplnit. Nebo tam dát TL494 a ten nějak řídit stávajícím signálem z procesoru: http://www.kutil.borec.cz/zvys_menic/zv_menic.html ? Napadá vás prosím něco jak to vyřešit a vylepšit?
Je také zvláštní že regulátor měří napětí solárního vstupu když je od napětí akumulátoru oddělen pouze dvojitou diodou D3 a je tedy stejné jako napětí akumulátoru + úbytek napětí na D3. Ale solární vstup nepoužívám tak je mi to jedno.
Chci elektrárnu s licencí a s prodejem přebytků nebo komunitní výměnou energie: ANO
-
- Příspěvky: 8011
- Registrován: sob črc 19, 2014 8:56 pm
- Reputace: 1008
- Lokalita: severně od Brna
- Systémové napětí: 48V
- Výkon panelů [Wp]: 8kWp
- Kapacita baterie [kWh]: 12kWh
- Chci prodávat energii: NE
- Chci/Mám dotaci: NE
Re: Oprava regulátoru větrníku WWS-30-48-L01
Na zablokování buzení stačí na vstupu TC4427 zapojit spínací tranzistor, který ho uzemní a bude to bez impulsů do tranzistorů, no a komparátor snad dokážeš samostatně. Možná by to chtělo vybrat třeba tranzistory s vyšším napětím Uds.
20 ohm do gate mi přijde hodně, ale spíš než zenerku bych to viděl na diodu pro rychlejší zavření fetu. Moc se mi taky nezdají hodnoty R58 C33, R57, C34, to by mělo sesbírat Du/dt na diodách a tranzistorech, ale s těmito hodnotami nevím nevím. Asi by víc napovědělo omrknout průběhy napětí na fetech na osciloskopu.
20 ohm do gate mi přijde hodně, ale spíš než zenerku bych to viděl na diodu pro rychlejší zavření fetu. Moc se mi taky nezdají hodnoty R58 C33, R57, C34, to by mělo sesbírat Du/dt na diodách a tranzistorech, ale s těmito hodnotami nevím nevím. Asi by víc napovědělo omrknout průběhy napětí na fetech na osciloskopu.
ostrov skoro 8kWp neustále ve stádiu zrodu: smartshunt(ex WBJR), MPPT150/45, MPPT 250/100(ex midnitesolar 150 clasic lite), 16S a různě P cca 340Ah Winston, MP II 5000,( ex Powerjack 8kW, ex samodomo cca 4kW). 48V DC rozvody a spotřebiče.
- tomas
- Příspěvky: 2578
- Registrován: pon bře 07, 2011 11:05 am
- Reputace: 243
- Bydliště: Třinec
Re: Oprava regulátoru větrníku WWS-30-48-L01
Tak jsem do regulátoru přisypal trochu víc křemíku. Větrník i regulátor přežil nedávnou vichřici, nebyl jsem u toho
ale vyprávěli mi, že z toho šel strach na kilometr daleko jak se to točilo
Tak snad už to bude funkční.
Původní:
https://forum.mypower.cz/download/file.p ... &mode=view
Upravený: Usměrňovač MDS 200-10 zůstal zapojen na původním místě a diody MDA 200-10 a MDC 200-10 přemístěny.
Přidáno:
- usměrňovač VUO190-12N07 pro brzdný odpor
- usměrňovač VUO190-16NO7 ( VUO190-12N07 už nebyl skladem) pro DC/DC měnič
- tyristor MCO150-12io1 pro brzdu
Svorkovnice (čokoláda) vyměněna (ty Čínské svorky se skoro všechny při dotahování roztrhly) a přidány dvě svorky navíc. Jedna svorka je zatím neobsazená a druhá je pro externí ovládání brzdy - tyristoru.
Touto úpravou jsem se zbavil úbytku napětí a ztrátě energie na diodách D1, D2 a D3 v MDA 200-10 a MDC 200-10. Každá část regulátoru (hlavní nabíječ, DC/DC měnič a brzda) má teď vlastní usměrňovač.
Objednal jsem jen ty hlavní výkonové polovodiče, ovládání brzdy (tyristoru) je zbastleno ze součástek co šuplík dal a ještě tam musím udělat nějaké úpravy.
Měděné pásky 16mm2 na propojích usměrňovačů a diod jsem použil ze zbytků hřebenů na propojení jističů.


Původní:
https://forum.mypower.cz/download/file.p ... &mode=view
Upravený: Usměrňovač MDS 200-10 zůstal zapojen na původním místě a diody MDA 200-10 a MDC 200-10 přemístěny.
Přidáno:
- usměrňovač VUO190-12N07 pro brzdný odpor
- usměrňovač VUO190-16NO7 ( VUO190-12N07 už nebyl skladem) pro DC/DC měnič
- tyristor MCO150-12io1 pro brzdu
Svorkovnice (čokoláda) vyměněna (ty Čínské svorky se skoro všechny při dotahování roztrhly) a přidány dvě svorky navíc. Jedna svorka je zatím neobsazená a druhá je pro externí ovládání brzdy - tyristoru.
Touto úpravou jsem se zbavil úbytku napětí a ztrátě energie na diodách D1, D2 a D3 v MDA 200-10 a MDC 200-10. Každá část regulátoru (hlavní nabíječ, DC/DC měnič a brzda) má teď vlastní usměrňovač.
Objednal jsem jen ty hlavní výkonové polovodiče, ovládání brzdy (tyristoru) je zbastleno ze součástek co šuplík dal a ještě tam musím udělat nějaké úpravy.
Měděné pásky 16mm2 na propojích usměrňovačů a diod jsem použil ze zbytků hřebenů na propojení jističů.
Chci elektrárnu s licencí a s prodejem přebytků nebo komunitní výměnou energie: ANO
- tomas
- Příspěvky: 2578
- Registrován: pon bře 07, 2011 11:05 am
- Reputace: 243
- Bydliště: Třinec
Re: Oprava regulátoru větrníku WWS-30-48-L01
DC/DC měnič
Dva stále prorážející se FETy IXFH150N17T nahrazeny jedním IXFK230N20T. Posíleny hlavní proudové cesty a doplněny ochranné zenerky, transily a kondenzátor pro silnější budící pulzy. Překvapilo mne že je teď měnič i daleko tišší, ten původní bzučel jak rekuperující měnič v tramvaji při brzdění. Více z obrázků:
Dva stále prorážející se FETy IXFH150N17T nahrazeny jedním IXFK230N20T. Posíleny hlavní proudové cesty a doplněny ochranné zenerky, transily a kondenzátor pro silnější budící pulzy. Překvapilo mne že je teď měnič i daleko tišší, ten původní bzučel jak rekuperující měnič v tramvaji při brzdění. Více z obrázků:
Chci elektrárnu s licencí a s prodejem přebytků nebo komunitní výměnou energie: ANO
- tomas
- Příspěvky: 2578
- Registrován: pon bře 07, 2011 11:05 am
- Reputace: 243
- Bydliště: Třinec
Re: Oprava regulátoru větrníku WWS-30-48-L01
Hlavní deska obohacena o 4 ochranné zenerky 1N5353b v gatech IXFH150N17T které regulují brzdný výkon a jedna 1N5353b pro MOSFET napájecího zdroje. Jeden transil 5K590CA pro ochranu IXFH150N17T. A jeden transil IN6277A do série s odporem pro stálé zatížení napájecího zdroje. Teď odpor zbytečně nezatěžuje zdroj pokud na něm nenakmitá více jak 15V.
Chci elektrárnu s licencí a s prodejem přebytků nebo komunitní výměnou energie: ANO
- tomas
- Příspěvky: 2578
- Registrován: pon bře 07, 2011 11:05 am
- Reputace: 243
- Bydliště: Třinec
Re: Oprava regulátoru větrníku WWS-30-48-L01
Větrník a regulátor je teď provozován tak že startuje do "tmy" tedy bez napětí z akumulátoru.
Pojistka 63A a jistič s vyrážecí cívkou mezi regulátorem větrníku je přemostěna diodou UFB250FA60. Takže v případě vypnutí nebo přepálení pojistky přebytečná energie v cívce DC/DC měniče odteče do akumulátoru bez naindukování nebezpečné napěťové špičky. Takto jsou zapojeny i regulátory FVE. Dále pomocný kontakt jističe s vyrážecí cívkou dá impulz tyristoru a ten větrník přes brzdný odpor zabrzdí. Jde o tuto elektrárnu: https://forum.mypower.cz/viewtopic.php? ... =40#p28965
V současné době je regulátor větrníku provozován bez pojistkové vložky 63A a nabíjí akumulátor pouze přes diodu UFB250FA60. Je tam sice malá ztráta výkonu, ale regulátor tak trvale neodebírá energii z akumulátoru. Napájecí zdroj regulátoru startuje už při cca 13V a větrník si tak sám vyrobí energii pro chod regulátoru, umí tedy start do tmy. Po startu regulátoru začne DC/DC měnič zvyšovat napětí na "napětí akumulátoru" a nabíjet ho. V procesoru regulátoru je zřejmě nějaký algoritmus který zabrání přetížení větrníku DC/DC měničem a jeho zastavení (obdoba MPPT) a bere mu jen takový výkon aby se mohl dále roztáčet pokud rychlost větru roste. A pokud rychlost větru a otáčky větrníku a tedy i výstupní napětí překročí napětí akumulátoru tak se DC/DC měnič již nabíjení neúčastní a nabíjecí proud teče pouze přes usměrňovač MDS 200-10.
Pojistka 63A a jistič s vyrážecí cívkou mezi regulátorem větrníku je přemostěna diodou UFB250FA60. Takže v případě vypnutí nebo přepálení pojistky přebytečná energie v cívce DC/DC měniče odteče do akumulátoru bez naindukování nebezpečné napěťové špičky. Takto jsou zapojeny i regulátory FVE. Dále pomocný kontakt jističe s vyrážecí cívkou dá impulz tyristoru a ten větrník přes brzdný odpor zabrzdí. Jde o tuto elektrárnu: https://forum.mypower.cz/viewtopic.php? ... =40#p28965
V současné době je regulátor větrníku provozován bez pojistkové vložky 63A a nabíjí akumulátor pouze přes diodu UFB250FA60. Je tam sice malá ztráta výkonu, ale regulátor tak trvale neodebírá energii z akumulátoru. Napájecí zdroj regulátoru startuje už při cca 13V a větrník si tak sám vyrobí energii pro chod regulátoru, umí tedy start do tmy. Po startu regulátoru začne DC/DC měnič zvyšovat napětí na "napětí akumulátoru" a nabíjet ho. V procesoru regulátoru je zřejmě nějaký algoritmus který zabrání přetížení větrníku DC/DC měničem a jeho zastavení (obdoba MPPT) a bere mu jen takový výkon aby se mohl dále roztáčet pokud rychlost větru roste. A pokud rychlost větru a otáčky větrníku a tedy i výstupní napětí překročí napětí akumulátoru tak se DC/DC měnič již nabíjení neúčastní a nabíjecí proud teče pouze přes usměrňovač MDS 200-10.
Chci elektrárnu s licencí a s prodejem přebytků nebo komunitní výměnou energie: ANO
- abrams
- Příspěvky: 2774
- Registrován: ned črc 17, 2011 12:19 pm
- Reputace: 427
- Lokalita: Brno
- Bydliště: Brno
Re: Oprava regulátoru větrníku WWS-30-48-L01
Zdravím ,
sice tomu všemu úplně nerozumím , je třeba smeknout klobouk před Tomášovou šikovností
. Jen tak dál
.
Elektronům zdar
sice tomu všemu úplně nerozumím , je třeba smeknout klobouk před Tomášovou šikovností


Elektronům zdar

3,96kWp monokrystalů + 2x regl PCM60X + 24kWh LiFePO4 + 6kW HF sínus měnič 48MWh+ , celé na 52V systému .
Chibi v textu vyhrazeny
Chibi v textu vyhrazeny

-
- Příspěvky: 1589
- Registrován: pát bře 15, 2013 7:53 pm
- Reputace: 73
Re: Oprava regulátoru větrníku WWS-30-48-L01
Hmotnost přidaných součástek už převýšila původní hmotnost zařízení 
Přijde mi to podobné, jako PowerJacky Grid Tie. Než to přestalo bouchat, tak jsem vyměnil a přepojil asi tak půlku koncového stupně a přidal asi 20 součástek. Některé číňany by bylo potřeba nakopat do zadku, aby to začli navrhovat pořádně...

Přijde mi to podobné, jako PowerJacky Grid Tie. Než to přestalo bouchat, tak jsem vyměnil a přepojil asi tak půlku koncového stupně a přidal asi 20 součástek. Některé číňany by bylo potřeba nakopat do zadku, aby to začli navrhovat pořádně...

- tomas
- Příspěvky: 2578
- Registrován: pon bře 07, 2011 11:05 am
- Reputace: 243
- Bydliště: Třinec
Re: Oprava regulátoru větrníku WWS-30-48-L01
Větrník jsem byl zkontrolovat 23.6.2017 a je stále funkční, vyráběl zrovna ve špičkách až kolem 300W a regulátor při tomto výkonu nevydával žádný zvuk, takže i účinnost s jedním tranzistorem IXFK230N20T se mi jeví vyšší než původní dva IXFH150N17T které bzučeli jak tramvaj už při 20W. Zřejmě ani nespínali/nevypínali úplně stejně. U většího výkonu jsem tam zatím nebyl, ale bylo tu od 30.12.2016 už několik bouřek a větrných extrémů a všechny to přežilo, majitel si v zimě také nestěžoval že by mu došla energie, tak to považuji za opravné.
Chci elektrárnu s licencí a s prodejem přebytků nebo komunitní výměnou energie: ANO
Kdo je online
Uživatelé prohlížející si toto fórum: Claudebot [Bot] a 0 hostů