Youdova ostrovní laboratoř
Souhrn tématu
Youdova ostrovní laboratoř je soukromé výzkumné zařízení zaměřené na solární energii bez připojení k síti. Laboratoř využívá 36 polykrystalických panelů, hybridní měniče InfiniSolar a bateriový box 48V 200Ah pro zálohování energie. Systém je doplněn o UPS, generátor a pokročilý monitoring přes domácí automatizaci, což umožňuje efektivní správu a sledování spotřeby i výroby energie v reálném čase.
- youda
- Příspěvky: 3153
- Registrován: stř dub 27, 2016 12:12 am
- Reputace: 961
Re: Youdova ostrovní laboratoř
To je mi divny, ze by k tomu MAXu vyrobce nemel specsheet, kdyz US2000 se prodava uz nekolik let. Leda ze by v US2000 bylo neco jineho a CPU to vse maskoval za standardnim komunikacnim protokolem.
Nemate nekdo koule na to rozebrat jednu svoji US2000 a porovnat jak vypada ten pajsl z blizka?
Nemate nekdo koule na to rozebrat jednu svoji US2000 a porovnat jak vypada ten pajsl z blizka?
Youdova ostrovní laboratoř 20kWp: https://youda.mypower.cz
- NOPARasito
- Příspěvky: 2600
- Registrován: čtv črc 19, 2018 12:14 am
- Reputace: 192
- Bydliště: Vidiek, Trhanova Lhota
Re: Youdova ostrovní laboratoř
Ja bych koule mel, ale nemam US2000 
-
DanoP
- Příspěvky: 948
- Registrován: stř črc 06, 2016 12:27 pm
- Reputace: 216
- Bydliště: Trnava, Slovensko
Re: Youdova ostrovní laboratoř
Na moj vkus, ked pozeram kolko je tam suciastok sa mi to zda prilis zlozite. Fakt je divne ze k tomu MAXu nie je nikde nic.
1,77kWp monokryštál + Fangpusun MPPT 150/45, 1,6kWp +Victron MPPT 250/60, 2xStuder XTM4048 + 25kWh LiFePO4, vlastny monitoring na https://www.mms-softec.sk/pip/
-
willcz
- Příspěvky: 590
- Registrován: úte zář 06, 2016 2:52 pm
- Reputace: 106
Re: Youdova ostrovní laboratoř
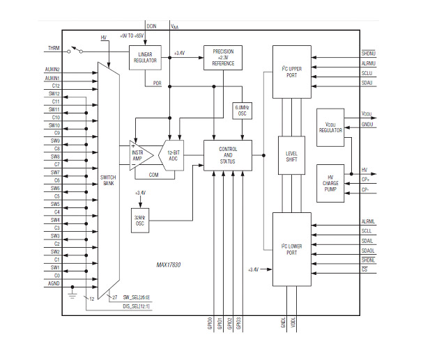
Tady je kousek z DS co jsem našel.
plus krátká citace z čínského webu:
"MAX17830 vyrábí společnost Maxim Semiconductor Corporation ve Spojených státech a zahrnuje 12 kanálů pro detekci napětí, 12 pinů pro ovládání vyváženého obvodu a 2 teplotní senzory NTC. V tomto systému řízení napájení baterií se používá osm kanálů pro detekci napětí, osm ovládacích kolíků s vyváženým obvodem a dva snímače teploty NTC. MAX17830 shromažďuje napětí osmi jednotlivých buněk a komunikuje s CPU pomocí komunikačního protokolu IIC a posílá shromážděná data do CPU pro řízení CPU"
tady je pak ta balancovací část. kupodivu hodně podobná fotce z pylonu. sranda je že sedí i hodnoty odporů kolem toho spínání balancování, jen v pylonu je 51R a tady je 47R
"MAX17830 vyrábí společnost Maxim Semiconductor Corporation ve Spojených státech a zahrnuje 12 kanálů pro detekci napětí, 12 pinů pro ovládání vyváženého obvodu a 2 teplotní senzory NTC. V tomto systému řízení napájení baterií se používá osm kanálů pro detekci napětí, osm ovládacích kolíků s vyváženým obvodem a dva snímače teploty NTC. MAX17830 shromažďuje napětí osmi jednotlivých buněk a komunikuje s CPU pomocí komunikačního protokolu IIC a posílá shromážděná data do CPU pro řízení CPU"
tady je pak ta balancovací část. kupodivu hodně podobná fotce z pylonu. sranda je že sedí i hodnoty odporů kolem toho spínání balancování, jen v pylonu je 51R a tady je 47R
- youda
- Příspěvky: 3153
- Registrován: stř dub 27, 2016 12:12 am
- Reputace: 961
Re: Youdova ostrovní laboratoř
Jestli tedy počítám správně tak 3.6V / 51R = 0.07A Takže to balancuje proudem jen cca 70mA?
Ve srovnání s aftermarket balancery, které bývají v základu do 1A, je 70mA opravdu strašně málo. Pokud to výrobce takto chrlí už několik let, tak si musí být jistý, že to v praxi bude stačit a kombinace pidi-balancerů a FETů baterku ochrání.
Wille, je u toho MAX17830 popsáno, jaké umí algoritmy?
Říkám si, jestli prostě ta cesta, kdy se při stavbě vlastních packů honíme za 10A balancery a musíme na ně pak montovat výkonové odpory, chladiče a větráky, není třeba slepá ulička...
Ve srovnání s aftermarket balancery, které bývají v základu do 1A, je 70mA opravdu strašně málo. Pokud to výrobce takto chrlí už několik let, tak si musí být jistý, že to v praxi bude stačit a kombinace pidi-balancerů a FETů baterku ochrání.
Wille, je u toho MAX17830 popsáno, jaké umí algoritmy?
Říkám si, jestli prostě ta cesta, kdy se při stavbě vlastních packů honíme za 10A balancery a musíme na ně pak montovat výkonové odpory, chladiče a větráky, není třeba slepá ulička...
Youdova ostrovní laboratoř 20kWp: https://youda.mypower.cz
-
willcz
- Příspěvky: 590
- Registrován: úte zář 06, 2016 2:52 pm
- Reputace: 106
Re: Youdova ostrovní laboratoř
blbě jsem to napsal, nemám komplet DS. Jen ty dva obrázky a kousek textu.
řekl bych že 70mA balancování není problém v okamžiku kdy je aktivní komunikace.
dalo by se napsat třeba do AVnet, prodávají nějaký eval kit, tzn k tomu by měl být pořádný manuál
řekl bych že 70mA balancování není problém v okamžiku kdy je aktivní komunikace.
dalo by se napsat třeba do AVnet, prodávají nějaký eval kit, tzn k tomu by měl být pořádný manuál
- Nautilus
- Příspěvky: 200
- Registrován: úte zář 17, 2019 1:37 pm
- Reputace: 53
- Lokalita: JV od Brna
Re: Youdova ostrovní laboratoř
Moje představa o inteligentním balancování malým proudem je taková, že si změřím napětí na všech článcích plně nabité baterie a článek který je už "nad" balancuji (rozuměj - vybíjím) až do dalšího plného nabití celé baterie a následného měření. Pochopitelně, že je třeba zohlednit rozdíl napětí a dobu balancování patřičně přizpůsobit. Pokud se tento algoritmus dokáže poučit z předchozích výsledků, dokáže články vybalancovat i velmi malým proudem. Samozřejmostí musí být neustálé hlídání napětí každého článku a odpovídajcí reakce systému, jestliže se některý článek dostává "mimo".youda píše:Jestli tedy počítám správně tak 3.6V / 51R = 0.07A Takže to balancuje proudem jen cca 70mA?.....Říkám si, jestli prostě ta cesta, kdy se při stavbě vlastních packů honíme za 10A balancery a musíme na ně pak montovat výkonové odpory, chladiče a větráky, není třeba slepá ulička...
Balancování při všech stupních nabití a všech provozních stavech (baterie se nabíjí, vybíjí) nepovažuji u Life za správné. Potom běžně dochází k situaci, že článek s nižší kapacitou ja na konci nabíjení balancérem vybíjen 10A a při vybíjení baterie je do něj zpátky rván proud 10A, protože jeho napětí klesá rychleji, než ostatním.
Další problémy vznikají pokud není měření všech článků provedeno v jednom okamžiku. Ideálně na baterii, která je v relativním "klidu", t.j. nenabíjí se ani nevybíjí v okamžiku měření "větším" proudem. Chyba takového měření pak vede k neustálému dohánění milivoltů, které ve skutečnosti vůbec neexistují.
- rottenkiwi
- Příspěvky: 5451
- Registrován: pát úno 13, 2015 2:24 pm
- Reputace: 287
- Lokalita: SO, SK
- Bydliště: SO, SK
Re: Youdova ostrovní laboratoř
Ja to robím tak, že len detegujem napatie a nič pol roka nerobím.
Potom pripojím https://www.ebay.com/itm/5A-DC-DC-Const ... SwkW5dsVgg
a doplním energiu z 8S do 2S najslabších článkov, usporiadaných tak,
aby sa dal použiť neizolovaný DC DC inverter.
Aj tak treba raz za pol roka články popremiestňovať, lebo každá
prepojka má iný odpor, iný odpor má aj jej kontakt s current collectorom
a vyčnievajúcim studom. / + - kontaktom /
Ak sa to neurobí, tak sa odstraňuje Li z okolia current collectorov
v mieste prepojky na konektor, lebo tam je iná teplota, lebo Al
current collectory sa viac hrejú ako Cu.
Tým máme možnosť predĺžiť životnosť aj na 15 -20 r.,
tažko to však urobí výrobca v Pylontechu.
Potom pripojím https://www.ebay.com/itm/5A-DC-DC-Const ... SwkW5dsVgg
a doplním energiu z 8S do 2S najslabších článkov, usporiadaných tak,
aby sa dal použiť neizolovaný DC DC inverter.
Aj tak treba raz za pol roka články popremiestňovať, lebo každá
prepojka má iný odpor, iný odpor má aj jej kontakt s current collectorom
a vyčnievajúcim studom. / + - kontaktom /
Ak sa to neurobí, tak sa odstraňuje Li z okolia current collectorov
v mieste prepojky na konektor, lebo tam je iná teplota, lebo Al
current collectory sa viac hrejú ako Cu.
Tým máme možnosť predĺžiť životnosť aj na 15 -20 r.,
tažko to však urobí výrobca v Pylontechu.
-
DanoP
- Příspěvky: 948
- Registrován: stř črc 06, 2016 12:27 pm
- Reputace: 216
- Bydliště: Trnava, Slovensko
Re: Youdova ostrovní laboratoř
Ak je moznost obmedzit nabijaci prud a clanky su +- rovnake nie je to problem. Momentalne som sa dostal k clankom A123 (nastupcom) a 16 ks co som meral mali napatie zhodne na +- 2mv, vnutorny odpor zhodny - neviem zmerat odchylky. Ak z toho clovek posklada pack, tak naozaj nie je co balancovat.youda píše:Říkám si, jestli prostě ta cesta, kdy se při stavbě vlastních packů honíme za 10A balancery a musíme na ně pak montovat výkonové odpory, chladiče a větráky, není třeba slepá ulička...
Na druhej strane mam 100Ah baterky a ktore maju rozny vnutorny odpor rozdiel aj 100% zapojene 16S2P, a aj ked som sa snazil poskladat zhodne dvojice (kapacita, vnutorny odpor) tak vidim rozdiely napati pri nabijani/vybijani vacsim prudom aj ked bez odberu maju zhodne napatie. Toto sa uz musi balancovat brutalnejsou silou.
1,77kWp monokryštál + Fangpusun MPPT 150/45, 1,6kWp +Victron MPPT 250/60, 2xStuder XTM4048 + 25kWh LiFePO4, vlastny monitoring na https://www.mms-softec.sk/pip/
- mypower.cz
- R.I.P.
- Příspěvky: 4895
- Registrován: pát bře 04, 2011 11:36 am
- Reputace: 522
Re: Pitva Pylontech US3000
Takove luxusni reportazni tema a uz ted zapadle mezi 68 stranama jinych prispevku. To je imho vylozene skoda, neb tu luxusni praci, kterou si s tim youda dal velmi brzy takto nikdo nedohleda a prijde tak v nivec. Velka skoda.youda píše:Vážení kolegové,
tak jsem se dnes rozhodl, že rozpitvám jednu cihlu US3000 a podívám se na její vnitřnosti.
...
doc. Youda, patolog
-
dumi
- Příspěvky: 2035
- Registrován: stř zář 05, 2018 8:38 pm
- Reputace: 157
Re: Youdova ostrovní laboratoř
to presun do samostatneho vlakna a je to 
Dumiho ostruvek: 4,7kWp, 13,3kWh, 2400W inverter
- youda
- Příspěvky: 3153
- Registrován: stř dub 27, 2016 12:12 am
- Reputace: 961
Re: Pitva Pylontech US3000
Ano Admine, to máš pravdu.
Na druhou stranu, díky diskusi se naše konzilium společně dobralo toho, že ta úvodní pitevní zpráva byla úplně špatně: Tedy, že orgán BQ779xx není vůbec přítomen a měřící žláza BQ34Z100 je tak ve své činnosti osamocena. Respektive, je zasazena do nepřátelského prostředí. A také, že zdánlivý MAX17880 je ve skutečnosti MAX17830. A odporník 47R byl nahrazen odporníkem 51R, tudíž balanční proud US3000 je cca 70mA per cell.
Na toto všechno bych já sám nikdy nepřišel, jelikož s dvanácti dioptriema a foťákem umaštěným od tlačenky mi to pitvání prostě vůbec nejde. Teď by to tedy asi chtělo, aby někdo sepsal "Pitevní zprávu verze 2". Teprve ta by pak dávala smysl umístit do nějaké pěkné, slunné vitrínky
Na druhou stranu, díky diskusi se naše konzilium společně dobralo toho, že ta úvodní pitevní zpráva byla úplně špatně: Tedy, že orgán BQ779xx není vůbec přítomen a měřící žláza BQ34Z100 je tak ve své činnosti osamocena. Respektive, je zasazena do nepřátelského prostředí. A také, že zdánlivý MAX17880 je ve skutečnosti MAX17830. A odporník 47R byl nahrazen odporníkem 51R, tudíž balanční proud US3000 je cca 70mA per cell.
Na toto všechno bych já sám nikdy nepřišel, jelikož s dvanácti dioptriema a foťákem umaštěným od tlačenky mi to pitvání prostě vůbec nejde. Teď by to tedy asi chtělo, aby někdo sepsal "Pitevní zprávu verze 2". Teprve ta by pak dávala smysl umístit do nějaké pěkné, slunné vitrínky
Youdova ostrovní laboratoř 20kWp: https://youda.mypower.cz
- redcrown
- Příspěvky: 1138
- Registrován: pát říj 12, 2012 8:15 pm
- Reputace: 75
- Bydliště: Severní Čechy
Re: Youdova ostrovní laboratoř
Pánové, vy jste ale labužníci....
V provozu: ostrov 20kWp s dobíjením z DS, 6x XTM4000-48, 4xVT80, 80kWh LFP + Batrium
- youda
- Příspěvky: 3153
- Registrován: stř dub 27, 2016 12:12 am
- Reputace: 961
Re: Youdova ostrovní laboratoř
Vážení kolegové akademici,
prosím vás, jak se jmenuje takový ten systém paralelního spojování článků, kdy plus přivedu na jednu stranu bateriového packu a mínus přivedu na druhou stranu, do diagonálně protilehlého rohu? Tedy aby bylo pokud možno zajištěno rovnoměrné nabíjení / vybíjení všech článků a neovlivňoval jen odpor propojovacích vodičů a přechodový odpor terminálů.
Někdy před lety jsem pod tím nákresem zapojení viděl pojmenování po nějakém mysliteli, ale vůbec si nemůžu vzpomenout po kterém. Určitě to nebyl Volta, Galvani ani Faraday...
Díky za nakopnutí!
Youda
prosím vás, jak se jmenuje takový ten systém paralelního spojování článků, kdy plus přivedu na jednu stranu bateriového packu a mínus přivedu na druhou stranu, do diagonálně protilehlého rohu? Tedy aby bylo pokud možno zajištěno rovnoměrné nabíjení / vybíjení všech článků a neovlivňoval jen odpor propojovacích vodičů a přechodový odpor terminálů.
Někdy před lety jsem pod tím nákresem zapojení viděl pojmenování po nějakém mysliteli, ale vůbec si nemůžu vzpomenout po kterém. Určitě to nebyl Volta, Galvani ani Faraday...
Díky za nakopnutí!
Youda
Youdova ostrovní laboratoř 20kWp: https://youda.mypower.cz
- vlkazajac
- R.I.P.
- Příspěvky: 3478
- Registrován: úte čer 11, 2013 10:40 pm
- Reputace: 528
Re: Youdova ostrovní laboratoř
Pozorny citatel to vie.
kodl69.
kodl69.
750 Wp, LS3024B, 18650 - 198P8S 30,4 V, Multiplus C 800 nonstop / všetky slabé spotrebiče
1950 Wp, 2 x LS3024B, VS2024N, olovo - 330 Ah / 24 V, Carspa 3000 sin deň / silné spotrebiče a ohrev TUV
5995 kWh za meničmi za posledné 2 roky.
1950 Wp, 2 x LS3024B, VS2024N, olovo - 330 Ah / 24 V, Carspa 3000 sin deň / silné spotrebiče a ohrev TUV
5995 kWh za meničmi za posledné 2 roky.
- youda
- Příspěvky: 3153
- Registrován: stř dub 27, 2016 12:12 am
- Reputace: 961
Re: Youdova ostrovní laboratoř
Já si fakt nemůžu vzpomenout a ani se mi nedaří zvolit správné klíčové slovo, aby mi to onoho myslitele vyhledalo. Vždycky najdu jen ty obrázky zapojení, které samozřejmě znám.
Tuším, že ve jménu toho pána bylo Z, E, nebo Y, ale možná je to jen můj přelud.
Tuším, že ve jménu toho pána bylo Z, E, nebo Y, ale možná je to jen můj přelud.
Youdova ostrovní laboratoř 20kWp: https://youda.mypower.cz
-
PavelR
- Příspěvky: 3550
- Registrován: ned led 29, 2012 3:59 pm
- Reputace: 265
- Lokalita: Žabčice
- Systémové napětí: 48V
- Výkon panelů [Wp]: 29139
- Kapacita baterie [kWh]: 65
- Chci prodávat energii: ANO
- Chci/Mám dotaci: NE
Re: Youdova ostrovní laboratoř
nebyl to Kirchhoff?
- youda
- Příspěvky: 3153
- Registrován: stř dub 27, 2016 12:12 am
- Reputace: 961
Re: Youdova ostrovní laboratoř
Kirchhoffovými zákony se vysvětluje, proč je to diagonální zapojení lepší než zapojit vše na jednu stranu. Ale Kirchhoff samotný to nebyl, fakt to byl někdo jiný...
Youdova ostrovní laboratoř 20kWp: https://youda.mypower.cz
- vlkazajac
- R.I.P.
- Příspěvky: 3478
- Registrován: úte čer 11, 2013 10:40 pm
- Reputace: 528
Re: Youdova ostrovní laboratoř
Nechcem znevazovat Tvoj zaujem o to pomenovanie, najskor to bude nejaky American, ako obvykle. Ale v stovkach kdejakych dielni to monter ci servisak pomenuje jednoducho po nasom _ krizom alebo do kriza_ a kazdemu je to jasne.
750 Wp, LS3024B, 18650 - 198P8S 30,4 V, Multiplus C 800 nonstop / všetky slabé spotrebiče
1950 Wp, 2 x LS3024B, VS2024N, olovo - 330 Ah / 24 V, Carspa 3000 sin deň / silné spotrebiče a ohrev TUV
5995 kWh za meničmi za posledné 2 roky.
1950 Wp, 2 x LS3024B, VS2024N, olovo - 330 Ah / 24 V, Carspa 3000 sin deň / silné spotrebiče a ohrev TUV
5995 kWh za meničmi za posledné 2 roky.
-
dumi
- Příspěvky: 2035
- Registrován: stř zář 05, 2018 8:38 pm
- Reputace: 157
Re: Youdova ostrovní laboratoř
Nevim jak.u baterii ale.u bojleru a topeni to byl pan Tichlmann nebo jak se to pise...
Dumiho ostruvek: 4,7kWp, 13,3kWh, 2400W inverter
Kdo je online
Uživatelé prohlížející si toto fórum: Claudebot [Bot], META a 2 hosti