Jaký měnič do domu?
Souhrn tématu
Diskuze se zaměřuje na výběr vhodného měniče pro napájení celého domu ze solárních panelů s možností zálohy ze sítě. Uživatelé sdílejí zkušenosti s modely Axpert King a dalšími typy, které zvládnou vysoké vstupní napětí a automatické přepínání. Důraz je kladen na jednoduchost instalace, spolehlivost a možnost budoucího připojení baterií.
- abrams
- Příspěvky: 2792
- Registrován: ned črc 17, 2011 12:19 pm
- Reputace:427
- Lokalita: Brno
- Bydliště: Brno
Re: Jaký měnič do domu?
Zdravím ,
prohlédl jsem si fotky z odkazu ještě jednou a troufnu si říci že nemá oddělený nabíječ baterie z AC vstupu .
Ikdyby měl někde duplicitní H či diodový můstek , nic moc by to neznamenalo jelikož má zjevně pouze jedno trafo . Ve starších AXP co se mi dostali pod ruce se druhé menší trafo nacházelo . Ze zapojení jež jsem se zájmem studoval bylo naprosto zřejmé že se jedná o oddělený nabíjecí obvod fungující pouze jednosměrně . A klasické HF trafo se smetím okolo mělo za úkol jediné - měnit DC vstup do AC výstupu .
Zmíněnou funkci AXP King o současném nabíjení
při výrobě AC na výstup si vysvětluji Bypassem s nabíjením
. Už z podstaty toků elektřiny . Je-li
nabíjena , není tedy logicky vybíjena transformací do AC výstupu .
Elektronům zdar
prohlédl jsem si fotky z odkazu ještě jednou a troufnu si říci že nemá oddělený nabíječ baterie z AC vstupu .
Ikdyby měl někde duplicitní H či diodový můstek , nic moc by to neznamenalo jelikož má zjevně pouze jedno trafo . Ve starších AXP co se mi dostali pod ruce se druhé menší trafo nacházelo . Ze zapojení jež jsem se zájmem studoval bylo naprosto zřejmé že se jedná o oddělený nabíjecí obvod fungující pouze jednosměrně . A klasické HF trafo se smetím okolo mělo za úkol jediné - měnit DC vstup do AC výstupu .
Zmíněnou funkci AXP King o současném nabíjení
Elektronům zdar
3,96kWp monokrystalů + 2x regl PCM60X + 24kWh LiFePO4 + 6kW HF sínus měnič s nájezdem 55 MWh @ 80.000 motohodin . , celé na 52V systému .
Chibi v textu vyhrazeny
Chibi v textu vyhrazeny
- Vitek
- Příspěvky: 2004
- Registrován: pát bře 15, 2019 7:44 am
- Reputace:310
Re: Jaký měnič do domu?
Youdo, co kdybysme udělali workshop ?diablo007 píše:Kdyby jsi byl co k čemu tak jeden odmontujes a docentovi ho zapujcis stejně za chvilku 3 nevyuzijesVitek píše:
No konečně slovo do pranice kdy se můžu dostavit
Axpertík zůstane zakabelován a na zdi dorazit Diablo můžeš... at jsi jako svědek z východu
- Kobra23
- Příspěvky: 464
- Registrován: ned úno 12, 2017 9:32 pm
- Reputace:143
Re: Jaký měnič do domu?
A to bude ten vyhlášený Workshop s grilováním?
- Vitek
- Příspěvky: 2004
- Registrován: pát bře 15, 2019 7:44 am
- Reputace:310
Re: Jaký měnič do domu?
tak jako každý workshop je u mě grilKobra23 píše:A to bude ten vyhlášený Workshop s grilováním?
- Kobra23
- Příspěvky: 464
- Registrován: ned úno 12, 2017 9:32 pm
- Reputace:143
Re: Jaký měnič do domu?
Tak kdyby jsi potřeboval manuálně s tím sundáním krytu pomoci (Docent má přece lachtaní nemoc), tak se hlásím a klidně si vezmu na starost i dodávku masa na grilování - mám super zdroj.
- youda
- Příspěvky: 3153
- Registrován: stř dub 27, 2016 12:12 am
- Reputace:961
Re: Jaký měnič do domu?
Vždyť já nepoznám odpor od diody. Cokoliv rozeberu pak většinou musím uložit do popelnice, protože moje odborné zásahy každou elektroniku spolehlivě odpraví.
Uděláme to jinak:
Nedávno jsem zaplatil nového Kinga někomu, kdo jej potřeboval, aby mohl testovat úpravy firmwaru. Ty úpravy, ze kterých pak benefituje hromada Axpertích uživatelů v ČR i jinde. Takže toho dotyčného slušně požádám, aby, až mu Kinga dorazí, jej rozebral a dal nám vědět, jak je tam ten první usměrňovač vyřešen.
Více o podpoře projektu patchovaného FW pro Axpert King zde:
https://powerforum.co.za/topic/3759-axp ... ment-79573
Uděláme to jinak:
Nedávno jsem zaplatil nového Kinga někomu, kdo jej potřeboval, aby mohl testovat úpravy firmwaru. Ty úpravy, ze kterých pak benefituje hromada Axpertích uživatelů v ČR i jinde. Takže toho dotyčného slušně požádám, aby, až mu Kinga dorazí, jej rozebral a dal nám vědět, jak je tam ten první usměrňovač vyřešen.
Více o podpoře projektu patchovaného FW pro Axpert King zde:
https://powerforum.co.za/topic/3759-axp ... ment-79573
Youdova ostrovní laboratoř 20kWp: https://youda.mypower.cz
- dumi
- Příspěvky: 2035
- Registrován: stř zář 05, 2018 8:38 pm
- Reputace:157
Re: Jaký měnič do domu?
Chcete rict, ze axpert, mterej umi nabijet baterky z DS pouze pokid je v bypassu muze mit pretok?
Dumiho ostruvek: 4,7kWp, 13,3kWh, 2400W inverter
- youda
- Příspěvky: 3153
- Registrován: stř dub 27, 2016 12:12 am
- Reputace:961
Re: Jaký měnič do domu?
Ne Dumi. To jsi špatně přečetl.dumi píše:Chcete rict, ze axpert, mterej umi nabijet baterky z DS pouze pokid je v bypassu muze mit pretok?
Takovej Axpert, kterej umí nabíjet baterky pouze pokud je v bypasu (což jsou všechny staré MS, MSD apod.) přetok opravdu mít nemůže. Minimálně půlka jeho vnitřních obvodů je totiž v tu chvíli používaná na usměrnění 230V střídavých na 50V stejnosměrných. Takže tyhle Axperty při nabíjení už nemohou střídat, vyrábět AC, a tedy ani vyrábět přetoky.
Jediné potencionální nebezpečí je v Kingovi, protože to, co se tu už rok dokola omílá (že dvojitá konverze vylučuje přetoky), prostě není úplná pravda. Záleží na vnitřní architektuře.
Youdova ostrovní laboratoř 20kWp: https://youda.mypower.cz
- rottenkiwi
- Příspěvky: 5451
- Registrován: pát úno 13, 2015 2:24 pm
- Reputace:287
- Lokalita: SO, SK
- Bydliště: SO, SK
Re: Jaký měnič do domu?
Tu je ser. manual na Kinga:
https://portal.segensolar.co.za/Reselle ... KW&5KW.pdf
https://portal.segensolar.co.za/Reselle ... KW&5KW.pdf
- diablo007
- Příspěvky: 3186
- Registrován: stř lis 28, 2018 7:57 pm
- Reputace:239
- Bydliště: Vyškov
Re: Jaký měnič do domu?
No pokud king nabíjí baterii a je v módu docucavani jak by to dělalo pretoky když jsme se dostali na tuto teoretickou rovinu diskuzeyouda píše:Ne Dumi. To jsi špatně přečetl.dumi píše:Chcete rict, ze axpert, mterej umi nabijet baterky z DS pouze pokid je v bypassu muze mit pretok?
Takovej Axpert, kterej umí nabíjet baterky pouze pokud je v bypasu (což jsou všechny staré MS, MSD apod.) přetok opravdu mít nemůže. Minimálně půlka jeho vnitřních obvodů je totiž v tu chvíli používaná na usměrnění 230V střídavých na 50V stejnosměrných. Takže tyhle Axperty při nabíjení už nemohou střídat, vyrábět AC, a tedy ani vyrábět přetoky.
Jediné potencionální nebezpečí je v Kingovi, protože to, co se tu už rok dokola omílá (že dvojitá konverze vylučuje přetoky), prostě není úplná pravda. Záleží na vnitřní architektuře.
- Plazivec
- Příspěvky: 458
- Registrován: čtv kvě 07, 2020 2:35 am
- Reputace:39
Re: Jaký měnič do domu?
Vplížím se tady s jedním začát. dotazem. Protože mě youda zaprdousí, když nekoupím 5k kinga. Co se píše v parametrech kinga: MPPT operating range 60-115V - znamená, že pokud mám panely kde je psáno Vmpp- 31,7 V, znamená to, že string musí mít min. 3 ks těchto panelů?
7,5 kWp
--východ == 2,25 kWp == Epever Tracer 5415AN
--Jih ===== 3,00 kWp == Epever Tracer 8420AN
--Západ == 2,25 kWp == Epever Tracer 5415AN
2x Axpert king1 Parallel
3x150ah Lion
--východ == 2,25 kWp == Epever Tracer 5415AN
--Jih ===== 3,00 kWp == Epever Tracer 8420AN
--Západ == 2,25 kWp == Epever Tracer 5415AN
2x Axpert king1 Parallel
3x150ah Lion
- youda
- Příspěvky: 3153
- Registrován: stř dub 27, 2016 12:12 am
- Reputace:961
Re: Jaký měnič do domu?
Diablo,
To je právě jedna z nechtěných funkcí aktivního usměrňovače.
Pokud se z nějakého důvodu špičkově zvýší napětí na baterii (například při odpojení zátěže), tak aktivní usměrňovač tuto napěťovou špičku umí poslat na svůj vstup.
Pokud pořád nevíš o čem mluvím, tak si to můžeš představit podobně, jako funguje rekuperace u elektromobilů:
To, že se při brždění stává z elektromotoru generátor a střídavý proud z něj se dostává zpět do baterie, to v autech nedělá žádný usměrňovač. Střídavou energii tam na stejnosměrnou přeměňuje ten samý výkonový invertor, který normálně slouží k pohonu.
Už jsme doma?
To je právě jedna z nechtěných funkcí aktivního usměrňovače.
Pokud se z nějakého důvodu špičkově zvýší napětí na baterii (například při odpojení zátěže), tak aktivní usměrňovač tuto napěťovou špičku umí poslat na svůj vstup.
Pokud pořád nevíš o čem mluvím, tak si to můžeš představit podobně, jako funguje rekuperace u elektromobilů:
To, že se při brždění stává z elektromotoru generátor a střídavý proud z něj se dostává zpět do baterie, to v autech nedělá žádný usměrňovač. Střídavou energii tam na stejnosměrnou přeměňuje ten samý výkonový invertor, který normálně slouží k pohonu.
Už jsme doma?
Youdova ostrovní laboratoř 20kWp: https://youda.mypower.cz
- diablo007
- Příspěvky: 3186
- Registrován: stř lis 28, 2018 7:57 pm
- Reputace:239
- Bydliště: Vyškov
Re: Jaký měnič do domu?
Nemusíš to ti nikdo nenařídí ale pro provoz to bude přínos já mám při 3s většinou napětí stringu kolem 75V a defakto stejně voc jako ty takže 2s by bylo celkem problém s nabíjením jelikož bys byl pod napětím baterie.Plazivec píše:Vplížím se tady s jedním začát. dotazem. Protože mě youda zaprdousí, když nekoupím 5k kinga. Co se píše v parametrech kinga: MPPT operating range 60-115V - znamená, že pokud mám panely kde je psáno Vmpp- 31,7 V, znamená to, že string musí mít min. 3 ks těchto panelů?
- youda
- Příspěvky: 3153
- Registrován: stř dub 27, 2016 12:12 am
- Reputace:961
Re: Jaký měnič do domu?
Je to složitější, pro správný výpočet ideálního počtu panelů ve stringu je potřeba zohlednit také teplotní koeficient růstu Voc.Plazivec píše:Vplížím se tady s jedním začát. dotazem. Protože mě youda zaprdousí, když nekoupím 5k kinga. Co se píše v parametrech kinga: MPPT operating range 60-115V - znamená, že pokud mám panely kde je psáno Vmpp- 31,7 V, znamená to, že string musí mít min. 3 ks těchto panelů?
Nicméně prakticky je to tak, že pro Kinga jsou opravdu ideální 3 panely v sérii a více takových sérií dát paralelně. Bavíme se o standardních 60ti článkových Mono/Poly panelech. Pro 72 Mono/Poly a pro Amorfy je to jinak a tam už si to člověk musí umět vypočítat podle specsheetu panelů.
Youdova ostrovní laboratoř 20kWp: https://youda.mypower.cz
- diablo007
- Příspěvky: 3186
- Registrován: stř lis 28, 2018 7:57 pm
- Reputace:239
- Bydliště: Vyškov
Re: Jaký měnič do domu?
No to se bavíme o tom že je jedna konverze tam druhé zpět to ještě chápu. Ale u Kinga pokud se vše přes nabíječku usměrní a zpětně rostrida jak je king prezentován tak by toto nemělo být proveditelné ne?youda píše:Diablo,
To je právě jedna z nechtěných funkcí aktivního usměrňovače.
Pokud se z nějakého důvodu špičkově zvýší napětí na baterii (například při odpojení zátěže), tak aktivní usměrňovač tuto napěťovou špičku umí poslat na svůj vstup.
Pokud pořád nevíš o čem mluvím, tak si to můžeš představit podobně, jako funguje rekuperace u elektromobilů:
To, že se při brždění stává z elektromotoru generátor a střídavý proud z něj se dostává zpět do baterie, to v autech nedělá žádný usměrňovač. Střídavou energii tam na stejnosměrnou přeměňuje ten samý výkonový invertor, který normálně slouží k pohonu.
Už jsme doma?
- Plazivec
- Příspěvky: 458
- Registrován: čtv kvě 07, 2020 2:35 am
- Reputace:39
Re: Jaký měnič do domu?
No tak to jsem f-pěkný f-prdeli, pač ta garáž nemá takovou střechu, aby se tam dali dělat 3S stringy, jenom 2s. Pokud to chci mít 1string JV, jeden J a jeden JZ => vejdou se jen po dva panely na string.
7,5 kWp
--východ == 2,25 kWp == Epever Tracer 5415AN
--Jih ===== 3,00 kWp == Epever Tracer 8420AN
--Západ == 2,25 kWp == Epever Tracer 5415AN
2x Axpert king1 Parallel
3x150ah Lion
--východ == 2,25 kWp == Epever Tracer 5415AN
--Jih ===== 3,00 kWp == Epever Tracer 8420AN
--Západ == 2,25 kWp == Epever Tracer 5415AN
2x Axpert king1 Parallel
3x150ah Lion
- youda
- Příspěvky: 3153
- Registrován: stř dub 27, 2016 12:12 am
- Reputace:961
Re: Jaký měnič do domu?
Do psí p*dele!diablo007 píše:Ale u Kinga pokud se vše přes nabíječku usměrní a zpětně rostrida jak je king prezentován tak by toto nemělo být proveditelné ne?
Právě o tom usměrnění se tu celou dobu bavíme, Mlho.
Tedy, že ta "usměrňovací nabíječka" možná nevypadá tak, jak známe ze školy:Ale, že je možná řešená takto: Už jsme doma?
PS: Na todle fakt nemám nervy. Asi mi praskne žilka...
Youdova ostrovní laboratoř 20kWp: https://youda.mypower.cz
- diablo007
- Příspěvky: 3186
- Registrován: stř lis 28, 2018 7:57 pm
- Reputace:239
- Bydliště: Vyškov
Re: Jaký měnič do domu?
Což by ale Kinga degradovalo a neměl by moc smysl . No neděláš mi radost ale to asi ani Vítkovi. Hurvajz se v něm celkem dost vrtal ten by k tomu mohl něco říciyouda píše:Do psí p*dele!diablo007 píše:Ale u Kinga pokud se vše přes nabíječku usměrní a zpětně rostrida jak je king prezentován tak by toto nemělo být proveditelné ne?
Právě o tom usměrnění se tu celou dobu bavíme, Mlho.
Tedy, že ta "usměrňovací nabíječka" možná nevypadá tak, jak známe ze školy:Ale, že je možná řešená takto: Už jsme doma?
- youda
- Příspěvky: 3153
- Registrován: stř dub 27, 2016 12:12 am
- Reputace:961
Re: Jaký měnič do domu?
Nedegradovalo. To druhé řešení usměrňovacího obvodu má totiž menší ztráty. Proto se někdy u výkonové elektroniky používá právě toto.
Jediné co by to degradovalo je naše zbožné přání mít bezpřetokový měnič s přicucáváním, jelikož všichni nenávidíme ČEZ a jeho vyděračské praktiky. Výrobce nepíše, že Axpert je bezpřetokový, on píše, že obsahuje dvojitou konverzi a hlavně, že má "0ms transfer time" a tudíž jej lze použít jako náhradu online UPS.
Tak už tu bednu někdo kuchněte, já to nepoznám ani z toho servisního manuálu, jsem tupej.
Jediné co by to degradovalo je naše zbožné přání mít bezpřetokový měnič s přicucáváním, jelikož všichni nenávidíme ČEZ a jeho vyděračské praktiky. Výrobce nepíše, že Axpert je bezpřetokový, on píše, že obsahuje dvojitou konverzi a hlavně, že má "0ms transfer time" a tudíž jej lze použít jako náhradu online UPS.
Tak už tu bednu někdo kuchněte, já to nepoznám ani z toho servisního manuálu, jsem tupej.
Youdova ostrovní laboratoř 20kWp: https://youda.mypower.cz
- rottenkiwi
- Příspěvky: 5451
- Registrován: pát úno 13, 2015 2:24 pm
- Reputace:287
- Lokalita: SO, SK
- Bydliště: SO, SK
Re: Jaký měnič do domu?
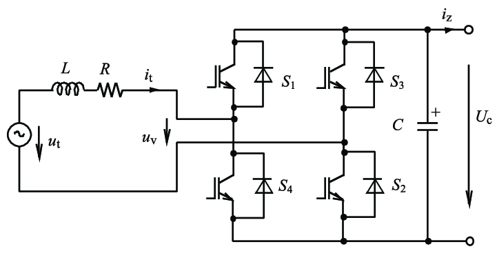
Lebo je tam niečo také:
https://silo.tips/download/axpert-mks-4 ... vice-manua
https://www.researchgate.net/figure/The ... _318542976
Alebo ak potrebujeme fázový posun:
https://www.mdpi.com/2079-9292/4/2/239/htm
https://silo.tips/download/axpert-mks-4 ... vice-manua
https://www.researchgate.net/figure/The ... _318542976
Alebo ak potrebujeme fázový posun:
https://www.mdpi.com/2079-9292/4/2/239/htm
Kdo je online
Uživatelé procházející toto fórum: Claudebot [Bot]
