Victron Multiplus funkční módy
-
- Příspěvky: 91
- Registrován: ned kvě 20, 2018 5:00 pm
- Reputace: 6
- Lokalita: Uprostřed republiky
Victron Multiplus funkční módy
Ahoj,
stále nacházím u VE něco co bych mohl využít ... ale nemám to ošahané, nevím zda to bude fungovat podle mých představ ...
VE Multiplus lze SW přepínat mezi módy "Charger only" / "Inverter only" / "On" / "Off" ... případně, kromě "Inverter only" i přepínačem ...
Mám 2 otázky:
1. Je SW přepnutí mezi módy "Charger only" / "Inverter only" / "On" bez výpadku napájení zátěže (t.j. do 20ms) - na ACin Multi je stále zdroj AC?
2. Je spotřeba samotného Multi při volbě "Charger only" nižší než spotřeba Multi bez zátěže (tzv. "No load") - nabíjecí proud multi by byl nastaven na 0A = ACin by se dostalo na ACout bez nabíjení baterie?
Kdyby někdo věděl/vyzkoušel napište.
stále nacházím u VE něco co bych mohl využít ... ale nemám to ošahané, nevím zda to bude fungovat podle mých představ ...
VE Multiplus lze SW přepínat mezi módy "Charger only" / "Inverter only" / "On" / "Off" ... případně, kromě "Inverter only" i přepínačem ...
Mám 2 otázky:
1. Je SW přepnutí mezi módy "Charger only" / "Inverter only" / "On" bez výpadku napájení zátěže (t.j. do 20ms) - na ACin Multi je stále zdroj AC?
2. Je spotřeba samotného Multi při volbě "Charger only" nižší než spotřeba Multi bez zátěže (tzv. "No load") - nabíjecí proud multi by byl nastaven na 0A = ACin by se dostalo na ACout bez nabíjení baterie?
Kdyby někdo věděl/vyzkoušel napište.
-
- Příspěvky: 91
- Registrován: ned kvě 20, 2018 5:00 pm
- Reputace: 6
- Lokalita: Uprostřed republiky
Re: Victron Multiplus funkční módy
Tak po dlouhé době jsem našel čas, abych tady dodal odpovědi na mé otázky ... Nikde jsem nic kloudného nenašel, takže pomohl vstřícný technik distributora ...
Výsledky jsem očekával trochu jiné, ale je to tak jak to je ...
Snad to někomu pomůže ... při rozhodování o nákupu ... při řešení atomatizace ...
1. Je SW přepnutí mezi módy "Charger only" / "Inverter only" / "On" bez výpadku napájení zátěže (t.j. do 20ms) - na ACin Multi je stále zdroj AC?
>>> Výsledky měření, které provedl pan Dvořák z Neosolar-u
Výchozí stav nastavení CCGX >>> Nový stav nastavení CCGX === Výsledek [Poznámka]
ON, připojená síť >>> Inverter only === bez výpadku napájení [2 testy]
Inverter only >>> ON === bez výpadku napájení [2 testy]
ON, připojená síť>>> Charger only === bez výpadku napájení [2 testy a)]
Charger only, připojená síť >>> ON === bez výpadku napájení [2 testy]
Inverter only >>> Charger only === výpadek cca 6 sekund v obou případech [2 testy]
Charger only, připojená síť >>> Inverter only === výpadek cca 20 sekund v obou případech [2 testy]
a) Pokud není ve výchozí poloze ON připojená síť (proces připojování sítě), dojde po přenastavení k několikasekundovému výpadku napájení
Podmínky testování:
- MultiPlus 48V/5000VA/70-100A, FW 474 (tovární nastavení); Color Control GX, FW 2,54
- síť při všech testech trvale k dispozici
- hlavní vypínač MultiPlusu vždy v poloze ON
- bez dalších externích panelů a VE.Bus BMS
2. Je spotřeba samotného Multi při volbě "Charger only" nižší než spotřeba Multi bez zátěže (tzv. "No load") - nabíjecí proud multi by byl nastaven na 0A = ACin by se dostalo na ACout bez nabíjení baterie?
>>> Info pana Dvořáka z Neosolar-u
Tady se dle měření zdá, že je spotřeba z AC i DC v obou případech stejná
Výsledky jsem očekával trochu jiné, ale je to tak jak to je ...

Snad to někomu pomůže ... při rozhodování o nákupu ... při řešení atomatizace ...
1. Je SW přepnutí mezi módy "Charger only" / "Inverter only" / "On" bez výpadku napájení zátěže (t.j. do 20ms) - na ACin Multi je stále zdroj AC?
>>> Výsledky měření, které provedl pan Dvořák z Neosolar-u
Výchozí stav nastavení CCGX >>> Nový stav nastavení CCGX === Výsledek [Poznámka]
ON, připojená síť >>> Inverter only === bez výpadku napájení [2 testy]
Inverter only >>> ON === bez výpadku napájení [2 testy]
ON, připojená síť>>> Charger only === bez výpadku napájení [2 testy a)]
Charger only, připojená síť >>> ON === bez výpadku napájení [2 testy]
Inverter only >>> Charger only === výpadek cca 6 sekund v obou případech [2 testy]
Charger only, připojená síť >>> Inverter only === výpadek cca 20 sekund v obou případech [2 testy]
a) Pokud není ve výchozí poloze ON připojená síť (proces připojování sítě), dojde po přenastavení k několikasekundovému výpadku napájení
Podmínky testování:
- MultiPlus 48V/5000VA/70-100A, FW 474 (tovární nastavení); Color Control GX, FW 2,54
- síť při všech testech trvale k dispozici
- hlavní vypínač MultiPlusu vždy v poloze ON
- bez dalších externích panelů a VE.Bus BMS
2. Je spotřeba samotného Multi při volbě "Charger only" nižší než spotřeba Multi bez zátěže (tzv. "No load") - nabíjecí proud multi by byl nastaven na 0A = ACin by se dostalo na ACout bez nabíjení baterie?
>>> Info pana Dvořáka z Neosolar-u
Tady se dle měření zdá, že je spotřeba z AC i DC v obou případech stejná
-
- Příspěvky: 102
- Registrován: sob lis 27, 2021 5:56 pm
- Reputace: 8
Re: Victron Multiplus funkční módy
Vetsi flexibilita jde dosahnout externim rizenim MPii, ccgx a mppt napriklad pres modbus-tcp. Co nejde externe ridit primo je rizeni vykonu interni nabijecky MPii od 0-100% vcetne vypnuti pri 0%, to jde ale zaridit pres asistenta nabijecky pres aux vstup a externe rizeny prevodnik 0-5V (opet treba modbus).
Pres modbus tcp jde jak cist prakticky veskera data z MPii, ccgx i mppt tak i nektere parametry externe za behu dynamicky menit. Vice viz google: "victron modbus tcp"
Pres modbus tcp jde jak cist prakticky veskera data z MPii, ccgx i mppt tak i nektere parametry externe za behu dynamicky menit. Vice viz google: "victron modbus tcp"
16x410Wp + 16x450Wp, 2xSmartSolar 250/100, 1xMP II Quatro 4kW v serii s 2xMP-II 2.4kW, 3x16x280Ah lifepo cina - poloostrov v polabi (bez ess)
-
- Příspěvky: 191
- Registrován: stř úno 02, 2022 3:55 pm
- Reputace: 26
- Lokalita: BA-SC
- Výkon panelů [Wp]: 5520
- Kapacita baterie [kWh]: on grid
- Chci prodávat energii: NE
- Chci/Mám dotaci: NE
- Bydliště: okr Senec
Re: Victron Multiplus funkční módy
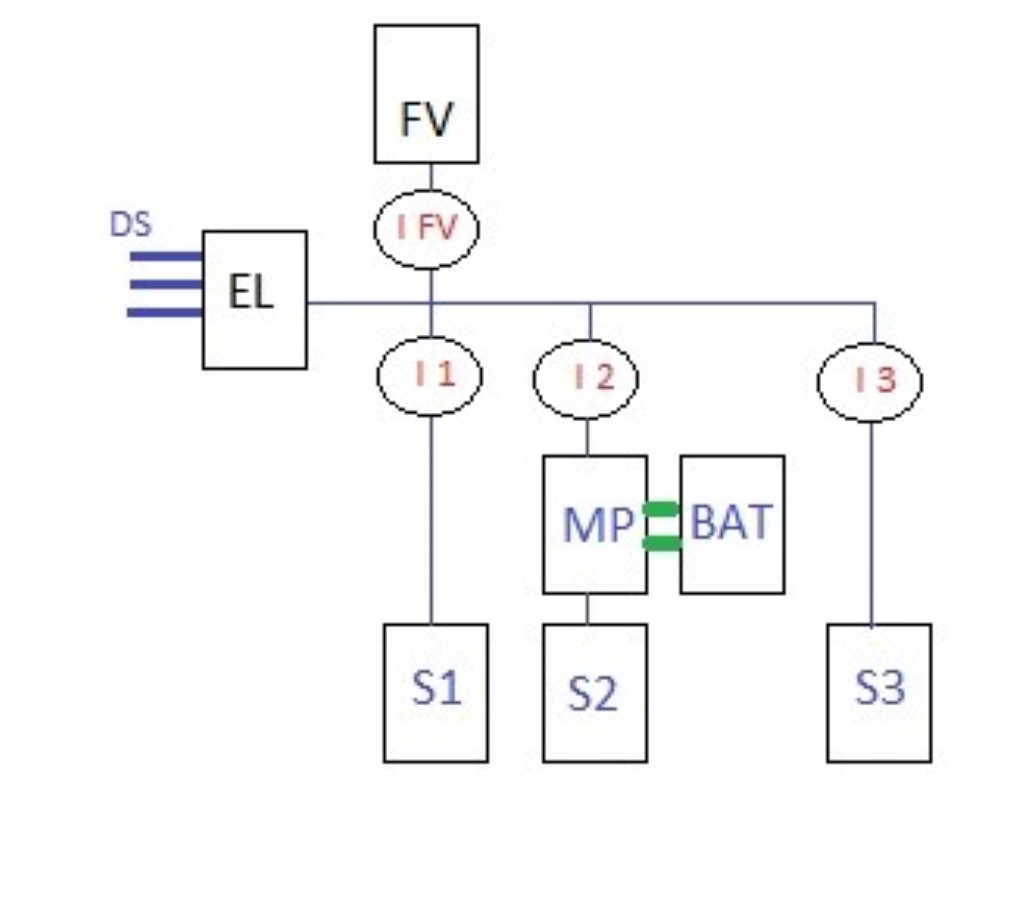
Mal by som prosbu na skúsených majiteľov Multiplusov:
V súčasnosti mám rozbehaný on-grid , 4,6kWp panelov , menič Huawei SUn 1F 3,68kW. Takmer všetky spotrebiče som nacvakal na jednu fázu, čo nespotrebujem ide do virtuálnej baterky u obchodníka.
Zatiaľ OK, v podstate by to tak mohlo ostať. Výpadky u nás prakticky nemáme, v tomto letnom období v priemere 2/3 dennej spotreby dodávam rovno z panelov a tretinu docucávam zo siete.
Napadlo mi, ako systém ešte vylepšiť, a to rozdeliť záťaž do 3 skupín, s meraním prúdu v každej vetve a meraním reálnej dodávky z FVE. Nad to postaviť nejaké arduino alebo R-pi alebo čokoľvek. Idea je : merať v reálnom čase prúd dodávaný meničom.
Záťaž S1 sú silné spotrebiče, ktoré nechcem zálohovať a dimenzovať na ne Multiplusa ( vysávač, kávovar, mikrovlnka, umývačka, pračka, dielenské spotrebiče atd) tieto spotrebiče sa snažím púšťať keď svieti slnko, ak to realita dovolí.
Záťaž S2 sú menšie spotrebiče, ktoré bežia aj v noci a chcem ich napájať z baterky a meniča ( TV, router, chladnička, kotol UK, osvetlenie domu atd.) systém asi 48V baterka 5kWh, menič Multiplus 800VA
Záťaž S3 by bola vyťažovacia spínaná podľa nadbytku ( klíma, špirála v zásobníku TUV atd)
A teraz k myšlienke:
- pokiaľ FVE nevyrába alebo všetku spotrebu zožerú silné spotrebiče S1 tak by Multiplus napájal spotrebiče S2 z baterky.
Ak by ale bola baterka už vybitá pod nejakú úroveň, prepol by sa Multiplus na dodávku zo siete a ťahal by som z DS.
- ak je výroba FVE vyššia ako spotreba S1 tak sa Multiplus prepne na dodávku zo siete, tzn ťahá zo spoločnej fázy, ak by spotreba S2 bola vyššia ako výroba tak sa rozdiel dotiahne z DS.
- ak je výroba z FVE vyššia aspoň o 500W než spotreba S1 +S2 tak Multiplus začne dobíjať baterku.
- ak je výroba z FVE vyššia než S1 + S2 vrátane prípadného dobíjania baterky o nejakú zmysluplnú hodnotu (napr 1kw) začnú sa zapínať vyťažovacie spotrebiče.
Otázka: dokážem Multiplusu cez jeho rozhranie prepínať módy podľa uvedených scenárov?
..alebo je to blbosť ?
V súčasnosti mám rozbehaný on-grid , 4,6kWp panelov , menič Huawei SUn 1F 3,68kW. Takmer všetky spotrebiče som nacvakal na jednu fázu, čo nespotrebujem ide do virtuálnej baterky u obchodníka.
Zatiaľ OK, v podstate by to tak mohlo ostať. Výpadky u nás prakticky nemáme, v tomto letnom období v priemere 2/3 dennej spotreby dodávam rovno z panelov a tretinu docucávam zo siete.
Napadlo mi, ako systém ešte vylepšiť, a to rozdeliť záťaž do 3 skupín, s meraním prúdu v každej vetve a meraním reálnej dodávky z FVE. Nad to postaviť nejaké arduino alebo R-pi alebo čokoľvek. Idea je : merať v reálnom čase prúd dodávaný meničom.
Záťaž S1 sú silné spotrebiče, ktoré nechcem zálohovať a dimenzovať na ne Multiplusa ( vysávač, kávovar, mikrovlnka, umývačka, pračka, dielenské spotrebiče atd) tieto spotrebiče sa snažím púšťať keď svieti slnko, ak to realita dovolí.
Záťaž S2 sú menšie spotrebiče, ktoré bežia aj v noci a chcem ich napájať z baterky a meniča ( TV, router, chladnička, kotol UK, osvetlenie domu atd.) systém asi 48V baterka 5kWh, menič Multiplus 800VA
Záťaž S3 by bola vyťažovacia spínaná podľa nadbytku ( klíma, špirála v zásobníku TUV atd)
A teraz k myšlienke:
- pokiaľ FVE nevyrába alebo všetku spotrebu zožerú silné spotrebiče S1 tak by Multiplus napájal spotrebiče S2 z baterky.
Ak by ale bola baterka už vybitá pod nejakú úroveň, prepol by sa Multiplus na dodávku zo siete a ťahal by som z DS.
- ak je výroba FVE vyššia ako spotreba S1 tak sa Multiplus prepne na dodávku zo siete, tzn ťahá zo spoločnej fázy, ak by spotreba S2 bola vyššia ako výroba tak sa rozdiel dotiahne z DS.
- ak je výroba z FVE vyššia aspoň o 500W než spotreba S1 +S2 tak Multiplus začne dobíjať baterku.
- ak je výroba z FVE vyššia než S1 + S2 vrátane prípadného dobíjania baterky o nejakú zmysluplnú hodnotu (napr 1kw) začnú sa zapínať vyťažovacie spotrebiče.
Otázka: dokážem Multiplusu cez jeho rozhranie prepínať módy podľa uvedených scenárov?
..alebo je to blbosť ?
-
- Příspěvky: 2118
- Registrován: pon lis 01, 2021 7:41 pm
- Reputace: 191
- Lokalita: MY, SR
- Výkon panelů [Wp]: 10200
- Kapacita baterie [kWh]: 28
- Bydliště: SR MY
Re: Victron Multiplus funkční módy
Je schopný Multiplus 800VA utiahnuť chladničku, resp. jej štart?
S klasickým väčším Multíkom by všetko to, čo požadujete išlo spraviť aj bez Rpi či iných zariadení, len čisto na veciach od Victronu. Len to nie je zrovna zadarmo.
S klasickým väčším Multíkom by všetko to, čo požadujete išlo spraviť aj bez Rpi či iných zariadení, len čisto na veciach od Victronu. Len to nie je zrovna zadarmo.
Victron ESS AC Coupling:
2,75kWp on-grid + 3,3kWp a 4,15kWp RS450/100 + MP2 5kVA + 2x 17x280Ah + JK BMS
2,75kWp on-grid + 3,3kWp a 4,15kWp RS450/100 + MP2 5kVA + 2x 17x280Ah + JK BMS
-
- Příspěvky: 2107
- Registrován: ned úno 17, 2019 9:07 pm
- Reputace: 219
- Lokalita: Liberec
- Systémové napětí: 48V
- Výkon panelů [Wp]: 7820
- Kapacita baterie [kWh]: 32
- Chci prodávat energii: NE
- Chci/Mám dotaci: NE
Re: Victron Multiplus funkční módy
Měl jsem 800VA a můj Liebherr to dalo jednou ze tří pokusů. Šel bych do 1200VA nebo pohlídat inertor lednici.
7820Wp, SV 12° 1710Wp Poly, J 90° 1820Wp Mono, JZ 12° 1680Wp Poly, JZ2 12° 1800Wp Mono, J 40° 810Wp Hyundai
MP2 5000VA, MPPT1 150/60tr, MPPT2 150/60tr, 16.8kWh 17S 310Ah AKU1, 15.2kWh 17S 280Ah AKU 2, 2xJK-BMS
MP2 5000VA, MPPT1 150/60tr, MPPT2 150/60tr, 16.8kWh 17S 310Ah AKU1, 15.2kWh 17S 280Ah AKU 2, 2xJK-BMS
-
- Příspěvky: 191
- Registrován: stř úno 02, 2022 3:55 pm
- Reputace: 26
- Lokalita: BA-SC
- Výkon panelů [Wp]: 5520
- Kapacita baterie [kWh]: on grid
- Chci prodávat energii: NE
- Chci/Mám dotaci: NE
- Bydliště: okr Senec
Re: Victron Multiplus funkční módy
OK, tak by som dal 1200VA , popr časom vymanil chladničku, súčasná má už asi 10 rokov.Diablo1st píše:Je schopný Multiplus 800VA utiahnuť chladničku, resp. jej štart?
Má Victron v ponuke niečo na čom by sa dala tá logika prevádzkovať?Diablo1st píše:S klasickým väčším Multíkom by všetko to, čo požadujete išlo spraviť aj bez Rpi či iných zariadení, len čisto na veciach od Victronu. Len to nie je zrovna zadarmo.
-
- Příspěvky: 2118
- Registrován: pon lis 01, 2021 7:41 pm
- Reputace: 191
- Lokalita: MY, SR
- Výkon panelů [Wp]: 10200
- Kapacita baterie [kWh]: 28
- Bydliště: SR MY
Re: Victron Multiplus funkční módy
Pozrite si AC Coupling od Victronu s ich ESS. Tu je video
V skratke:
Ak sa použije Cerbo GX a elektromer ET340 vie sa nastaviť systém, aby sa choval tak ako chcete.
Pri zapojení ET340 - žravé spotrebiče - on-grid menič - Multiplus - back-up by sa systé správal nastledovne:
- ak svieti slnko prioritne sa pokrýva spotreba, čo je navyše ide do batérie, ak je batéria plná vie sa spustiť hocijaký iný spotrebič na vyťažovanie
- ak slnko svieti, ale DS vypadne, FVE nevyrába a ide iba backup
- ak slnko nesvieti pokrýva sa spotreba čo je za ET340, z batérie do výkonu meniča.
Len by to chcelo silnejší muliplus, 1200VA neviem či vôbec toto podporuje.
V skratke:
Ak sa použije Cerbo GX a elektromer ET340 vie sa nastaviť systém, aby sa choval tak ako chcete.
Pri zapojení ET340 - žravé spotrebiče - on-grid menič - Multiplus - back-up by sa systé správal nastledovne:
- ak svieti slnko prioritne sa pokrýva spotreba, čo je navyše ide do batérie, ak je batéria plná vie sa spustiť hocijaký iný spotrebič na vyťažovanie
- ak slnko svieti, ale DS vypadne, FVE nevyrába a ide iba backup
- ak slnko nesvieti pokrýva sa spotreba čo je za ET340, z batérie do výkonu meniča.
Len by to chcelo silnejší muliplus, 1200VA neviem či vôbec toto podporuje.
Victron ESS AC Coupling:
2,75kWp on-grid + 3,3kWp a 4,15kWp RS450/100 + MP2 5kVA + 2x 17x280Ah + JK BMS
2,75kWp on-grid + 3,3kWp a 4,15kWp RS450/100 + MP2 5kVA + 2x 17x280Ah + JK BMS
-
- Příspěvky: 191
- Registrován: stř úno 02, 2022 3:55 pm
- Reputace: 26
- Lokalita: BA-SC
- Výkon panelů [Wp]: 5520
- Kapacita baterie [kWh]: on grid
- Chci prodávat energii: NE
- Chci/Mám dotaci: NE
- Bydliště: okr Senec
Re: Victron Multiplus funkční módy
trochu som pokročil v úvahe...
Baterka bude 125Ah /48V čiže cca 6kWh
Ak by som ostal pri Multiplus 1200VA , tak som bez použitia GX asi odkázaný iba na 2 funkčné stavy :
1 pripojený na DS a spotreba sa kryje z DS a baterka sa dobíja zo siete či chcem alebo nie
2 odpojený od DS a spotreba sa kryje za baterky až do jej vybitia.
To by sa dalo vyriešiť časovačom a stykačom na vstupe Multiplusa , ktorý by ho pripojil na DS v čase 9:00-19:00 , vtedy by spotreba a dobíjanie baterky šlo z AC vstupu kde je zavesený aj on grid Huawei.
Čas 9:00-19:00 by mal stačiť na úplné nabitie baterky, Multiplus 1200 nabíja cca 650W to na 6kWh baterku počas 10 hodín stačí s rezervou. V tomto čase zároveň vyrába FVE takže primárne by sa baterka dobíjala z vlastnej výroby v danom čase, v prípade slabej výroby sa dobije z DS opäť primárne z energie uloženej vo virtuálnej baterke tzn iba za cenu distrubučných poplatkov.
Pre prípad, že by sa baterka náhodou vybila ešte počas noci tak ešte sledovať napätie na baterke a v prípade poklesu pod stanovenú úroveň sa stykač taktiež zapne a pôjde to zasa z AC vstupu bez ohľadu na čas.
Do budúcnosti by sa pre zimné obdobie dal systém ešte vytuniť pridaním 2 panelov po 460Wp na južnej fasáde domu (buďto úplne zvislo alebo so sklonom niekde okolo 70' ) s mikromeničom pripojeným na AC výstup Multiplusa ktoré by pomohli pokrývať dennú spotrebu a dobíjať baterku počas dní kedy je slnko nízko.
Otázky:
Je to tvrdé spínanie/ odpájanie AC vstupu Multiplusa na škodu? Alebo je na to stavaný?
Ak mám na výstupe Multiplusa cez AC coupling pripojené FVE a výroba je vyššia než spotreba, baterka je nabitá tak nadvýroba preteká do DS ?
Baterka bude 125Ah /48V čiže cca 6kWh
Ak by som ostal pri Multiplus 1200VA , tak som bez použitia GX asi odkázaný iba na 2 funkčné stavy :
1 pripojený na DS a spotreba sa kryje z DS a baterka sa dobíja zo siete či chcem alebo nie
2 odpojený od DS a spotreba sa kryje za baterky až do jej vybitia.
To by sa dalo vyriešiť časovačom a stykačom na vstupe Multiplusa , ktorý by ho pripojil na DS v čase 9:00-19:00 , vtedy by spotreba a dobíjanie baterky šlo z AC vstupu kde je zavesený aj on grid Huawei.
Čas 9:00-19:00 by mal stačiť na úplné nabitie baterky, Multiplus 1200 nabíja cca 650W to na 6kWh baterku počas 10 hodín stačí s rezervou. V tomto čase zároveň vyrába FVE takže primárne by sa baterka dobíjala z vlastnej výroby v danom čase, v prípade slabej výroby sa dobije z DS opäť primárne z energie uloženej vo virtuálnej baterke tzn iba za cenu distrubučných poplatkov.
Pre prípad, že by sa baterka náhodou vybila ešte počas noci tak ešte sledovať napätie na baterke a v prípade poklesu pod stanovenú úroveň sa stykač taktiež zapne a pôjde to zasa z AC vstupu bez ohľadu na čas.
Do budúcnosti by sa pre zimné obdobie dal systém ešte vytuniť pridaním 2 panelov po 460Wp na južnej fasáde domu (buďto úplne zvislo alebo so sklonom niekde okolo 70' ) s mikromeničom pripojeným na AC výstup Multiplusa ktoré by pomohli pokrývať dennú spotrebu a dobíjať baterku počas dní kedy je slnko nízko.
Otázky:
Je to tvrdé spínanie/ odpájanie AC vstupu Multiplusa na škodu? Alebo je na to stavaný?
Ak mám na výstupe Multiplusa cez AC coupling pripojené FVE a výroba je vyššia než spotreba, baterka je nabitá tak nadvýroba preteká do DS ?
-
- Příspěvky: 2118
- Registrován: pon lis 01, 2021 7:41 pm
- Reputace: 191
- Lokalita: MY, SR
- Výkon panelů [Wp]: 10200
- Kapacita baterie [kWh]: 28
- Bydliště: SR MY
Re: Victron Multiplus funkční módy
V Multipluse ide bez problémov vypnúť funkciu nabíjačky, takže aj keď je spotreba pokrývaná z DS, batéria sa veselo môže nabíjať len z mppt.
O AC Coupling je lepšie uvažovať ak je on-grid menič oficiálne pripojený. Bez oficiálne pripojenia sú lepšie riešenie mppt regulátory.
O AC Coupling je lepšie uvažovať ak je on-grid menič oficiálne pripojený. Bez oficiálne pripojenia sú lepšie riešenie mppt regulátory.
Victron ESS AC Coupling:
2,75kWp on-grid + 3,3kWp a 4,15kWp RS450/100 + MP2 5kVA + 2x 17x280Ah + JK BMS
2,75kWp on-grid + 3,3kWp a 4,15kWp RS450/100 + MP2 5kVA + 2x 17x280Ah + JK BMS
-
- Příspěvky: 3541
- Registrován: ned led 29, 2012 3:59 pm
- Reputace: 265
- Lokalita: Žabčice
- Systémové napětí: 48V
- Výkon panelů [Wp]: 29139
- Kapacita baterie [kWh]: 65
- Chci prodávat energii: ANO
- Chci/Mám dotaci: NE
Re: Victron Multiplus funkční módy
jen pro info. Proletěl jsem příspěvek a narazil jsem na huawei.
Mám nahrubo vyzkoušenej Huawei sun2000 10kw v AC couplingu na AC out. (3f MPII 48/5000)
Frekvenční řízení dle defaultu huaweie - jen vypnutá hystereze a zvýšený gradient a cutoff na 0%. Jako zdá se že to funguje aspoň teda na malých výkonech.
Čekám teď na slunce abych to mohl vyzkoušet pod výkonem a udělat tomu veěší výkonový skoky jak se to bude chovat.
Máme v plánu větší instalace kde potřebuji v ostrovu udržet 36kw verzi. Tak se na to celkem těším.
Mám nahrubo vyzkoušenej Huawei sun2000 10kw v AC couplingu na AC out. (3f MPII 48/5000)
Frekvenční řízení dle defaultu huaweie - jen vypnutá hystereze a zvýšený gradient a cutoff na 0%. Jako zdá se že to funguje aspoň teda na malých výkonech.
Čekám teď na slunce abych to mohl vyzkoušet pod výkonem a udělat tomu veěší výkonový skoky jak se to bude chovat.
Máme v plánu větší instalace kde potřebuji v ostrovu udržet 36kw verzi. Tak se na to celkem těším.
-
- Příspěvky: 191
- Registrován: stř úno 02, 2022 3:55 pm
- Reputace: 26
- Lokalita: BA-SC
- Výkon panelů [Wp]: 5520
- Kapacita baterie [kWh]: on grid
- Chci prodávat energii: NE
- Chci/Mám dotaci: NE
- Bydliště: okr Senec
Re: Victron Multiplus funkční módy
No ja ten Huawei plánujem ponechať na AC IN strane multiplusa, takže nemusím riešiť pravidlo 1:1. Na AC OUT alebo priamo na baterky by som dal len necelý 0,8-0,9kWp ako výpomoc na zimu keď je naprd slnko. Hlavné polia mám na východ a západ na na južnej fasáde mám miesto max na 2 panely na nezatienenom mieste.
-
- Příspěvky: 191
- Registrován: stř úno 02, 2022 3:55 pm
- Reputace: 26
- Lokalita: BA-SC
- Výkon panelů [Wp]: 5520
- Kapacita baterie [kWh]: on grid
- Chci prodávat energii: NE
- Chci/Mám dotaci: NE
- Bydliště: okr Senec
Re: Victron Multiplus funkční módy
Ďakujem, dá sa to vypínať nejako cez kábel alebo je to natvrdo nastavené v konfigurácii a operatívne sa s tým hýbať nedá?Diablo1st píše:V Multipluse ide bez problémov vypnúť funkciu nabíjačky, takže aj keď je spotreba pokrývaná z DS, batéria sa veselo môže nabíjať len z mppt.
-
- Příspěvky: 2118
- Registrován: pon lis 01, 2021 7:41 pm
- Reputace: 191
- Lokalita: MY, SR
- Výkon panelů [Wp]: 10200
- Kapacita baterie [kWh]: 28
- Bydliště: SR MY
Re: Victron Multiplus funkční módy
Nastavuje sa to cez kábel alebo cez Remote configure vo VRM.
Pokiaľ mi je známe nedá sa to nijako inak, ale môžem sa mýliť.
Pokiaľ mi je známe nedá sa to nijako inak, ale môžem sa mýliť.
Victron ESS AC Coupling:
2,75kWp on-grid + 3,3kWp a 4,15kWp RS450/100 + MP2 5kVA + 2x 17x280Ah + JK BMS
2,75kWp on-grid + 3,3kWp a 4,15kWp RS450/100 + MP2 5kVA + 2x 17x280Ah + JK BMS
-
- Příspěvky: 3541
- Registrován: ned led 29, 2012 3:59 pm
- Reputace: 265
- Lokalita: Žabčice
- Systémové napětí: 48V
- Výkon panelů [Wp]: 29139
- Kapacita baterie [kWh]: 65
- Chci prodávat energii: ANO
- Chci/Mám dotaci: NE
Re: Victron Multiplus funkční módy
co já mám vyzkoušeno tak po modbusu lze přepínat režímy multiplusu. on/off/inverter only/charger only.
Používám to. Když mě nastane podmínka sepnutí elektrokotle, tak plc přepne režim na charger only. Abych nekotlil z baterek. Funguje to dokonce velmi rychle až jsem se divil. Když plc odešle příkaz po modbusu a prakticky ve stejný čas spíná stykače topných patron. MP se okamžitě přepne že ani na batriu nevidím nějaký proudový odběr.
Možnost je taky se podívat do asistentů. Třeba pujde udělat něco přes virtual flag od aux in.
Občas používáme tuto kombinaci asistentů na odpojování multiplusů od sítě pomocí toho aux bináru. ( odpadá použití dalšího stykače ... )
Používám to. Když mě nastane podmínka sepnutí elektrokotle, tak plc přepne režim na charger only. Abych nekotlil z baterek. Funguje to dokonce velmi rychle až jsem se divil. Když plc odešle příkaz po modbusu a prakticky ve stejný čas spíná stykače topných patron. MP se okamžitě přepne že ani na batriu nevidím nějaký proudový odběr.
Možnost je taky se podívat do asistentů. Třeba pujde udělat něco přes virtual flag od aux in.
Občas používáme tuto kombinaci asistentů na odpojování multiplusů od sítě pomocí toho aux bináru. ( odpadá použití dalšího stykače ... )
-
- Příspěvky: 3541
- Registrován: ned led 29, 2012 3:59 pm
- Reputace: 265
- Lokalita: Žabčice
- Systémové napětí: 48V
- Výkon panelů [Wp]: 29139
- Kapacita baterie [kWh]: 65
- Chci prodávat energii: ANO
- Chci/Mám dotaci: NE
Re: Victron Multiplus funkční módy
Ano pravidlo 1:1. Už jsem viděl v provozu 14kwp na SMA za MPI 3000 a kupodivu to fungovalo že to ty střídače ukočírovali. Samozřejmě toto nedoporučuju.romanf píše:No ja ten Huawei plánujem ponechať na AC IN strane multiplusa, takže nemusím riešiť pravidlo 1:1. Na AC OUT alebo priamo na baterky by som dal len necelý 0,8-0,9kWp ako výpomoc na zimu keď je naprd slnko. Hlavné polia mám na východ a západ na na južnej fasáde mám miesto max na 2 panely na nezatienenom mieste.
Já mám aktuálně kombinaci 3x MPII 48/3000 + tři regly. Na AC in Fronius SYMO 6kw na AC out symo 4,5kw v režimu microgrid. Oba forniusy mají datamanager karty takže to dokážu řídit na nulový přetoky jak když je to připojeno na síti po komunikaci nebo frekvenčně v ostrovu (samozřejmě jen ten na AC outu).
Jsem byl fakt mile překvapenej jak to suprově funguje. Ty Froniusy jsou super železo, jen škoda že to je nedostupný zatím.
-
- Příspěvky: 2107
- Registrován: ned úno 17, 2019 9:07 pm
- Reputace: 219
- Lokalita: Liberec
- Systémové napětí: 48V
- Výkon panelů [Wp]: 7820
- Kapacita baterie [kWh]: 32
- Chci prodávat energii: NE
- Chci/Mám dotaci: NE
Re: Victron Multiplus funkční módy
S novějším FW je to možné easy ovládat z vrmka kluci.Diablo1st píše:Nastavuje sa to cez kábel alebo cez Remote configure vo VRM.
Pokiaľ mi je známe nedá sa to nijako inak, ale môžem sa mýliť.
7820Wp, SV 12° 1710Wp Poly, J 90° 1820Wp Mono, JZ 12° 1680Wp Poly, JZ2 12° 1800Wp Mono, J 40° 810Wp Hyundai
MP2 5000VA, MPPT1 150/60tr, MPPT2 150/60tr, 16.8kWh 17S 310Ah AKU1, 15.2kWh 17S 280Ah AKU 2, 2xJK-BMS
MP2 5000VA, MPPT1 150/60tr, MPPT2 150/60tr, 16.8kWh 17S 310Ah AKU1, 15.2kWh 17S 280Ah AKU 2, 2xJK-BMS
-
- Příspěvky: 3541
- Registrován: ned led 29, 2012 3:59 pm
- Reputace: 265
- Lokalita: Žabčice
- Systémové napětí: 48V
- Výkon panelů [Wp]: 29139
- Kapacita baterie [kWh]: 65
- Chci prodávat energii: ANO
- Chci/Mám dotaci: NE
Re: Victron Multiplus funkční módy
ano jde. Ale jen manuálně. Pokud to chce někdo automatizovat musí jinak.
I tak je to super ale bacha to tlačítko off je jedovatý. Jendou jsem se uklikl na off a ejhle. Ono když to vypne a uřízne ti to internety že ...
Ty teploty to máš teplotní čidla na gx jednotce?
I tak je to super ale bacha to tlačítko off je jedovatý. Jendou jsem se uklikl na off a ejhle. Ono když to vypne a uřízne ti to internety že ...
Ty teploty to máš teplotní čidla na gx jednotce?
-
- Příspěvky: 2118
- Registrován: pon lis 01, 2021 7:41 pm
- Reputace: 191
- Lokalita: MY, SR
- Výkon panelů [Wp]: 10200
- Kapacita baterie [kWh]: 28
- Bydliště: SR MY
Re: Victron Multiplus funkční módy
Ja som si toho tlačidla nejako vo VRM nevšimolDagus píše:S novějším FW je to možné easy ovládat z vrmka kluci.Diablo1st píše:Nastavuje sa to cez kábel alebo cez Remote configure vo VRM.
Pokiaľ mi je známe nedá sa to nijako inak, ale môžem sa mýliť.

Ospravedlňujem sa za svoju nevedomosť

Victron ESS AC Coupling:
2,75kWp on-grid + 3,3kWp a 4,15kWp RS450/100 + MP2 5kVA + 2x 17x280Ah + JK BMS
2,75kWp on-grid + 3,3kWp a 4,15kWp RS450/100 + MP2 5kVA + 2x 17x280Ah + JK BMS
-
- Příspěvky: 525
- Registrován: ned čer 26, 2022 3:33 pm
- Reputace: 97
- Lokalita: Znojemsko
- Systémové napětí: 48V
- Výkon panelů [Wp]: 5500
- Kapacita baterie [kWh]: 26
- Chci prodávat energii: NE
- Chci/Mám dotaci: NE
Re: Victron Multiplus funkční módy
dalsi moznost ovladani menice je pres node red, ktere je dostupne v cerbu, nasledne si muzes udelat automatizace na invertor only/charger only /on /off podle potreby , bud primo pres ve.bus a nebo integrovanej modbus jak zde byl jiz zminen
string1 - 5.5kwp 3S4P - 460wp | 3x Multiplus ii 3000VA 1F systém | Lifepo4 230AH 48V + Seplos BMS, Lifepo4 310AH 48V + Seplos BMS
Kdo je online
Uživatelé prohlížející si toto fórum: Claudebot [Bot] a 0 hostů