Youdova ostrovní laboratoř
- kybos
- Příspěvky: 2820
- Registrován: sob zář 08, 2012 10:40 pm
- Reputace: 516
- Lokalita: Šternberk
- Systémové napětí: 48V
- Výkon panelů [Wp]: 15000
- Kapacita baterie [kWh]: 40
- Bydliště: v údolí mezi kopci
Re: Youdova ostrovní laboratoř
A co brání tomu abys mohl krmit podlahovku fázovym vytěžovacem nebo SSR se spínáním v nule? Je to přece jen kus odporového drátu.
15 kWp JJZ + 3x Tristar MPPT60 + Victron 150/100 + 48V LiFePO 850 Ah + UPS 8kW (MPP-Solar 8048 LC) + 4 x nabíječka 1,2 kW (DELTA) Start: 2012
-
- Příspěvky: 573
- Registrován: úte črc 22, 2014 6:14 pm
- Reputace: 61
Re: Youdova ostrovní laboratoř
Kolega byl rychlejsi s dotazem...
- youda
- Příspěvky: 3156
- Registrován: stř dub 27, 2016 12:12 am
- Reputace: 961
Re: Youdova ostrovní laboratoř
V kazde mistnosti mam totiz digitalni termostat s centralnim dalkovym rizenim, odectem a merenim okamzite spotreby, tak jak jsem psal v zakladacim postu vlakna o krmeni topnych kabelu z FVE.
Ten zakladaci prispevek i s obrazky je zde: https://forum.mypower.cz/viewtopic.php? ... t=0#p78321
No a tak jako nechcete promenlivym vykonem s fazovym rizenim krmit PC nebo satelit, tak ja asi tezko muzu krmit chytre termostaty. Musel bych je vypojit, dat misto nich propojky a do rozvadece kde konci vsech cca 8 okruhu dat nekolik SSR rele, mezi ktere bych okruhy rozdelil.
Ten zakladaci prispevek i s obrazky je zde: https://forum.mypower.cz/viewtopic.php? ... t=0#p78321
No a tak jako nechcete promenlivym vykonem s fazovym rizenim krmit PC nebo satelit, tak ja asi tezko muzu krmit chytre termostaty. Musel bych je vypojit, dat misto nich propojky a do rozvadece kde konci vsech cca 8 okruhu dat nekolik SSR rele, mezi ktere bych okruhy rozdelil.
Youdova ostrovní laboratoř 20kWp: https://youda.mypower.cz
- youda
- Příspěvky: 3156
- Registrován: stř dub 27, 2016 12:12 am
- Reputace: 961
Re: Youdova ostrovní laboratoř
Proto si tedy chci udelat ten SW kod, ktery bude jednotlive okruhy zapinat podle toho, kolik bude k dispozici vykonu a jestli nebude vykon zrovna potreba jinde (pracka, mycka, atd.)
Kdyz bude vykonu malo, bude SW zase okruhy podle priority vypinat. FV vykon tedy nebude odebiran spojite, ale v krocich nebo zubech.
Z hlediska maximalniho vyuziti prebytku to neni idealni, ale stale mi zustane zachovana moznost centralniho rizeni, reportingu a ovladani mobilem na dalku.
Kdyz bude vykonu malo, bude SW zase okruhy podle priority vypinat. FV vykon tedy nebude odebiran spojite, ale v krocich nebo zubech.
Z hlediska maximalniho vyuziti prebytku to neni idealni, ale stale mi zustane zachovana moznost centralniho rizeni, reportingu a ovladani mobilem na dalku.
Youdova ostrovní laboratoř 20kWp: https://youda.mypower.cz
- tomas
- Příspěvky: 2581
- Registrován: pon bře 07, 2011 11:05 am
- Reputace: 243
- Bydliště: Třinec
Re: Youdova ostrovní laboratoř
No hlavně elektroměr. Nemá 4-kvadrant a SSR se spínáním v 0V nemá na elektroměrech bez iteračního času pozitivní vliv na naměřenou hodnotu energie. Musí jít cestou rychlejší - fázové regulace.kybos píše:A co brání tomu abys mohl krmit podlahovku fázovym vytěžovacem nebo SSR se spínáním v nule?
Chci elektrárnu s licencí a s prodejem přebytků nebo komunitní výměnou energie: ANO
- kybos
- Příspěvky: 2820
- Registrován: sob zář 08, 2012 10:40 pm
- Reputace: 516
- Lokalita: Šternberk
- Systémové napětí: 48V
- Výkon panelů [Wp]: 15000
- Kapacita baterie [kWh]: 40
- Bydliště: v údolí mezi kopci
Re: Youdova ostrovní laboratoř
To bych potřeboval vysvětlit podrobněji. Neměří snad elektroměr efektivní hodnotu činného výkonu? Navíc jsem přesvědčen, že pokud se jedná o spínání v nule nemusí elektroměr řešit problémy vyšších harmonických a vzhledem ke skutečnosti, že se jedná o odporovou zátěž, tak nemusí řešit ani účiník. Kde tedy spočívá ten negativní vliv?tomas píše:SSR se spínáním v 0V nemá na elektroměrech bez iteračního času pozitivní vliv na naměřenou hodnotu energie.
15 kWp JJZ + 3x Tristar MPPT60 + Victron 150/100 + 48V LiFePO 850 Ah + UPS 8kW (MPP-Solar 8048 LC) + 4 x nabíječka 1,2 kW (DELTA) Start: 2012
- kybos
- Příspěvky: 2820
- Registrován: sob zář 08, 2012 10:40 pm
- Reputace: 516
- Lokalita: Šternberk
- Systémové napětí: 48V
- Výkon panelů [Wp]: 15000
- Kapacita baterie [kWh]: 40
- Bydliště: v údolí mezi kopci
Re: Youdova ostrovní laboratoř
A nebylo by možné dát SSR až za termostaty, případně paralelně ke spínači termostatů?youda píše:Musel bych je vypojit, dat misto nich propojky a do rozvadece kde konci vsech cca 8 okruhu dat nekolik SSR rele, mezi ktere bych okruhy rozdelil.
15 kWp JJZ + 3x Tristar MPPT60 + Victron 150/100 + 48V LiFePO 850 Ah + UPS 8kW (MPP-Solar 8048 LC) + 4 x nabíječka 1,2 kW (DELTA) Start: 2012
- youda
- Příspěvky: 3156
- Registrován: stř dub 27, 2016 12:12 am
- Reputace: 961
Re: Youdova ostrovní laboratoř
Kybosi, to co navrhuješ je docela dobrý nápad.
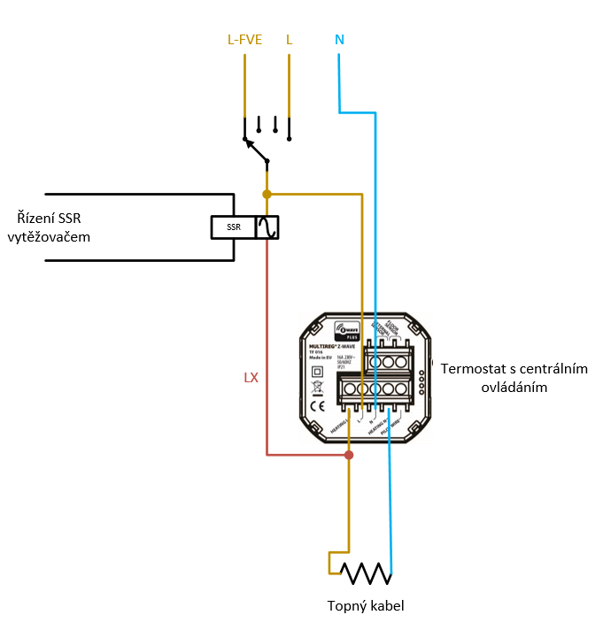
Škoda, že u mne už to udělat nepůjde, jelikož termostaty jsou v klasických elektroinstalačních krabicích, stejně jako třeba vypínače od světel. Do každé krabice vede přívodní kabel L+N a odchází dva napájecí vodiče do podlahy a dva vodiče do teplotního senzoru v podlaze. Pro instalaci SSR přímo v krabici tedy není místo a chybí i vodiče pro řízení relé.
Kdyby ale někdo budoval elektrickou podlahovku nově, mohl by tvůj nápad realizovat cca takto:
- V každé místnosti digitální termostat v klasické instalační krabici, ke kterému by vedly 3 kabely (N, L, LX).
- N je neutrál
- L je standardní fáze, napájená buď z FVE, nebo z DS. Vede do termostatu.
- LX je fáze z FVE napájená ze sady SSR relátek. V instalační krabici obchází termostat a vede přímo k topným kabelům.
- Ve společném rozvaděči jsou zakončeny kabely všech místností a je zde také sada několika SSR relé řízených vytěžovači.
- Ve společném rozvaděči je také přepínač I-0-II, případně spřažené stykače, které mají dvě polohy:
poloha A) Fáze L je napájena přímo z DS, fáze LX je zcela odpojena.
poloba B) Fáze L je napájena přímo z FVE, fáze LX je napájena z FVE přes SSR relátka.
Nějak takto: V takovém zapojení by bylo možné přepnout elektrické podlahové topení na FVE, termostaty centrálne odepnout a používat je pouze na sledování a logování teplot. Topné kabely by byly napájeny fází LX, podle toho jak by pracovaly vytěžovače. Takové řešení by ani nemuselo být drahé, stačí jen přivést do každé krabice jeden vodič navíc a nechat si v rozvaděči místo na SSR relátka a nějakou řídící logiku. Zároveň by bylo zajištěno, že fáze FVE a DS se nikdy nemohou potkat, ale kdykoliv je možné přepnout na jeden nebo druhý zdroj.
Řešitelné to tedy je, pokud se na to bude myslet dopředu. Nadruhou stranu, stále zastávám názor, že pro ostrovní FVE je nejlepší topení s akumulací do vody. Kdy ostrov+voda má prostě desítky výhod. Škoda, že jsem na to nemyslel před rekonstrukcí podlah.
Škoda, že u mne už to udělat nepůjde, jelikož termostaty jsou v klasických elektroinstalačních krabicích, stejně jako třeba vypínače od světel. Do každé krabice vede přívodní kabel L+N a odchází dva napájecí vodiče do podlahy a dva vodiče do teplotního senzoru v podlaze. Pro instalaci SSR přímo v krabici tedy není místo a chybí i vodiče pro řízení relé.
Kdyby ale někdo budoval elektrickou podlahovku nově, mohl by tvůj nápad realizovat cca takto:
- V každé místnosti digitální termostat v klasické instalační krabici, ke kterému by vedly 3 kabely (N, L, LX).
- N je neutrál
- L je standardní fáze, napájená buď z FVE, nebo z DS. Vede do termostatu.
- LX je fáze z FVE napájená ze sady SSR relátek. V instalační krabici obchází termostat a vede přímo k topným kabelům.
- Ve společném rozvaděči jsou zakončeny kabely všech místností a je zde také sada několika SSR relé řízených vytěžovači.
- Ve společném rozvaděči je také přepínač I-0-II, případně spřažené stykače, které mají dvě polohy:
poloha A) Fáze L je napájena přímo z DS, fáze LX je zcela odpojena.
poloba B) Fáze L je napájena přímo z FVE, fáze LX je napájena z FVE přes SSR relátka.
Nějak takto: V takovém zapojení by bylo možné přepnout elektrické podlahové topení na FVE, termostaty centrálne odepnout a používat je pouze na sledování a logování teplot. Topné kabely by byly napájeny fází LX, podle toho jak by pracovaly vytěžovače. Takové řešení by ani nemuselo být drahé, stačí jen přivést do každé krabice jeden vodič navíc a nechat si v rozvaděči místo na SSR relátka a nějakou řídící logiku. Zároveň by bylo zajištěno, že fáze FVE a DS se nikdy nemohou potkat, ale kdykoliv je možné přepnout na jeden nebo druhý zdroj.
Řešitelné to tedy je, pokud se na to bude myslet dopředu. Nadruhou stranu, stále zastávám názor, že pro ostrovní FVE je nejlepší topení s akumulací do vody. Kdy ostrov+voda má prostě desítky výhod. Škoda, že jsem na to nemyslel před rekonstrukcí podlah.
Youdova ostrovní laboratoř 20kWp: https://youda.mypower.cz
-
- Příspěvky: 169
- Registrován: čtv dub 12, 2018 2:44 pm
- Reputace: 9
- Bydliště: Trencin
Re: Youdova ostrovní laboratoř
Mozno blba otazka/poznamka. Infini ma v SW nastavenia na paralelne fungovanie - enable/disable/sync. Sync je fajn, ale nemoze byt pricinou restartu pri odpojeni baterie druheho menica?youda píše:Vážení kolegové akademici,...
Závěr: Efekt, kdy během úplného vypnutí SL-PAL dojde k restartu MS-PAL není uživatelsky příjemný. Výpadek napájení zátěže je sice krátký, ale přesto se jedná o několik sekund. Pokud bych neměl UPS, veškeré laboratorní IT krámy by se mi jistě restartovaly. Tak, jak je tato funkce implementována v InfiniSolar Plus 5k, pro mne asi nemá smysl provádět pravidelné noční vypínání jednoho z měničů. Nebyl by problém tento proces automatizovat, ale výpadek je nepříjemný a každodenní připojování/odpojování baterie asi také nebude z hlediska životnosti elektroniky to pravé ořechové. Co si představit dovedu, je takovéto odstavení jednoho Infini v prosinci a opětovné zapnutí někdy na konci ledna.
Tak tu je jedna odpoved, a to je kanadan menom ELECTRODACUS,youda píše:Kdyz bude vykonu malo, bude SW zase okruhy podle priority vypinat. FV vykon tedy nebude odebiran spojite, ale v krocich nebo zubech.
Je to opensorce a kedysi davno som k tomu mal aj schemy, bohuzial som sa nedostal ku realizacii a vsetko mi to nejako odfukol cas.
Ak by sa niekto z vas podujal jeho riesenie replikvat, dajte vediet, rad prilozim mincu k dielu.
Ja bych dosekal pod vypinac dieru a ulozil dalsiu krabicu pre SSR a zakryl zaslepkou pre lahku vymenu relatka pri jeho doziti.youda píše:Škoda, že u mne už to udělat nepůjde,
FVE1 - 3kW do 48V 7.2kWh LiFe cez 5kW Axpert, FVE2 domcek pre maleho - 0.26kW do 12V 0.5kWh LiFe cez Victron375, termicky ohrev vody 200 l
- tomas
- Příspěvky: 2581
- Registrován: pon bře 07, 2011 11:05 am
- Reputace: 243
- Bydliště: Třinec
Re: Youdova ostrovní laboratoř
Já to zkoušel zde:kybos píše:To bych potřeboval vysvětlit podrobněji. Neměří snad elektroměr efektivní hodnotu činného výkonu? Navíc jsem přesvědčen, že pokud se jedná o spínání v nule nemusí elektroměr řešit problémy vyšších harmonických a vzhledem ke skutečnosti, že se jedná o odporovou zátěž, tak nemusí řešit ani účiník. Kde tedy spočívá ten negativní vliv?tomas píše:SSR se spínáním v 0V nemá na elektroměrech bez iteračního času pozitivní vliv na naměřenou hodnotu energie.
https://forum.mypower.cz/viewtopic.php?f=3&t=2674
Ne 4-Q elektroměr blikal stále stejně ať se ohřev v bojleru realizoval pomocí vytěžovače nebo bez přímo z distribuční sítě. Prostě se dal zastavit pouze vypnutím bojleru nebo odpojením od distribuční sítě. V ostrovu to fungovalo dobře až na ten flikr. Tak to budu teď předělávat na fázovou regulaci s GreenBonO_Aku.
Vysvětlení:
Je nutno zohlednit i regulační prodlevu hybridního měniče pracujícího paralelně s distribuční sítí a to že ne 4-Q elektroměr započítává vše do spotřeby i dodávku, protože nedokáže rozpoznat směr toku energie. Tedy pokud sepne SSR tak na to hybrid zareaguje, ale se zpožděním a minimálně jeden kmit sinusovky se odebere ze sítě. SSR zase vypne a zase jeden kmit sinusovky přeletí do sítě atd.... ve výsledku tedy zaplatíte skoro stejně jako kdyby se bojler ohříval z distribuční sítě.
A také regulační prodlevu SSR které spíná i rozpíná pouze v 0V a tedy může čekat i jeden kmit sinusovky na sepnutí a rozepnutí a vyvolat tak v tom jednom kmitu odběr nebo dodávku.
Podobný problém je i s watrouterem když ho někdo použije na ne 4-Q elektroměru nebo s malým iteračním časem měření v elektroměru.
Chci elektrárnu s licencí a s prodejem přebytků nebo komunitní výměnou energie: ANO
- kybos
- Příspěvky: 2820
- Registrován: sob zář 08, 2012 10:40 pm
- Reputace: 516
- Lokalita: Šternberk
- Systémové napětí: 48V
- Výkon panelů [Wp]: 15000
- Kapacita baterie [kWh]: 40
- Bydliště: v údolí mezi kopci
Re: Youdova ostrovní laboratoř
Čili to není problém elektroměru ale problém hybridního střídače, který díky velkému zpoždění regulační smyčky nedokáže regulovat výstup v reálném čase ale se zpožděním jedné nebo více period výstupního signálu.
15 kWp JJZ + 3x Tristar MPPT60 + Victron 150/100 + 48V LiFePO 850 Ah + UPS 8kW (MPP-Solar 8048 LC) + 4 x nabíječka 1,2 kW (DELTA) Start: 2012
- tomas
- Příspěvky: 2581
- Registrován: pon bře 07, 2011 11:05 am
- Reputace: 243
- Bydliště: Třinec
Re: Youdova ostrovní laboratoř
Kdyby byly hybridy regulačně tak rychlé jako třeba aktivní filtry a nebo možná toto:
https://www.meruspower.fi/wp-content/up ... UPQ_EN.pdf
tak by s tím asi problém nebyl, ale ta cena by byla asi taky někde jinde.
No taky záleží na míře té výchylky, jestli je to kolísání +-1kW nebo +-10kW.
Potom je také otázka jak rychlé by nasadili elektroměry distributoři.
Je to i problém elektroměru že nedokáže rozlišit směr toku energie a vše započítává do spotřeby. Což je z energetického hlediska chyba, ale bohužel v souladu s legislativou, podobně jako podvod z fázovým měřením a rozdělení třífázového elektroměru na 3 jednofázové.
A je to chyba i regulace že není plynulá, ale kmitá mezi dodávkou a odběrem a elektroměr oba tyto stavy započítá do spotřeby, takže tím nic nezískáme i když máme vlastní zdroj energie.
https://www.meruspower.fi/wp-content/up ... UPQ_EN.pdf
tak by s tím asi problém nebyl, ale ta cena by byla asi taky někde jinde.
No taky záleží na míře té výchylky, jestli je to kolísání +-1kW nebo +-10kW.
Potom je také otázka jak rychlé by nasadili elektroměry distributoři.
Je to i problém elektroměru že nedokáže rozlišit směr toku energie a vše započítává do spotřeby. Což je z energetického hlediska chyba, ale bohužel v souladu s legislativou, podobně jako podvod z fázovým měřením a rozdělení třífázového elektroměru na 3 jednofázové.
A je to chyba i regulace že není plynulá, ale kmitá mezi dodávkou a odběrem a elektroměr oba tyto stavy započítá do spotřeby, takže tím nic nezískáme i když máme vlastní zdroj energie.
Chci elektrárnu s licencí a s prodejem přebytků nebo komunitní výměnou energie: ANO
- youda
- Příspěvky: 3156
- Registrován: stř dub 27, 2016 12:12 am
- Reputace: 961
Re: Youdova ostrovní laboratoř
Ahoj Svango,svango píše:...
Mozno blba otazka/poznamka. Infini ma v SW nastavenia na paralelne fungovanie - enable/disable/sync. Sync je fajn, ale nemoze byt pricinou restartu pri odpojeni baterie druheho menica?
...
Ja bych dosekal pod vypinac dieru a ulozil dalsiu krabicu pre SSR a zakryl zaslepkou pre lahku vymenu relatka pri jeho doziti.
ano, ten automatický restart je dán tím, že měniče jsou zapojené do paralelního provozu - to byl právě účel testu ověřit, jak se to v této situaci chová. Paralelním zapojením Infini se myslí splnění všech těchto podmínek:
- propojené datovými kabely,
- propojené current sharing kabely
- v nastavení povolenu volbu "parallel for output"
Po vypnutí Slave měniče Master vyhodnotí, že Slave "umřel" a rebootuje se, jelikož tuto reakci má prostě napsanou ve svém firmwaru. Asi to má i nějaký konkrétní důvod. Například, aby se při přerušení datových kabelů nestalo, že měniče začnou dodávat proti sobě, vylítnou jističe nebo shoří kabely. Určitě by se to dalo řešit i jinak,ale číňan to prostě napsal takto

Pokud jde o to doplnění termostatů o SSR, nejsem úplně příznivcem sekání do zdiva a stavebních prací

Youdova ostrovní laboratoř 20kWp: https://youda.mypower.cz
-
- Příspěvky: 8006
- Registrován: sob črc 19, 2014 8:56 pm
- Reputace: 1003
- Lokalita: severně od Brna
- Systémové napětí: 48V
- Výkon panelů [Wp]: 8kWp
- Kapacita baterie [kWh]: 12kWh
- Chci prodávat energii: NE
- Chci/Mám dotaci: NE
Re: Youdova ostrovní laboratoř
A potom je to třeba o tom, že by v místnostech byly jenom teplotní čidla, a veškerý řízení a spínání by se provádělo z rozvaděče, už jsem někomu takhle el. topení taky zapojoval. Pokud by na čidla nebyly dráty, tak existují blbiny, co žijí z baterek a dobíjí se jednou za čas elektrikou určenou pro spotřebič, a komunikují bezdrátově, ale to asi znáš.
ostrov skoro 8kWp neustále ve stádiu zrodu: smartshunt(ex WBJR), MPPT150/45, MPPT 250/100(ex midnitesolar 150 clasic lite), 16S a různě P cca 340Ah Winston, MP II 5000,( ex Powerjack 8kW, ex samodomo cca 4kW). 48V DC rozvody a spotřebiče.
- youda
- Příspěvky: 3156
- Registrován: stř dub 27, 2016 12:12 am
- Reputace: 961
Re: Youdova ostrovní laboratoř
Jj, mam tam to z-wave, coz je bezdratovy a softwarove se to ridi jedna basen. Ale napajeni musi byt. No jeste to promyslim, jak by se to dalo vsecko nakombinovat 

Youdova ostrovní laboratoř 20kWp: https://youda.mypower.cz
- youda
- Příspěvky: 3156
- Registrován: stř dub 27, 2016 12:12 am
- Reputace: 961
Re: Youdova ostrovní laboratoř
Kolegové!
Tak jsem zjistil, že v některých instalačních krabicích s termostaty mi elektrikář přecejen nechal jeden vodič navíc.
Vypadá to tedy, že fintu na kterou mne nasměroval Kybos (https://forum.mypower.cz/viewtopic.php? ... 510#p78460), budu moci vyzkoušet!
Tak jsem zjistil, že v některých instalačních krabicích s termostaty mi elektrikář přecejen nechal jeden vodič navíc.
Vypadá to tedy, že fintu na kterou mne nasměroval Kybos (https://forum.mypower.cz/viewtopic.php? ... 510#p78460), budu moci vyzkoušet!

Youdova ostrovní laboratoř 20kWp: https://youda.mypower.cz
- tomas
- Příspěvky: 2581
- Registrován: pon bře 07, 2011 11:05 am
- Reputace: 243
- Bydliště: Třinec
Re: Youdova ostrovní laboratoř
Ale možná by to šlo s tvým vyvažovačem ve spojení s fázovým SSR, ale to by chtělo vyzkoušet jak na to bude reagovat elektroměr.kybos píše:Čili to není problém elektroměru ale problém hybridního střídače, který díky velkému zpoždění regulační smyčky nedokáže regulovat výstup v reálném čase ale se zpožděním jedné nebo více period výstupního signálu.
https://forum.mypower.cz/viewtopic.php? ... =20#p78811
Chci elektrárnu s licencí a s prodejem přebytků nebo komunitní výměnou energie: ANO
- youda
- Příspěvky: 3156
- Registrován: stř dub 27, 2016 12:12 am
- Reputace: 961
Re: Youdova ostrovní laboratoř
Ja jsem tak rad, ze mam laborator v rezimu Off-grid III a nemusim si tak lamat hlavu se zlodejskymi elektromery CEZutomas píše:Ale možná by to šlo s tvým vyvažovačem ve spojení s fázovým SSR, ale to by chtělo vyzkoušet jak na to bude reagovat elektroměr.kybos píše:Čili to není problém elektroměru ale problém hybridního střídače, který díky velkému zpoždění regulační smyčky nedokáže regulovat výstup v reálném čase ale se zpožděním jedné nebo více period výstupního signálu.
https://forum.mypower.cz/viewtopic.php? ... =20#p78811

Dokonce ted, po zprovozneni softwaroveho vytezovace, jedu zase v plne ostrovnim rezimu vcetne topeni

Youdova ostrovní laboratoř 20kWp: https://youda.mypower.cz
- tomas
- Příspěvky: 2581
- Registrován: pon bře 07, 2011 11:05 am
- Reputace: 243
- Bydliště: Třinec
Re: Youdova ostrovní laboratoř
Jo jo, máš to super. Jenže takových jak ty moc není, takže to moc FVE nerozšíří. Většina zákazníků fotovoltaických montážních firem se pro státem slíbenou dotaci podřídí a obětují svou svobodu a nechají se okrádat a kontrolovat a proto chtějí vše oficiálně. Ti co tomu rozumí si to postaví sami i bez "dotací" jako ty a jsou svobodní (alespoň prozatím) ale těch moc není.
Chci elektrárnu s licencí a s prodejem přebytků nebo komunitní výměnou energie: ANO
-
- Příspěvky: 658
- Registrován: ned úno 25, 2018 5:04 pm
- Reputace: 83
- Lokalita: Havlíčkův Brod
- Systémové napětí: 48V
- Výkon panelů [Wp]: 19845
- Kapacita baterie [kWh]: 66
- Chci prodávat energii: NE
- Chci/Mám dotaci: NE
- Bydliště: Havlíčkův Brod
Re: Youdova ostrovní laboratoř
Tak v tomhle s Tebou na 130% souhlasim. Vzpomněl jsem si na své první úvahy o FVE, když jsem jako úplný zajíc začal obcházet firmy montující FVE systémy ( to jsem ještě nevěděl o mypower.cz a Kolaříkovi). Všude mne "lepili" na dotaci a nabízeli certifikovaný systém v ceně cca 100k.Kc za kWp instalovaného výkonu. Jelikož jsem od přírody zvědavý a technické věci mne zajímají jsem začal bádat nad tím jak FVE funguje a co je na tom proboha tak drahého že se to musí dotovat. Nechal jsem si zpracovat nezávaznou cenovou nabídku a zjišťoval jsem si cenu komponent. Komponenty byly něco přes 200 k.Kc, nabídka skoro 400k.Kc. Tady mi to "zasmrdelo" a začal jsem pátrat v čem to je. Certifikace systému, hromady schvalovacek, vagóny úředníků a navrch desetileté dotační okovy. Tohle ne, řekl jsem si a hledal jsem další možnosti. Narazil jsem na Mypower.cz, začal jsem zde studovat praktické zkušenosti majitelů FVE a přemýšlel jsem nad tím jak to udělat co nejlépe a bez dotací.tomas píše:Jo jo, máš to super. Jenže takových jak ty moc není, takže to moc FVE nerozšíří. Většina zákazníků fotovoltaických montážních firem se pro státem slíbenou dotaci podřídí a obětují svou svobodu a nechají se okrádat a kontrolovat a proto chtějí vše oficiálně. Ti co tomu rozumí si to postaví sami i bez "dotací" jako ty a jsou svobodní (alespoň prozatím) ale těch moc není.
Založil jsem zde vlákno " FVE s modulární (rostoucí) koncepcí" a i s pomocí Vašich rád, nápadů a připomínek se dílo zdařilo. Sice jinde ( přestěhovali jsme se), trochu jinak ( tři moduly místo čtyřech) , ale i s pomocí P. Kolaříka který se tomuto segmentu věnuje se dílo úspěšně podařilo. Děkuji.
Plné

S-UPS.
20kWp v panelech rozdělených mezi východ, jih a západ. Do osmi stringů.
Baterie
Staré LiFePo4 o kapacitách 12, 24 kWh
Nové LiFePo4 o kapacitách 14, 14 kWh (od listopadu 2022), 14kWh (srpen 2024), 14kWh (prosinec 2024).
Rezerva Pb vrla 200Ah.
Systémové napětí 48V
Hlavní měnič Victron 5000VA.
Pomocné měniče 2x REVO VM 5000
Regulátory PCM60X
Systém je modulární s možností dalšího rozšíření (kdyby bylo kam) řešený tak, aby při výpadku kteréhokoliv jednoho modulu mohly ostatní fungovat dál bez omezení.
20kWp v panelech rozdělených mezi východ, jih a západ. Do osmi stringů.
Baterie
Staré LiFePo4 o kapacitách 12, 24 kWh
Nové LiFePo4 o kapacitách 14, 14 kWh (od listopadu 2022), 14kWh (srpen 2024), 14kWh (prosinec 2024).
Rezerva Pb vrla 200Ah.
Systémové napětí 48V
Hlavní měnič Victron 5000VA.
Pomocné měniče 2x REVO VM 5000
Regulátory PCM60X
Systém je modulární s možností dalšího rozšíření (kdyby bylo kam) řešený tak, aby při výpadku kteréhokoliv jednoho modulu mohly ostatní fungovat dál bez omezení.
Kdo je online
Uživatelé prohlížející si toto fórum: Claudebot [Bot] a 1 host