Záložní zdroj pro RD
Souhrn tématu
Diskuze se zaměřuje na návrh záložního zdroje pro rodinný dům s výpadky elektřiny několikrát měsíčně. Uživatelé doporučují trakční baterie 24V nebo 48V s měničem sinusového průběhu kolem 3-4 kW a automatickým přepínačem sítí. Sdílí se zkušenosti s dieselovými elektrocentrálami, řeší se hlučnost, dimenzování výfuku a správné zapojení relé pro spolehlivý provoz bez nutnosti zásahu do elektroinstalace novostavby.
- osmoulaa
- Příspěvky: 15
- Registrován: čtv srp 09, 2012 9:03 am
- Reputace:0
Re: Záložní zdroj pro RD
Takže je to v pytli. ten signálový kabel tam už nedám. Potřeboval by jsem poradit jak to udělat jen s přes ten živej drát 5x4. Jinak je to zapojení v pohodě a líbí se mi.
- jhladik
- Příspěvky: 99
- Registrován: pon čer 27, 2011 6:02 pm
- Reputace:1
Re: Záložní zdroj pro RD
Tak potom komunikace po fázovém drátě (Power line communication, hledat v googlu: internet po 230 apod) nebo potom něco bezdrátového...
- osmoulaa
- Příspěvky: 15
- Registrován: čtv srp 09, 2012 9:03 am
- Reputace:0
Re: Záložní zdroj pro RD
dík, prostuduju to.
- bert
- Příspěvky: 365
- Registrován: stř zář 07, 2011 10:09 pm
- Reputace:11
Re: Záložní zdroj pro RD
Zdravím!
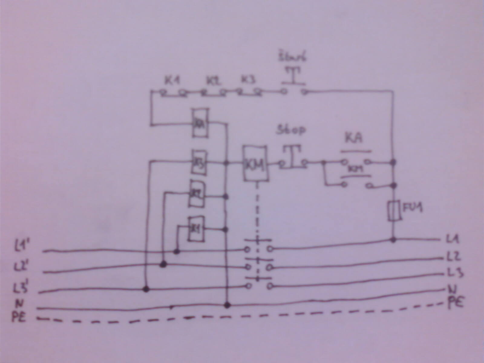
Tak som si to opäť nechal "prejsť hlavou" a zosmolil som toto zapojenie: Prepáčte kvalitu fotky, aj malby.
Na obrázku je v pravo (svorky L1, L2, L3, N a PE) pripojený jeden zo zdrojov, trebárs sieť. V ľavo (svorky L1´, L2´, L3´, N a PE), sú pripojené spotrebiče a prepojovací kábel 5x4. Je to zároveň "uzol", do ktorého sa môže pripojiť viacej zdrojov, ktoré budú vzájomne blokované (každý zdroj potrebuje takéto zapojenie).
V princípe sa použijú 4ks pomocných relé, stykač a dvoj-tlačítko. Toto všetko, sa použije pri každom zdroji (sieť, solár, generátor...).
Relé K1, K2 a K3, sú blokovacie relé. Každé kontroluje prítomnosť jednej fázy na spoločnom na kábly 5x4 a spotrebičoch. Ak je aspom na jednej fáze napätie, je blokovaná možnosť naštartovať zdroj (neumožnia tlačítkom štart zopnúť relé KA). Ak je splnená podmienka, že ani na jednom výstupnom fázovom vodiči nie je prítomné napätie a zdroj je funkčný, dá sa tlačítkom štart, zapnúť relé KA. To dá štartovací impulz stykaču KM. Stykač zopne a ostane držať cez pomocný kontakt KM. Na vystupe sa objaví napätie, ktoré zopne relé K1, K2 a K3. Od tohoto momentu, nefunguje opäť štart až do úplného vypadnutia siete. O vypnutie siete sa stará tlačítko stop.
Možné úskalia:
-Treba skúsiť, či stihne nabehnúť stykač KM a pritiahnuť pomocný kontakt skôr, ako zapnú blokovacie relé a odpoja štartovacie relé KA. Toto treba skúsiť zapojiť na jednom zdroji a skúsiť to ešte pred finálnou montážou.
-Aj pri krátkodobom výpadku, sa musí zdroj reštartovať ručne.
-Pri prepájaní vznikajú medzery v napájaní.
-Pre pripojenie solárnej elektrárne, sa musí najprv vypnúť sieť v dome a potom zapnúť elektráreň.
-Treba zabezpečiť poučenie obsluhy, aby v žiadnom prípade nič (okrem tlačítok) nezatláčali ručne! Zamknúť v rozvodne. Inak BUM!
-Počas chodu sú v činnosti 3 blokovacie relé na každom zdroji a jeden stykač, čo treba zarátať do spotreby.
Výhody:
-Odstránená nutnosť ťahať ďalší kábel.
-Možnosť pripojiť viac zdrojov (vzájomne blokovaných) do jedného kábla.
Toť vsjo Natašo!
Potomu, što utrom pajdu v rabotu. 
Prajem všetkým veľa slnka.
Tak som si to opäť nechal "prejsť hlavou" a zosmolil som toto zapojenie: Prepáčte kvalitu fotky, aj malby.
Na obrázku je v pravo (svorky L1, L2, L3, N a PE) pripojený jeden zo zdrojov, trebárs sieť. V ľavo (svorky L1´, L2´, L3´, N a PE), sú pripojené spotrebiče a prepojovací kábel 5x4. Je to zároveň "uzol", do ktorého sa môže pripojiť viacej zdrojov, ktoré budú vzájomne blokované (každý zdroj potrebuje takéto zapojenie).
V princípe sa použijú 4ks pomocných relé, stykač a dvoj-tlačítko. Toto všetko, sa použije pri každom zdroji (sieť, solár, generátor...).
Relé K1, K2 a K3, sú blokovacie relé. Každé kontroluje prítomnosť jednej fázy na spoločnom na kábly 5x4 a spotrebičoch. Ak je aspom na jednej fáze napätie, je blokovaná možnosť naštartovať zdroj (neumožnia tlačítkom štart zopnúť relé KA). Ak je splnená podmienka, že ani na jednom výstupnom fázovom vodiči nie je prítomné napätie a zdroj je funkčný, dá sa tlačítkom štart, zapnúť relé KA. To dá štartovací impulz stykaču KM. Stykač zopne a ostane držať cez pomocný kontakt KM. Na vystupe sa objaví napätie, ktoré zopne relé K1, K2 a K3. Od tohoto momentu, nefunguje opäť štart až do úplného vypadnutia siete. O vypnutie siete sa stará tlačítko stop.
Možné úskalia:
-Treba skúsiť, či stihne nabehnúť stykač KM a pritiahnuť pomocný kontakt skôr, ako zapnú blokovacie relé a odpoja štartovacie relé KA. Toto treba skúsiť zapojiť na jednom zdroji a skúsiť to ešte pred finálnou montážou.
-Aj pri krátkodobom výpadku, sa musí zdroj reštartovať ručne.
-Pri prepájaní vznikajú medzery v napájaní.
-Pre pripojenie solárnej elektrárne, sa musí najprv vypnúť sieť v dome a potom zapnúť elektráreň.
-Treba zabezpečiť poučenie obsluhy, aby v žiadnom prípade nič (okrem tlačítok) nezatláčali ručne! Zamknúť v rozvodne. Inak BUM!
-Počas chodu sú v činnosti 3 blokovacie relé na každom zdroji a jeden stykač, čo treba zarátať do spotreby.
Výhody:
-Odstránená nutnosť ťahať ďalší kábel.
-Možnosť pripojiť viac zdrojov (vzájomne blokovaných) do jedného kábla.
Toť vsjo Natašo!
Prajem všetkým veľa slnka.
- osmoulaa
- Příspěvky: 15
- Registrován: čtv srp 09, 2012 9:03 am
- Reputace:0
Re: Záložní zdroj pro RD
Dík, to vypadá dobře.
jen jestli se nepokusit dát třeba tyristory místo těch 3relé ?
Nějaké zpoždění - asi nebude potřeba. Líbí se mě to. to je to co jsem chtěl.
jen jestli se nepokusit dát třeba tyristory místo těch 3relé ?
Nějaké zpoždění - asi nebude potřeba. Líbí se mě to. to je to co jsem chtěl.
- osmoulaa
- Příspěvky: 15
- Registrován: čtv srp 09, 2012 9:03 am
- Reputace:0
Re: Záložní zdroj pro RD
Ahoj,
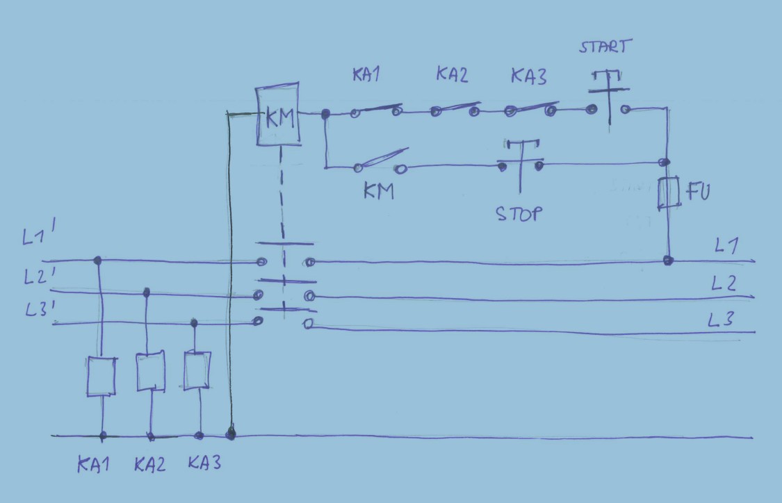
zkusil jsem to namalovat bez toho čtvrtého relé. To by taky mohlo fungovat, ne?
Zeptám se, nebude to kmitat?
zkusil jsem to namalovat bez toho čtvrtého relé. To by taky mohlo fungovat, ne?
Zeptám se, nebude to kmitat?
- bert
- Příspěvky: 365
- Registrován: stř zář 07, 2011 10:09 pm
- Reputace:11
Re: Záložní zdroj pro RD
Treba skúsiť. Ak by to kmitalo, asi tam bude treba dať späť to štvrté relé. Ono by malo trošku oneskoriť odpad štartovacieho impulzu. Na spotrebu nemá žiadny vplyv.
Kreslil som to v "chvate", tak by som ešte doplnil poistky pred blokovacie relátka. A možno paralerne so stykačom KM, by som dal kontrolku, aby bolo vidieť
ktorý zdroj je aktívny.
Kreslil som to v "chvate", tak by som ešte doplnil poistky pred blokovacie relátka. A možno paralerne so stykačom KM, by som dal kontrolku, aby bolo vidieť
- bert
- Příspěvky: 365
- Registrován: stř zář 07, 2011 10:09 pm
- Reputace:11
Re: Záložní zdroj pro RD
Zdravím!
Realizovali ste prepájanie sietí? Len pre zaujímavosť.
Prajem všetkým veľa slnka.
Realizovali ste prepájanie sietí? Len pre zaujímavosť.
Prajem všetkým veľa slnka.
- osmoulaa
- Příspěvky: 15
- Registrován: čtv srp 09, 2012 9:03 am
- Reputace:0
Re: Záložní zdroj pro RD
Zdravím,
ještě jsem to nerealizoval. Chyběla mě potřebná relátka a stykač. Teď už všechno mám - relé finder, stykače OEZ minia RSI-25-40 a samozřejmě příslušné jističe. Ještě dám do série s blokovacími kontakty zpožďovací relé (siemens 3RP1505-2BP30).
Do měsíce by jsem to měl zrealizovat a potom dodám informace.
ještě jsem to nerealizoval. Chyběla mě potřebná relátka a stykač. Teď už všechno mám - relé finder, stykače OEZ minia RSI-25-40 a samozřejmě příslušné jističe. Ještě dám do série s blokovacími kontakty zpožďovací relé (siemens 3RP1505-2BP30).
Do měsíce by jsem to měl zrealizovat a potom dodám informace.
- bert
- Příspěvky: 365
- Registrován: stř zář 07, 2011 10:09 pm
- Reputace:11
Re: Záložní zdroj pro RD
Trebe dávať pozor, aby ste si nejekou hlúpou chybou neodpálil menič. 
Držím palce!
Držím palce!
- osmoulaa
- Příspěvky: 15
- Registrován: čtv srp 09, 2012 9:03 am
- Reputace:0
Re: Záložní zdroj pro RD
Konečně jsem to zprovoznil, bez toho čtvrtého relé, fakt to funguje.
Měniče zatím neshořely. Jen ty relé občas zakmitají - možná jen jedno. Asi tam dám to čtvrtý a do kaskády ještě multifunkční zpožďovací relé.
Takže super a dík za nápovědu.
Měniče zatím neshořely. Jen ty relé občas zakmitají - možná jen jedno. Asi tam dám to čtvrtý a do kaskády ještě multifunkční zpožďovací relé.
Takže super a dík za nápovědu.
- bert
- Příspěvky: 365
- Registrován: stř zář 07, 2011 10:09 pm
- Reputace:11
Re: Záložní zdroj pro RD
Som rád, že sa to podarilo spojazdniť. Držím palce! 
Nech nám to svieti.
Nech nám to svieti.
Kdo je online
Uživatelé procházející toto fórum: Claudebot [Bot], Yandex [Bot]
