Planovana FVE 7kWp + baterky
Souhrn tématu
Diskuze se věnuje plánované instalaci fotovoltaické elektrárny o výkonu 7 kWp s bateriemi v rodinném domě o velikosti 200 m². Autor popisuje spotřebu elektřiny, možnosti řízení topení a ohřevu vody, a zvažuje vhodné komponenty včetně měničů a baterií. Cílem je optimalizovat výrobu a spotřebu energie, minimalizovat přetoky a zajistit zálohu při výpadku sítě, přičemž je kladen důraz na praktické zkušenosti a finanční dostupnost.
- rottenkiwi
- Příspěvky: 5451
- Registrován: pát úno 13, 2015 2:24 pm
- Reputace:287
- Lokalita: SO, SK
- Bydliště: SO, SK
Re: Planovana FVE 7kWp + baterky
Na paneloch su tieto problemy:
strata uzemnenia / zlomenie Al, korozia, Cu, korozia FE-Zn -..... /
vodic - vodic obluk / iskrenie / strata vykonu
line to line chyba, moze byt intrastring
alebo medzi stringami
otvoreny obluk / na - alebo na + /
zlyhanie 1 - 3 bypass d.
hot spot pod/nad diodami alebo niekde inde / 70 - 80 *C /
cell - cell kontakty
prasknute sklo
Takze to riesia takto:
https://www.youtube.com/watch?v=EDlxGfPbqEY
strata uzemnenia / zlomenie Al, korozia, Cu, korozia FE-Zn -..... /
vodic - vodic obluk / iskrenie / strata vykonu
line to line chyba, moze byt intrastring
alebo medzi stringami
otvoreny obluk / na - alebo na + /
zlyhanie 1 - 3 bypass d.
hot spot pod/nad diodami alebo niekde inde / 70 - 80 *C /
cell - cell kontakty
prasknute sklo
Takze to riesia takto:
https://www.youtube.com/watch?v=EDlxGfPbqEY
- mihlit
- Příspěvky: 689
- Registrován: ned říj 17, 2021 7:43 pm
- Reputace:98
- Lokalita: okr. Vyškov
- Systémové napětí: 48V
- Výkon panelů [Wp]: 5800
- Kapacita baterie [kWh]: 24
- Chci prodávat energii: NE
- Chci/Mám dotaci: NE
Re: Planovana FVE 7kWp + baterky
Však jestli dobře koukám na fotky (na živo jsem ho neviděl), tak je to class I v masivním kovovém krytu. Tzn, že když se to tam nevejde (a to mi je divné, když sám manuál říká minimum 16 mm2, že by tam větší průřez nešel), tak to můžeš přišroubovat někam na krytu. Nějaký závit/otvor se tam snad najde.
- rottenkiwi
- Příspěvky: 5451
- Registrován: pát úno 13, 2015 2:24 pm
- Reputace:287
- Lokalita: SO, SK
- Bydliště: SO, SK
Re: Planovana FVE 7kWp + baterky
Ja mam napr. od prepetoviek / asi 12 / 25 - 35 mm2,
od menicov 35 - 50 mm2, samozrejme, ze to tam nevojde,
ale pouzit kolik + 50 mm2 vopcham do neho a toto cele do diery na menici.
Urcite lepsie je tam mat 35 - 50 mm2 Cu ako 10 ci 16.
od menicov 35 - 50 mm2, samozrejme, ze to tam nevojde,
ale pouzit kolik + 50 mm2 vopcham do neho a toto cele do diery na menici.
Urcite lepsie je tam mat 35 - 50 mm2 Cu ako 10 ci 16.
- cipis
- Moderátor
- Příspěvky: 6955
- Registrován: pon srp 16, 2021 9:31 pm
- Reputace:979
- Lokalita: blízko Brna
- Systémové napětí: 24V
- Výkon panelů [Wp]: 13+ kWp
- Kapacita baterie [kWh]: 40+26
- Chci prodávat energii: NE
- Chci/Mám dotaci: NE
- Bydliště: blízko Brna
Re: Planovana FVE 7kWp + baterky
Navic se delaji jednoduche, a i celkem levne, svorky, ve ktere je z jedne strany velky domecek a z druhe cuci cudlik, co se do pozadovane svorky vleze.
kiwi me predbehl ...
kiwi me predbehl ...
16+ kWp: 9850 Wp Jih, 2040 Wp Východ, 1490 Wp Západ, 2700 Wp mikroinvertory
Regulátory Epever a Victron
MP 24/5000 + Deye mikroinvertory 1+2,2 kW (můj byt + máti byt)
MP 24/1200 inet, sit, kamery atd.
Phoenix 24/5000 vytěžování do akumulačních kamen
Epever 3kW vytěžování do bojlerů + žebříky
1 kW "nabíječka" 24 V
40+ kWh staré olovo 26+ kWh Li-Ion
několik dalších MP jako záložní zdroje na různých místech
Modře píši jako moderátor, černě jako člen.
Regulátory Epever a Victron
MP 24/5000 + Deye mikroinvertory 1+2,2 kW (můj byt + máti byt)
MP 24/1200 inet, sit, kamery atd.
Phoenix 24/5000 vytěžování do akumulačních kamen
Epever 3kW vytěžování do bojlerů + žebříky
1 kW "nabíječka" 24 V
40+ kWh staré olovo 26+ kWh Li-Ion
několik dalších MP jako záložní zdroje na různých místech
Modře píši jako moderátor, černě jako člen.
- dusanmsk
- Příspěvky: 580
- Registrován: pát říj 15, 2021 10:41 am
- Reputace:62
- Lokalita: Kladno
- Systémové napětí: 48V
- Výkon panelů [Wp]: 11250
- Kapacita baterie [kWh]: 19.2
- Chci prodávat energii: NE
- Chci/Mám dotaci: NE
Re: Planovana FVE 7kWp + baterky
Ok, ale ja ziadne GPFD nemam a nepredpokladam, ze VT-80 ho ma integrovane v sebe (to by musel ist ZZ z panelov cez neho). Takze to video je pekne, ale na moju situaciu neaplikovatelne.rottenkiwi píše:
Co by bolo aplikovatelne je prudova sonda medzi pripadny spoj busbar (-) a zem s logikou: ak tam tecie prud tak vsetko zhodit a vyhlasit error. Coz nevylucujem, ze by som casom nieco take spachal (planujem vyrazacie cievky kde to bude davat zmysel), ale urcite to nebudem realizovat teraz hned.
A znovu sa opytam ako debil - neriesi toto vsetko to, ze proste nespojim (-) a zem?
30*375 Wp JJZ, 2xXTM4000, 2xVT-80, 4xUS5000
- rottenkiwi
- Příspěvky: 5451
- Registrován: pát úno 13, 2015 2:24 pm
- Reputace:287
- Lokalita: SO, SK
- Bydliště: SO, SK
Re: Planovana FVE 7kWp + baterky
Ked v inych krajinach to maju poriesene, naco vymyslat koleso alebo okno znova ?
vsetko zavisi od toho, ake mas panely / technologia, /
ake mas kmbiner boxy
ako daleko
ake mas konduity / vodive / nevodive /
typ izolacie
....
aky mas inverter / transformer / transformerless
----
mas AC optimizery .....
aky mas MPPT
Keby sa to dalo jednoducho poriesit, tak nie su o tom diskusie na forach
po celom svete a nestuduje to niekto a nerobi si Ing alebo PhD.
Su toho tisice pdf vo vsetkych roznych normach , ako to poriesit.
.
vsetko zavisi od toho, ake mas panely / technologia, /
ake mas kmbiner boxy
ako daleko
ake mas konduity / vodive / nevodive /
typ izolacie
....
aky mas inverter / transformer / transformerless
----
mas AC optimizery .....
aky mas MPPT
Keby sa to dalo jednoducho poriesit, tak nie su o tom diskusie na forach
po celom svete a nestuduje to niekto a nerobi si Ing alebo PhD.
Su toho tisice pdf vo vsetkych roznych normach , ako to poriesit.
.
- mihlit
- Příspěvky: 689
- Registrován: ned říj 17, 2021 7:43 pm
- Reputace:98
- Lokalita: okr. Vyškov
- Systémové napětí: 48V
- Výkon panelů [Wp]: 5800
- Kapacita baterie [kWh]: 24
- Chci prodávat energii: NE
- Chci/Mám dotaci: NE
Re: Planovana FVE 7kWp + baterky
Pánové, přečíst si manuál a parametry od věci, kterou chci použít. Tím by se mělo začínat. VT-80 detekci má.
Manuál sekce 4.6.1 https://studer-innotec.com/wp-content/u ... 4.1_EN.pdf
Manuál sekce 4.6.1 https://studer-innotec.com/wp-content/u ... 4.1_EN.pdf
- rottenkiwi
- Příspěvky: 5451
- Registrován: pát úno 13, 2015 2:24 pm
- Reputace:287
- Lokalita: SO, SK
- Bydliště: SO, SK
Re: Planovana FVE 7kWp + baterky
Tu sekciu som tu vcera prelozil, ale to neriesi problem u tych, co nemaju Studer
alebo napr. MidNite.
Proste ak nieco pospajam + uzemnim / protective earthing / bonding
tak to da rozum, ze musim riesit aj situaciu, ked uzemnenie zlyha
a na kostre / vedeniach kablov od PV .... sa mi objavi viac ako 50 V podla jednej
normy alebo >= 60 alebo >= 120 V podla inej.
Preco pod nejakym pdf, ktore bolo napisane preto, lebo horeli dve FVE,
je zoznam literatury / 50 knih / a robili to pdf ludia zo siestich univerzit
a aj tak je tam uvedene, ze sa to neda poriesit, je to len minimalizovanie rizik.
alebo napr. MidNite.
Proste ak nieco pospajam + uzemnim / protective earthing / bonding
tak to da rozum, ze musim riesit aj situaciu, ked uzemnenie zlyha
a na kostre / vedeniach kablov od PV .... sa mi objavi viac ako 50 V podla jednej
normy alebo >= 60 alebo >= 120 V podla inej.
Preco pod nejakym pdf, ktore bolo napisane preto, lebo horeli dve FVE,
je zoznam literatury / 50 knih / a robili to pdf ludia zo siestich univerzit
a aj tak je tam uvedene, ze sa to neda poriesit, je to len minimalizovanie rizik.
- mgx
- Příspěvky: 594
- Registrován: stř dub 15, 2015 1:14 pm
- Reputace:123
- Lokalita: Tatranska Lomnica, Zahorie
- Systémové napětí: 48V
- Výkon panelů [Wp]: 30000
- Kapacita baterie [kWh]: 100
- Chci prodávat energii: NE
- Chci/Mám dotaci: NE
- Bydliště: Tatranska Lomnica
Re: Planovana FVE 7kWp + baterky
presne tak, VT detekciu ma, staci si precitat manual.
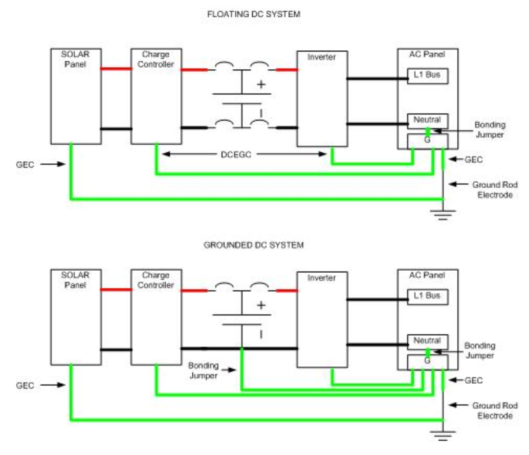
Minus na vstupe panelov sa v tomto pripade nezemni. Preco napisal tomas, staci si to precitat.
Minus na vstupe panelov sa v tomto pripade nezemni. Preco napisal tomas, staci si to precitat.
- cipis
- Moderátor
- Příspěvky: 6955
- Registrován: pon srp 16, 2021 9:31 pm
- Reputace:979
- Lokalita: blízko Brna
- Systémové napětí: 24V
- Výkon panelů [Wp]: 13+ kWp
- Kapacita baterie [kWh]: 40+26
- Chci prodávat energii: NE
- Chci/Mám dotaci: NE
- Bydliště: blízko Brna
Re: Planovana FVE 7kWp + baterky
Krásný obrázek, nezemní se, jsou pojistky na plus i mínus 
16+ kWp: 9850 Wp Jih, 2040 Wp Východ, 1490 Wp Západ, 2700 Wp mikroinvertory
Regulátory Epever a Victron
MP 24/5000 + Deye mikroinvertory 1+2,2 kW (můj byt + máti byt)
MP 24/1200 inet, sit, kamery atd.
Phoenix 24/5000 vytěžování do akumulačních kamen
Epever 3kW vytěžování do bojlerů + žebříky
1 kW "nabíječka" 24 V
40+ kWh staré olovo 26+ kWh Li-Ion
několik dalších MP jako záložní zdroje na různých místech
Modře píši jako moderátor, černě jako člen.
Regulátory Epever a Victron
MP 24/5000 + Deye mikroinvertory 1+2,2 kW (můj byt + máti byt)
MP 24/1200 inet, sit, kamery atd.
Phoenix 24/5000 vytěžování do akumulačních kamen
Epever 3kW vytěžování do bojlerů + žebříky
1 kW "nabíječka" 24 V
40+ kWh staré olovo 26+ kWh Li-Ion
několik dalších MP jako záložní zdroje na různých místech
Modře píši jako moderátor, černě jako člen.
- dusanmsk
- Příspěvky: 580
- Registrován: pát říj 15, 2021 10:41 am
- Reputace:62
- Lokalita: Kladno
- Systémové napětí: 48V
- Výkon panelů [Wp]: 11250
- Kapacita baterie [kWh]: 19.2
- Chci prodávat energii: NE
- Chci/Mám dotaci: NE
Re: Planovana FVE 7kWp + baterky
To je ale len vt-cko, to nehovori o poistkach medzi baterkou a busbarom. Zemnenie moze byt vyzadovane inde, ale presiel som manual od pylonov a tiez som to tam nenasiel (ale nenasiel som explicitne ani tu poziadavku na ne-istenie - polu, to ma ale az tak netrapi). Prejdem este xtm-ko a vyvodim zaver. Kazdopadne sa klonim k tomu mat baterku plavajucu.
Ale inak suhlas.
Ale inak suhlas.
30*375 Wp JJZ, 2xXTM4000, 2xVT-80, 4xUS5000
- cipis
- Moderátor
- Příspěvky: 6955
- Registrován: pon srp 16, 2021 9:31 pm
- Reputace:979
- Lokalita: blízko Brna
- Systémové napětí: 24V
- Výkon panelů [Wp]: 13+ kWp
- Kapacita baterie [kWh]: 40+26
- Chci prodávat energii: NE
- Chci/Mám dotaci: NE
- Bydliště: blízko Brna
Re: Planovana FVE 7kWp + baterky
To je ale ten stejný případ. Panely, jako zdroj, nejsou uzemněné, tudíž se dle normy jistí oba póly, když už se jistit mají (paralelní stringy, ...).
Je to otázka "projektanta", které řešení zvolí, když chce použít zdroje selv/pelv. Pokud se rozhodne použít selv, tak musí jistit oba póly. Pokud pelv, tak jeden pól uzemní a jistí jen druhý.
Z principu není rozdíl, jestli je zdrojem panel nebo baterie nebo bezpečnostní trafo atd.
A z manuálů to nevyčteš, pro kterou variantu se ty, jako projektant, rozhodneš.
Jestli chceš zdroj/baterku plavající, tak musíš jistit plus i mínus, tj. na každou baterii dát třeba dvojitý pojistkový odpínač.
Je to otázka "projektanta", které řešení zvolí, když chce použít zdroje selv/pelv. Pokud se rozhodne použít selv, tak musí jistit oba póly. Pokud pelv, tak jeden pól uzemní a jistí jen druhý.
Z principu není rozdíl, jestli je zdrojem panel nebo baterie nebo bezpečnostní trafo atd.
A z manuálů to nevyčteš, pro kterou variantu se ty, jako projektant, rozhodneš.
Jestli chceš zdroj/baterku plavající, tak musíš jistit plus i mínus, tj. na každou baterii dát třeba dvojitý pojistkový odpínač.
16+ kWp: 9850 Wp Jih, 2040 Wp Východ, 1490 Wp Západ, 2700 Wp mikroinvertory
Regulátory Epever a Victron
MP 24/5000 + Deye mikroinvertory 1+2,2 kW (můj byt + máti byt)
MP 24/1200 inet, sit, kamery atd.
Phoenix 24/5000 vytěžování do akumulačních kamen
Epever 3kW vytěžování do bojlerů + žebříky
1 kW "nabíječka" 24 V
40+ kWh staré olovo 26+ kWh Li-Ion
několik dalších MP jako záložní zdroje na různých místech
Modře píši jako moderátor, černě jako člen.
Regulátory Epever a Victron
MP 24/5000 + Deye mikroinvertory 1+2,2 kW (můj byt + máti byt)
MP 24/1200 inet, sit, kamery atd.
Phoenix 24/5000 vytěžování do akumulačních kamen
Epever 3kW vytěžování do bojlerů + žebříky
1 kW "nabíječka" 24 V
40+ kWh staré olovo 26+ kWh Li-Ion
několik dalších MP jako záložní zdroje na různých místech
Modře píši jako moderátor, černě jako člen.
- dusanmsk
- Příspěvky: 580
- Registrován: pát říj 15, 2021 10:41 am
- Reputace:62
- Lokalita: Kladno
- Systémové napětí: 48V
- Výkon panelů [Wp]: 11250
- Kapacita baterie [kWh]: 19.2
- Chci prodávat energii: NE
- Chci/Mám dotaci: NE
Re: Planovana FVE 7kWp + baterky
To mas pravdu, to som si neuvedomil ako furt riesim skratove prudy kade maju tiect.cipis píše:Z principu není rozdíl, jestli je zdrojem panel nebo baterie nebo bezpečnostní trafo atd.
To ze budem istit oba poly mam v plane od zaciatku. Combinerbox mam hotovy pol roka, tento tyzden som nakupil odpinace na VT-80, XTM a Pylontechy (OEZ OVP22-2 a OEZ FH000 3A/F). A potom prisiel Kobra a zaklincoval ma s tym, ze sa minus pol pylontechov nesmie istit poistkou
To je fuk, nakupene uz mam, prinajhorsom u pylontechov bude v tych 3-sachtovych odpinacoch len jedna nozovka namiesto dvoch. Vsetko ostatne budem istit 2-polovo a (-) zemnit nebudem. Zelenozlty pouzijem najhrubsi aky rozumne pojde a casom pridam nejaky voltmeter medzi busbary a zem s nejakou automatizaciou upozornenia/odstavenia systemu.
Asi by som tuto temu povazoval za uzavretu. Diky vsem.
30*375 Wp JJZ, 2xXTM4000, 2xVT-80, 4xUS5000
- Kobra23
- Příspěvky: 464
- Registrován: ned úno 12, 2017 9:32 pm
- Reputace:143
Re: Planovana FVE 7kWp + baterky
Jen si tu odložím
Hlavní uzemňovací přívody minimální průřezy dle ČSN332000-5-54: pracovní vodiče do 35mm-16mm, nad 35 mm polovina prúřezou pracovního vodiče.
Hlavní uzemňovací přívody minimální průřezy dle ČSN332000-5-54: pracovní vodiče do 35mm-16mm, nad 35 mm polovina prúřezou pracovního vodiče.
- soami
- Příspěvky: 1069
- Registrován: pon lis 08, 2021 9:10 pm
- Reputace:110
- Lokalita: Posázaví
- Systémové napětí: 48V
- Chci prodávat energii: NE
- Chci/Mám dotaci: NE
- Bydliště: Posázaví
Re: Planovana FVE 7kWp + baterky
Jj. akorát teda nevím, když zemním mínus sběrnici a mám 3 baterie paralelně, a každá baterie má kabel 50mm2 (x2) a jištění každé baterie 200A na + , jestli to znamená, že bych měl mít na PE vodič 75mm2 nebo 25mm2?Kobra23 píše:Jen si tu odložím
Hlavní uzemňovací přívody minimální průřezy dle ČSN332000-5-54: pracovní vodiče do 35mm-16mm, nad 35 mm polovina prúřezou pracovního vodiče.
- cipis
- Moderátor
- Příspěvky: 6955
- Registrován: pon srp 16, 2021 9:31 pm
- Reputace:979
- Lokalita: blízko Brna
- Systémové napětí: 24V
- Výkon panelů [Wp]: 13+ kWp
- Kapacita baterie [kWh]: 40+26
- Chci prodávat energii: NE
- Chci/Mám dotaci: NE
- Bydliště: blízko Brna
Re: Planovana FVE 7kWp + baterky
Půlku sběrnice ...
16+ kWp: 9850 Wp Jih, 2040 Wp Východ, 1490 Wp Západ, 2700 Wp mikroinvertory
Regulátory Epever a Victron
MP 24/5000 + Deye mikroinvertory 1+2,2 kW (můj byt + máti byt)
MP 24/1200 inet, sit, kamery atd.
Phoenix 24/5000 vytěžování do akumulačních kamen
Epever 3kW vytěžování do bojlerů + žebříky
1 kW "nabíječka" 24 V
40+ kWh staré olovo 26+ kWh Li-Ion
několik dalších MP jako záložní zdroje na různých místech
Modře píši jako moderátor, černě jako člen.
Regulátory Epever a Victron
MP 24/5000 + Deye mikroinvertory 1+2,2 kW (můj byt + máti byt)
MP 24/1200 inet, sit, kamery atd.
Phoenix 24/5000 vytěžování do akumulačních kamen
Epever 3kW vytěžování do bojlerů + žebříky
1 kW "nabíječka" 24 V
40+ kWh staré olovo 26+ kWh Li-Ion
několik dalších MP jako záložní zdroje na různých místech
Modře píši jako moderátor, černě jako člen.
- soami
- Příspěvky: 1069
- Registrován: pon lis 08, 2021 9:10 pm
- Reputace:110
- Lokalita: Posázaví
- Systémové napětí: 48V
- Chci prodávat energii: NE
- Chci/Mám dotaci: NE
- Bydliště: Posázaví
Re: Planovana FVE 7kWp + baterky
Hmm. Neděláš mi radost. Je to 12m... Manželka bude muset otevřít peněženku.
- dusanmsk
- Příspěvky: 580
- Registrován: pát říj 15, 2021 10:41 am
- Reputace:62
- Lokalita: Kladno
- Systémové napětí: 48V
- Výkon panelů [Wp]: 11250
- Kapacita baterie [kWh]: 19.2
- Chci prodávat energii: NE
- Chci/Mám dotaci: NE
Re: Planovana FVE 7kWp + baterky
Len pre info, pod VT-80 som relativne v pohode narval 25mm2 zelenozlty. V medzicase mi dorazili komponenty na busbar (riesilo sa to tu nez sa forum obnovilo zo zalohy po vypadku, takze je to prec). Samozrejme - klasika - nepockal som nez mi pridu krabice z kv-cka, hned som objednal aj med, ved ono sa to tam natesno na sirku vojde (krabica 190mm, med som objednal 170mm). No, nevojde
. Takze budem skracovat busbar o 1 cm, pilkou na zelezo
Nasledne navrtam, nazavitujem a skusim to finalne zlozit. Jo a samozrejme dalsi fuckup - ked dam izolatory do krabice a na ne busbar, tak uz neohnem kable cez priechodky. Takze izolatory budem musiet dat POD krabicu (bude odskocena od steny 3 cm).
30*375 Wp JJZ, 2xXTM4000, 2xVT-80, 4xUS5000
- dusanmsk
- Příspěvky: 580
- Registrován: pát říj 15, 2021 10:41 am
- Reputace:62
- Lokalita: Kladno
- Systémové napětí: 48V
- Výkon panelů [Wp]: 11250
- Kapacita baterie [kWh]: 19.2
- Chci prodávat energii: NE
- Chci/Mám dotaci: NE
Re: Planovana FVE 7kWp + baterky
Tak nakoniec DC zbernice hotovo. Fotky sem radsej ani davat nejdem. Rada pre podobne sikovnych a vybavenych ako som ja - vyserte sa na to a nechajte si to spravit v nejakej dielni. V konecnom dosledku to bude stat menej (pokial cena vasej prace, ktorej rozumiete a ste v tom dobri, nie je nulova). Tento vikend dokablujem 48V cast a pustim sa do 150V casti.
30*375 Wp JJZ, 2xXTM4000, 2xVT-80, 4xUS5000
- dusanmsk
- Příspěvky: 580
- Registrován: pát říj 15, 2021 10:41 am
- Reputace:62
- Lokalita: Kladno
- Systémové napětí: 48V
- Výkon panelů [Wp]: 11250
- Kapacita baterie [kWh]: 19.2
- Chci prodávat energii: NE
- Chci/Mám dotaci: NE
Re: Planovana FVE 7kWp + baterky
Prosba - mozete mi schvalit silovu cast? Povodne som kvoli jednoduchosti planoval ist TNC od CEZ-u az za menice a bod rozdelenia ponechat v podovnom rozvadzaci bez zmien, Kobra ma ale nalomil a tak zvazujem, ze by bol prvy chranic hned za isticom od CEZ-u v povodnom rozvadzaci a dalej by som siel vsetko v TN-S, vid. zjednodusena schema. Navrat od menicov by potom bol z poza posledneho chranica za menicmi rovno na hlavnu N listu v povodnom domovom rozvadzaci.
Sucasne pocitam s tym, ze barak rozhodim na 2 fazy (a tretiu vobec nepouzijem).

Diky.
Sucasne pocitam s tym, ze barak rozhodim na 2 fazy (a tretiu vobec nepouzijem).

Diky.
30*375 Wp JJZ, 2xXTM4000, 2xVT-80, 4xUS5000
Kdo je online
Uživatelé procházející toto fórum: Claudebot [Bot], Google Adsense [Bot], META
