Návrh hybridní FVE Strachotice
- abrams
- Příspěvky: 2774
- Registrován: ned črc 17, 2011 12:19 pm
- Reputace: 427
- Lokalita: Brno
- Bydliště: Brno
Re: Návrh hybridní FVE Strachotice
Zdravím ,
malé upozornění : stejně jako u všeho není rozumné ba ni zdravé zatěžovat regly na jejich maximum
.
Osobně bych nešel nad 70% u bezvětrákových a nad 80% u větrákových reglů
. Už vůbec bych se nespoléhal na "on si max proud omezí sám" ...
.
Elektronům zdar
malé upozornění : stejně jako u všeho není rozumné ba ni zdravé zatěžovat regly na jejich maximum

Osobně bych nešel nad 70% u bezvětrákových a nad 80% u větrákových reglů


Elektronům zdar

3,96kWp monokrystalů + 2x regl PCM60X + 24kWh LiFePO4 + 6kW HF sínus měnič 48MWh+ , celé na 52V systému .
Chibi v textu vyhrazeny
Chibi v textu vyhrazeny

-
- Příspěvky: 171
- Registrován: ned dub 29, 2018 2:28 pm
- Reputace: 32
Re: Návrh hybridní FVE Strachotice
Zdravím též,abrams píše:Zdravím ,
malé upozornění : stejně jako u všeho není rozumné ba ni zdravé zatěžovat regly na jejich maximum.
Osobně bych nešel nad 70% u bezvětrákových a nad 80% u větrákových reglů. Už vůbec bych se nespoléhal na "on si max proud omezí sám" ...
.
Elektronům zdar
ted když na to koukám tak jsem z toho dost zamotanej, dejme tomu že do jednoho reglu MPPT 250/100 pošlu v sérii pět panelů a paralelně 7× co mi vychází cca 202 V a 63 A;
podle obrázku je na něm napsáno PV 250V max / 70 A což by vyhovovalo
ale pokud koukám do datasheetu tak na řádku NominalPV power, 48V je hodnota 5800 W což je hrubě překročeno;
v té větvi mám 202*63= 12800 W nebo když to vemu podle panelů tak 35 panelů * 225 Wp = 7870 Wp;
a ted tedy jak se v tom vyznat ?
9× Jinko 225Wp + Siton210 + RPi(EmonHUb) = ohřev bojleru
http://193.165.151.70:5080/emoncms/Duke/bojler
http://193.165.151.70:5080/emoncms/Duke/bojler
-
- Příspěvky: 656
- Registrován: ned úno 25, 2018 5:04 pm
- Reputace: 83
- Lokalita: Havlíčkův Brod
- Systémové napětí: 48V
- Výkon panelů [Wp]: 19845
- Kapacita baterie [kWh]: 66
- Chci prodávat energii: NE
- Chci/Mám dotaci: NE
- Bydliště: Havlíčkův Brod
Re: Návrh hybridní FVE Strachotice
Dobrý den.
Přemýšlel jsem nad Vaší FVE a napadlane zato kombinace.
V případě použití měniče Axpert bych použil typ co má napětí PV vstupu 145V a na zbývající panely použít regály PCM 60X. Tyto dají 3,2 kWp při napětí baterie 48V. FV vstup mají též na max 145V. Tyto regulátory má Abrams a na základě jeho kladných zkušeností jsem si je též pořídil a jsem s nimi spokojen. Panely na ně mám napojené v sérii po trojicích. 225Wp panelů dají v pohodě 12 (4 x 3ks.).
V případě použití Victrona bude nutné pověsit všechny panely na regly, vznikne tím však FVE bytelné konstrukce (při výpadku jednoho reglu zbytek pojede dál.
Též mne napadla konstrukce Victron multiplus a na jeho AC vstup napojený další měnič, který bude fungovat pouze v případě nadměrného zatížení prvního měniče, jinak pojede na volnoběh ( alternativě by možná šlo použít nahození druhého měniče startovacím výstupem z multipluse). Prostě udělat kaskádu dvou měničů.
To je snad vše, co mne k tématu napadlo a teď je řada na Vás.
Plné
přeji a jsem s pozdravem. Martin P.
Přemýšlel jsem nad Vaší FVE a napadlane zato kombinace.
V případě použití měniče Axpert bych použil typ co má napětí PV vstupu 145V a na zbývající panely použít regály PCM 60X. Tyto dají 3,2 kWp při napětí baterie 48V. FV vstup mají též na max 145V. Tyto regulátory má Abrams a na základě jeho kladných zkušeností jsem si je též pořídil a jsem s nimi spokojen. Panely na ně mám napojené v sérii po trojicích. 225Wp panelů dají v pohodě 12 (4 x 3ks.).
V případě použití Victrona bude nutné pověsit všechny panely na regly, vznikne tím však FVE bytelné konstrukce (při výpadku jednoho reglu zbytek pojede dál.
Též mne napadla konstrukce Victron multiplus a na jeho AC vstup napojený další měnič, který bude fungovat pouze v případě nadměrného zatížení prvního měniče, jinak pojede na volnoběh ( alternativě by možná šlo použít nahození druhého měniče startovacím výstupem z multipluse). Prostě udělat kaskádu dvou měničů.
To je snad vše, co mne k tématu napadlo a teď je řada na Vás.
Plné

S-UPS.
20kWp v panelech rozdělených mezi východ, jih a západ. Do osmi stringů.
Baterie
Staré LiFePo4 o kapacitách 12, 24 kWh
Nové LiFePo4 o kapacitách 14, 14 kWh (od listopadu 2022), 14kWh (srpen 2024), 14kWh (prosinec 2024).
Rezerva Pb vrla 200Ah.
Systémové napětí 48V
Hlavní měnič Victron 5000VA.
Pomocné měniče 2x REVO VM 5000
Regulátory PCM60X
Systém je modulární s možností dalšího rozšíření (kdyby bylo kam) řešený tak, aby při výpadku kteréhokoliv jednoho modulu mohly ostatní fungovat dál bez omezení.
20kWp v panelech rozdělených mezi východ, jih a západ. Do osmi stringů.
Baterie
Staré LiFePo4 o kapacitách 12, 24 kWh
Nové LiFePo4 o kapacitách 14, 14 kWh (od listopadu 2022), 14kWh (srpen 2024), 14kWh (prosinec 2024).
Rezerva Pb vrla 200Ah.
Systémové napětí 48V
Hlavní měnič Victron 5000VA.
Pomocné měniče 2x REVO VM 5000
Regulátory PCM60X
Systém je modulární s možností dalšího rozšíření (kdyby bylo kam) řešený tak, aby při výpadku kteréhokoliv jednoho modulu mohly ostatní fungovat dál bez omezení.
- marko250
- Příspěvky: 3466
- Registrován: ned led 12, 2014 7:41 pm
- Reputace: 525
- Lokalita: Hlučín
- Bydliště: Hlučín
Re: Návrh hybridní FVE Strachotice
Nemůžou nastat!? Na 90°fasádě jsem dal maximum 2680W(12ks) natož na nakloněné střeše,kde je svit optimálnější a mám ty Vaše panely taky na té fasádě.Takže těch 7kW tam bude pod zátěží na 100% a to na jednom reglu způsobí :"48V systému 5800Wp. V případě překročení těchto hodnot regulátor automaticky zredukuje přicházející výkon od panelů na přijatelné hodnoty, takže nadvýkon regulátor nepoškodí. Regulátor může poškodit pouze nedodržení maximálního VOC napětí panelů 250V." Zkuste se zeptat prodejce jestli omezí i těch 1200Wp,já o tom dost pochybuji.
A jak jsem již psal ty stíny jsou velký problém vysokonapěťového zapojování panelů a Vy musíte na ty 250V regly dodržet rozpěťové napětí MPPT bodu výroby,takže žádných 5 panelů,ale 6-7 do série.A pak příjde stín a regl bude bláznit.Ty stíny Vás čekají v období,kdy potřebujete nejvíc účinnou výrobu ze všech panelů.Vřele doporučuji rozlousknout sílu měniče,vykombinovat kapacitu baterek na to a pak dle toho osadit regly samostatné ,nebo využít rovnou kombi stroje.Pokud bude stín na 1panelu v stringu ze sedmi panelů,je mimo všech sedm,pokud na stringu z dvou/třech/čtyřech to samé.V zimě dost důležité při nízkém slunci.
A jak jsem již psal ty stíny jsou velký problém vysokonapěťového zapojování panelů a Vy musíte na ty 250V regly dodržet rozpěťové napětí MPPT bodu výroby,takže žádných 5 panelů,ale 6-7 do série.A pak příjde stín a regl bude bláznit.Ty stíny Vás čekají v období,kdy potřebujete nejvíc účinnou výrobu ze všech panelů.Vřele doporučuji rozlousknout sílu měniče,vykombinovat kapacitu baterek na to a pak dle toho osadit regly samostatné ,nebo využít rovnou kombi stroje.Pokud bude stín na 1panelu v stringu ze sedmi panelů,je mimo všech sedm,pokud na stringu z dvou/třech/čtyřech to samé.V zimě dost důležité při nízkém slunci.
Naposledy upravil(a) marko250 dne pát dub 26, 2019 4:00 pm, celkem upraveno 2 x.
16kWp/JZ-50°/20xChaori 230 ,JV-90°/8xLeapton 650 + <JZ-90° /15xJAsolar / Mono 385, regl Midnite Classic 150<89A> , 1x EASUN <80A> a 1x EASUN <100A>,baterka 17s 54.4VDC LFP4/784Ah<uloží 42kWh>,ŠKATULE 11kW
- vlkazajac
- R.I.P.
- Příspěvky: 3479
- Registrován: úte čer 11, 2013 10:40 pm
- Reputace: 528
Re: Návrh hybridní FVE Strachotice
Tak toto vlakno je uz riadny ulet, do ktoreho sa dali zatiahnut slovutni harcovnici.
15+ kWp pre dvojclennu domacnost dava predpoklad uspesneho odstrihnutia od siete s viziou obcasneho nepodstatneho nedostatku. Nikto sa neunuva vytvorit model spotreby a vypocitat zmysluplnu potrebu bateriek. S tymito panelmi by som bez vahania siel do cisteho ostrova. Neriesil by som pretoky, zatazenie reglerov na 70-80 % ani dialkovy dohlad.
Proste zivot v Cdur, bez krizikov.
Samozrejme pwm.
15+ kWp pre dvojclennu domacnost dava predpoklad uspesneho odstrihnutia od siete s viziou obcasneho nepodstatneho nedostatku. Nikto sa neunuva vytvorit model spotreby a vypocitat zmysluplnu potrebu bateriek. S tymito panelmi by som bez vahania siel do cisteho ostrova. Neriesil by som pretoky, zatazenie reglerov na 70-80 % ani dialkovy dohlad.
Proste zivot v Cdur, bez krizikov.
Samozrejme pwm.
750 Wp, LS3024B, 18650 - 198P8S 30,4 V, Multiplus C 800 nonstop / všetky slabé spotrebiče
1950 Wp, 2 x LS3024B, VS2024N, olovo - 330 Ah / 24 V, Carspa 3000 sin deň / silné spotrebiče a ohrev TUV
5995 kWh za meničmi za posledné 2 roky.
1950 Wp, 2 x LS3024B, VS2024N, olovo - 330 Ah / 24 V, Carspa 3000 sin deň / silné spotrebiče a ohrev TUV
5995 kWh za meničmi za posledné 2 roky.
- marko250
- Příspěvky: 3466
- Registrován: ned led 12, 2014 7:41 pm
- Reputace: 525
- Lokalita: Hlučín
- Bydliště: Hlučín
Re: Návrh hybridní FVE Strachotice
Tak ve dvojko bych především postavil na zelené louce něco smysluplného,ono i to děvče jednou odejde z domu,ale zase nějaké starší může zahnízdit
.To ale není podstatou tématu,tou je hromada panelů a spousta střech s pažravými spotřebiči a návyky
.


16kWp/JZ-50°/20xChaori 230 ,JV-90°/8xLeapton 650 + <JZ-90° /15xJAsolar / Mono 385, regl Midnite Classic 150<89A> , 1x EASUN <80A> a 1x EASUN <100A>,baterka 17s 54.4VDC LFP4/784Ah<uloží 42kWh>,ŠKATULE 11kW
-
- Příspěvky: 171
- Registrován: ned dub 29, 2018 2:28 pm
- Reputace: 32
Re: Návrh hybridní FVE Strachotice
Přesně tak, ty střechy jsou fakt orientovaný dobře, zítra pokud nebude pršet tak nafotím aby bylo jasné o čem je řeč. Jinak zatím všem moc děkuji, musím to celé pročíst a promyslet ale jedno chci určitě jak napsal (Martin P) aby to byla "bytelná konstrukce FVE".
9× Jinko 225Wp + Siton210 + RPi(EmonHUb) = ohřev bojleru
http://193.165.151.70:5080/emoncms/Duke/bojler
http://193.165.151.70:5080/emoncms/Duke/bojler
- youda
- Příspěvky: 3155
- Registrován: stř dub 27, 2016 12:12 am
- Reputace: 961
Re: Návrh hybridní FVE Strachotice
Ahoj Duke,Duke píše:Ještě sem dám návrh pana Kolaříka na který bych také rád znal váš názor (a tímto mu za tento návrh děkuji).
1 ks - MPPT regulátor Victron SmartSolar 250/100 (string (1)+(2)+(3) 35 panelů
1 ks - MPPT regulátor Victron SmartSolar 250/100 (string (4)+(5)+(6) 30 panelů
Victron Multiplus 48V 5000VA + Venus GX + pro začátek 2 ks US300B
s tím že kdyby nestačilo použít další Multi s dalšími baterkami (baterký vždy minimálně jako výkon měniče)
mě se tento návrh líbí. Pozitivně hodnotím zejména toto:
- Funguje to na běžné 48V baterky
- Umí to hybridní i ostrovní režim
- Victron Multiplus lze krásně škálovat přidáváním dalších měničů
- S pomocí více těchto měničů dokážeš v budoucnu udělat výkonný 1f i 3f systém
- Umí to paralelní provoz více měničů i v ostrovním režimu
- Když spálíš nějaký regl, prostě koupíš nový
Připomínky:
1) Na začátek dobrý, ale stejně postupně přikoupíš další měniče a možná i ty regly. Takže už začni šetřit

2) Victron bude mít přetoky do DS. Pokud jej tedy nezapojíš jako ostrov.
3) Nevidím tam žádné zařízení na využití přebytků a omezení přetoků (GreenBono, Wattrouter, etc.)
Youdova ostrovní laboratoř 20kWp: https://youda.mypower.cz
- mypower.cz
- R.I.P.
- Příspěvky: 4905
- Registrován: pát bře 04, 2011 11:36 am
- Reputace: 522
Re: Návrh hybridní FVE Strachotice
Mmmm ... Pomalu bych chystal vypoved pro dodavatele elektrinyDuke píše:Jediné co je dané jsou panely, které už mám (82 ks).


-
- Příspěvky: 171
- Registrován: ned dub 29, 2018 2:28 pm
- Reputace: 32
Re: Návrh hybridní FVE Strachotice
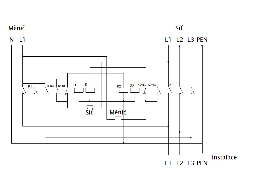
Zdravím,
konečně jsme s elektro-kamarádem prošli vaše příspěvky a než se dostanu k jádru tak jsem dostal zjebáno že vymýšlím měniče a nemám podchyceno přepínání sítě "až se to posere tak já to tady nebudu o půlnoci v rozvaděči přepojovat s čelovkou na hlavě"
takže jsem stvořil malý plánek na přepínání sítí a chtěl bych poprosit a Váše názory. Děkuji.
konečně jsme s elektro-kamarádem prošli vaše příspěvky a než se dostanu k jádru tak jsem dostal zjebáno že vymýšlím měniče a nemám podchyceno přepínání sítě "až se to posere tak já to tady nebudu o půlnoci v rozvaděči přepojovat s čelovkou na hlavě"

takže jsem stvořil malý plánek na přepínání sítí a chtěl bych poprosit a Váše názory. Děkuji.
9× Jinko 225Wp + Siton210 + RPi(EmonHUb) = ohřev bojleru
http://193.165.151.70:5080/emoncms/Duke/bojler
http://193.165.151.70:5080/emoncms/Duke/bojler
- youda
- Příspěvky: 3155
- Registrován: stř dub 27, 2016 12:12 am
- Reputace: 961
Re: Návrh hybridní FVE Strachotice
Tak to je snad logické, že si tam dáš přepínač sítí... to tady snad ani nikoho nenapadlo, že bys to mohl ne-udělat.
Kvalifikací jsem gynekolog, ale to schéma vypadá, že bude chodit. Minimálně to hned po zapojení nezačne hořet, takže asi dobrý.
Připomínky mám jen 3, ale ber je s rezervou:
- Nešlo by použít ještě další značku DIN přístrojů? Máš tam tam Moeller, ABB, Merlin, Eaton. Co třeba přidat ještě OEZ?
- Dražší přepínač sítí než ABB OT se hledá jen těžko. Ale když ho chceš, tak prosím.
- Pozitivně hodnotím, že propoje mezi rozvaděči máš vícežilovými kabely 4x6 a 4x10, viz zeleně níže. Ikdyž ty další žíly zatím nepotřebuješ, tak ty vícežilové kabely opravdu natáhni. Možná to nakonec rozšíříš na 3fázový systém (3x Victron 5kVA?) a dodatečné tahání kabelů by byl porod.
Tak s chutí do toho
Kvalifikací jsem gynekolog, ale to schéma vypadá, že bude chodit. Minimálně to hned po zapojení nezačne hořet, takže asi dobrý.
Připomínky mám jen 3, ale ber je s rezervou:
- Nešlo by použít ještě další značku DIN přístrojů? Máš tam tam Moeller, ABB, Merlin, Eaton. Co třeba přidat ještě OEZ?
- Dražší přepínač sítí než ABB OT se hledá jen těžko. Ale když ho chceš, tak prosím.
- Pozitivně hodnotím, že propoje mezi rozvaděči máš vícežilovými kabely 4x6 a 4x10, viz zeleně níže. Ikdyž ty další žíly zatím nepotřebuješ, tak ty vícežilové kabely opravdu natáhni. Možná to nakonec rozšíříš na 3fázový systém (3x Victron 5kVA?) a dodatečné tahání kabelů by byl porod.
Tak s chutí do toho

Youdova ostrovní laboratoř 20kWp: https://youda.mypower.cz
-
- Příspěvky: 171
- Registrován: ned dub 29, 2018 2:28 pm
- Reputace: 32
Re: Návrh hybridní FVE Strachotice
ad připomíniky:
1) tak je vidět že ten základ je tam před 10 lety udělán z Merlinu, z obce si na kanalizaci dodali a těch 380V ty sem tenkrát nechtěl měnit bo nebyly peníze, protože s kamarádem pracujeme hodně pro rakousko tak nové věci kupujeme výhradně eaton nebo schneider - oni nic jiného nechtějí kvůli vyměnitelnosti
2) to se k něčemu připíše
3) tady mě někdo odhalil
1) tak je vidět že ten základ je tam před 10 lety udělán z Merlinu, z obce si na kanalizaci dodali a těch 380V ty sem tenkrát nechtěl měnit bo nebyly peníze, protože s kamarádem pracujeme hodně pro rakousko tak nové věci kupujeme výhradně eaton nebo schneider - oni nic jiného nechtějí kvůli vyměnitelnosti
2) to se k něčemu připíše

3) tady mě někdo odhalil

9× Jinko 225Wp + Siton210 + RPi(EmonHUb) = ohřev bojleru
http://193.165.151.70:5080/emoncms/Duke/bojler
http://193.165.151.70:5080/emoncms/Duke/bojler
-
- Příspěvky: 8006
- Registrován: sob črc 19, 2014 8:56 pm
- Reputace: 1007
- Lokalita: severně od Brna
- Systémové napětí: 48V
- Výkon panelů [Wp]: 8kWp
- Kapacita baterie [kWh]: 12kWh
- Chci prodávat energii: NE
- Chci/Mám dotaci: NE
Re: Návrh hybridní FVE Strachotice
trochu netuším, k čemu je dobrej chránič na vstupu měniče. Tam stačí jistič a třívodičový připojení, tj L, N, PE.
Já osobně to má trochu jinak, a to tak, že přepínám před chrániči, tj instalace funguje na stejnej chránič jak ze sítě, tak z měniče. Takže za mě: obvody pro kanalizaci a míchačku nechat jak jsou, přepínač zapojit před fi, dát jistič na měnič taky bez fi, za přepínačem dát chráničů kolik je třeba, protože jeden chránič na celej barák je konstrukce z 80-tých let 20-tého století. Dneska je na běžnej RD instalováno 2-7chráničů, což odpovídá tomu, že když některej vypadne, nevypne se celej dům.
Já osobně to má trochu jinak, a to tak, že přepínám před chrániči, tj instalace funguje na stejnej chránič jak ze sítě, tak z měniče. Takže za mě: obvody pro kanalizaci a míchačku nechat jak jsou, přepínač zapojit před fi, dát jistič na měnič taky bez fi, za přepínačem dát chráničů kolik je třeba, protože jeden chránič na celej barák je konstrukce z 80-tých let 20-tého století. Dneska je na běžnej RD instalováno 2-7chráničů, což odpovídá tomu, že když některej vypadne, nevypne se celej dům.
ostrov skoro 8kWp neustále ve stádiu zrodu: smartshunt(ex WBJR), MPPT150/45, MPPT 250/100(ex midnitesolar 150 clasic lite), 16S a různě P cca 340Ah Winston, MP II 5000,( ex Powerjack 8kW, ex samodomo cca 4kW). 48V DC rozvody a spotřebiče.
-
- Příspěvky: 2061
- Registrován: sob bře 30, 2019 10:27 am
- Reputace: 370
- Lokalita: JV od pekla :)
- Systémové napětí: 48V
- Výkon panelů [Wp]: 5100
- Kapacita baterie [kWh]: 33
- Chci/Mám dotaci: NE
Re: Návrh hybridní FVE Strachotice
A není on to skutečně nakonec sice zavádějícím způsobem vypadající, ale přece jenom jistič?kodl69 píše:trochu netuším, k čemu je dobrej chránič na vstupu měniče. Tam stačí jistič a třívodičový připojení, tj L, N, PE.
Souhlas.kodl69 píše:Dneska je na běžnej RD instalováno 2-7chráničů, což odpovídá tomu, že když některej vypadne, nevypne se celej dům.
Možná by ještě stálo za to to přepínání zautomatizovat, ale uznávám, že sehnat přepínací čtyřpólový stykač není úplně jednoduché, minimálně já jsem žádný takový v katalozích nenašel a z menších to dělat je zbytečné riziko (jedno může být rychlejší než druhé, vznikne na pár desítek milisekund falešná nula a citlivější spotřebiče jsou na cestě do věčných lovišť) a udělat to přepínání časově řízené už je netriviální.
-
- Příspěvky: 171
- Registrován: ned dub 29, 2018 2:28 pm
- Reputace: 32
Re: Návrh hybridní FVE Strachotice
Ano na vstupu je jistič 1+N, opět vycházejme z toho že s kamarádem děláme pro rakousko a tam se vždy odpíná i nula, a jak to bývá tak občas taková věc prostě "zbyde"unicast píše:A není on to skutečně nakonec sice zavádějícím způsobem vypadající, ale přece jenom jistič?kodl69 píše:trochu netuším, k čemu je dobrej chránič na vstupu měniče. Tam stačí jistič a třívodičový připojení, tj L, N, PE.

9× Jinko 225Wp + Siton210 + RPi(EmonHUb) = ohřev bojleru
http://193.165.151.70:5080/emoncms/Duke/bojler
http://193.165.151.70:5080/emoncms/Duke/bojler
-
- Příspěvky: 8006
- Registrován: sob črc 19, 2014 8:56 pm
- Reputace: 1007
- Lokalita: severně od Brna
- Systémové napětí: 48V
- Výkon panelů [Wp]: 8kWp
- Kapacita baterie [kWh]: 12kWh
- Chci prodávat energii: NE
- Chci/Mám dotaci: NE
Re: Návrh hybridní FVE Strachotice
podle normy má být přepínání s nulovou polohou, s mechanickým a el blokováním kontaktů a min vzdáleností 4mm mezi kontakty. Takže dva samostatný stykače ne. To už raděj ten přepínač od číńana z aiexpresu, dělá sice melu, ale funguje automaticky a celkem rychle.
ostrov skoro 8kWp neustále ve stádiu zrodu: smartshunt(ex WBJR), MPPT150/45, MPPT 250/100(ex midnitesolar 150 clasic lite), 16S a různě P cca 340Ah Winston, MP II 5000,( ex Powerjack 8kW, ex samodomo cca 4kW). 48V DC rozvody a spotřebiče.
- youda
- Příspěvky: 3155
- Registrován: stř dub 27, 2016 12:12 am
- Reputace: 961
Re: Návrh hybridní FVE Strachotice
Já hlasuju buď pro manuální přepínač sítí I-0-II, což ten megalomanskej bazmek od ABB splňuje...
..nebo volím ultimátní "Kodlův přepínací automat ze stykačů se západkou":
..nebo volím ultimátní "Kodlův přepínací automat ze stykačů se západkou":
Youdova ostrovní laboratoř 20kWp: https://youda.mypower.cz
-
- Příspěvky: 8006
- Registrován: sob črc 19, 2014 8:56 pm
- Reputace: 1007
- Lokalita: severně od Brna
- Systémové napětí: 48V
- Výkon panelů [Wp]: 8kWp
- Kapacita baterie [kWh]: 12kWh
- Chci prodávat energii: NE
- Chci/Mám dotaci: NE
Re: Návrh hybridní FVE Strachotice
levnější než abb je hager, sice nevypadá tak pěkně, ale pěkně funguje: https://hlavni-vypinace.heureka.cz/hage ... akt-horem/#
ostrov skoro 8kWp neustále ve stádiu zrodu: smartshunt(ex WBJR), MPPT150/45, MPPT 250/100(ex midnitesolar 150 clasic lite), 16S a různě P cca 340Ah Winston, MP II 5000,( ex Powerjack 8kW, ex samodomo cca 4kW). 48V DC rozvody a spotřebiče.
- youda
- Příspěvky: 3155
- Registrován: stř dub 27, 2016 12:12 am
- Reputace: 961
Re: Návrh hybridní FVE Strachotice
Kámoš mi říkal, že se jim v práci osvědčily tyhle přepínače. Nikdo z jejich klientů si prý zatím nestěžoval...
Youdova ostrovní laboratoř 20kWp: https://youda.mypower.cz
-
- Příspěvky: 171
- Registrován: ned dub 29, 2018 2:28 pm
- Reputace: 32
Re: Návrh hybridní FVE Strachotice
ten vypadá že umí to samý a nemusel bych dokupovat ty extra kontakty na nulák po stovce, já to abb mám v nákupu za 1100,- bez + 2× 100,- za ty kontaky navíc ale zase mi příjde hezší a určitě "víc blbuvzdornější", todle ještě promyslím, díky za tipkodl69 píše:levnější než abb je hager, sice nevypadá tak pěkně, ale pěkně funguje: https://hlavni-vypinace.heureka.cz/hage ... akt-horem/#
9× Jinko 225Wp + Siton210 + RPi(EmonHUb) = ohřev bojleru
http://193.165.151.70:5080/emoncms/Duke/bojler
http://193.165.151.70:5080/emoncms/Duke/bojler
Kdo je online
Uživatelé prohlížející si toto fórum: Bing [Bot], Claudebot [Bot] a 0 hostů