9,6kwp Kyči
-
- Příspěvky: 17
- Registrován: ned pro 26, 2021 8:31 pm
- Reputace: 5
9,6kwp Kyči
Zdravím všechny fundované.
V letošním roce se chystám na stavbu 9,6kwp FVE (ano ukamenujte mě ale dodavatelsky)
Sice jsem si barák stavěl svépomocně, ale střechu a zateplenou fasádu ne, nemám rád výšky (máme bungalow ve svahu, na straně dole jsme nějakých 6m k hraně podbití střechy) viz foto:
Barák je v okresu Plzeň-město, novostavba bungalow s valbovou střechou, 2 stringy jeden defakto čistý jih, jeden jihozápad, sklon 27°. Roční spotřeba je 12MWh s tím že je to s el. kotlem Rejnok a ten je teď nahrazen TČ 1f 13A max load 1-5kW. Denní letní spotřeba s ohřevem TUV 125L 1f 2.2kw OKCE Boilerem je 13kW - samotný boiler si vezme 2-3kW denně. Máme bazén 18m3 který bych rád vyhříval bo ještě nemáme zastřešení (bude na to separátní TČ). Čerpadlo k bazénu má 550W a optimálně bych rád aby jelo 6-9h denně. Stálý odběr domu je cca 350W (Rack technická 80W, ČOV 60W, 2 lednice 100W, nějaké standby atd). Dále je v domě 3f indukce a klasika, pračka/myčka atd... Občas jedou 2 herní kompy /já a synátor, většinou jede 140W LED TV jako kulisa
Denní režim je bohužel klasický - žena jede v 5:45 do práce, doma je cca v 15h, já to mám trošku posunuté, od cca 7:30 do 17h+ (v zimě od nevidím do nevidím
)
Komponenty :
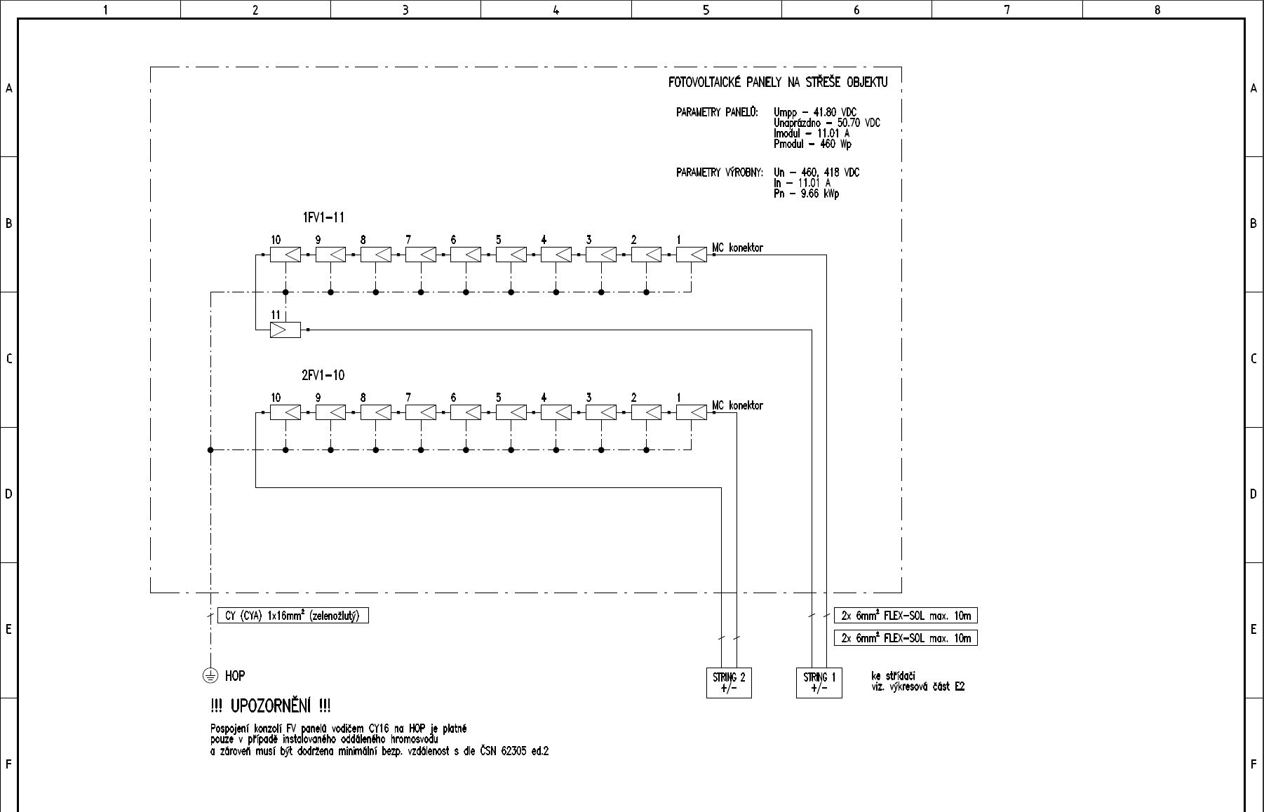
21KS EXE SOLAR A-HCM460/144 460Wp, GoodWE GW10K-ET + Pylontech Force H2 14.2 kWh
Projekt FVE : </br>
O co mi jde hlavně :
1) Pokud už do toho dám cca 0,5M tak to musí mít nějaký ekonomický smysl, ano chci si s tím hrát a koukat na grafy, ale ve výsledku pokud za tím nebude úspora, tak to pro mě nemá takový smysl, byť jsem pro zelenou budoucnost - ale která bude udržitelná.
2) V současné chvíli si užívám FIX u ČEZu již podruhé obnovovaný na 3 roky, za minulý rok činila faktura včetně všech poplatků za jističe atd 36 024,- tzn rozpočteno na kWh 3,03/kWh. To bych asi nerad měnil min do konce fixace, tzn další 2 roky.
3) Být ideálně 8-9 měsíců naprosto soběstačný, proto 14.2kWh baterie a 9,6kwp na střeše.
4) Moci si zvýšit "komfort" bydlení kdy jsem zapnul kotel až v listopadu a topil krbem abych ušetřil, s tím že teď jak je TČ a bude FVE tak bych ji rád přikrmoval z FVE pokud bude z čeho (osvit), dále vyhřívání bazénu, možná i nějaká těžba crypta pokud k tomu bude odvaha.
5) Dodavatel mi pořád tvrdí, že Wattrouter/Greenbono atd je pro mě zbytečné, že budu mít elektriky tolik že nebudu vedět kam s ní, což je vzhledem k 9,6kwp asi pravda, ale pokud nebude odběr, nebude výroba - chápu to správně.
6) Mám doma už vcelku rozsáhlý systém SH(Smart Home) - Fibaro, jsem schopen na dálku nebo dle nastavení i samozřejmě časově řídit pouštění spotřebičů, nicméně jsem s tím nepočítal při nákupu, takže jsou on/off a mám krásné měření spotřeby, ale bohužel jediné co umí je časovač, ale s tím se asi dá sžít. Nicméně bych asi v klidu mohl řídit minimálně boiler s HELTUN High Load Switch (HE-HLS01), Z-Wave relé modul 16A který má v sobě i teplotní čidlo, plus by samozřejmě zůstal fukční termostat na boileru aby nedošlo k přetopení. SSR relé by bylo samozřejmě asi nejlepší, že?
7) Dále mám objednán Qubino 3-Phase Smart Meter (ZMNHXD1) který by mi měl právě dávat údaje o výrobě/přebytcích do sítě, a na základě nějaké zvolené logiky by jsem měl být snad schopen pouštět přes smartplugy (dálkově ovládané zásuvky) právě čerpadlo bazénu, případně TČ pro bazén. - s tím souvisí že bych si měl velmi ale velmi ohlídat jednotlivou spotřebu na fázích aby nedošlo k bodu č: 8
8) Jak nejlépe zabezpečit u GW výrobu ale minimální přetoky. Dodavatel tvrdí, že pokud bude třeba z jedné fáze odběr 2000W (třeba rychlovarka), tak GW do zbylých 2 musí pustit třeba 300W na každou, a udělá to i když pojede v noci z baterek. Za denního svitu slunce mi to bude asi buřt, ale v noci to bude asi z dlouhodobého hlediska problém.
Předem všem děkuji za reakce, koncem února by měli nastoupit, tak bych měl rád vyřešené všechny nejasnosti nehledě na to že jsem raději připraven než překvapen a jsem si jist že se zde doberu mnoha informací.
V letošním roce se chystám na stavbu 9,6kwp FVE (ano ukamenujte mě ale dodavatelsky)

Barák je v okresu Plzeň-město, novostavba bungalow s valbovou střechou, 2 stringy jeden defakto čistý jih, jeden jihozápad, sklon 27°. Roční spotřeba je 12MWh s tím že je to s el. kotlem Rejnok a ten je teď nahrazen TČ 1f 13A max load 1-5kW. Denní letní spotřeba s ohřevem TUV 125L 1f 2.2kw OKCE Boilerem je 13kW - samotný boiler si vezme 2-3kW denně. Máme bazén 18m3 který bych rád vyhříval bo ještě nemáme zastřešení (bude na to separátní TČ). Čerpadlo k bazénu má 550W a optimálně bych rád aby jelo 6-9h denně. Stálý odběr domu je cca 350W (Rack technická 80W, ČOV 60W, 2 lednice 100W, nějaké standby atd). Dále je v domě 3f indukce a klasika, pračka/myčka atd... Občas jedou 2 herní kompy /já a synátor, většinou jede 140W LED TV jako kulisa

Denní režim je bohužel klasický - žena jede v 5:45 do práce, doma je cca v 15h, já to mám trošku posunuté, od cca 7:30 do 17h+ (v zimě od nevidím do nevidím

Komponenty :
21KS EXE SOLAR A-HCM460/144 460Wp, GoodWE GW10K-ET + Pylontech Force H2 14.2 kWh
Projekt FVE : </br>
O co mi jde hlavně :
1) Pokud už do toho dám cca 0,5M tak to musí mít nějaký ekonomický smysl, ano chci si s tím hrát a koukat na grafy, ale ve výsledku pokud za tím nebude úspora, tak to pro mě nemá takový smysl, byť jsem pro zelenou budoucnost - ale která bude udržitelná.
2) V současné chvíli si užívám FIX u ČEZu již podruhé obnovovaný na 3 roky, za minulý rok činila faktura včetně všech poplatků za jističe atd 36 024,- tzn rozpočteno na kWh 3,03/kWh. To bych asi nerad měnil min do konce fixace, tzn další 2 roky.
3) Být ideálně 8-9 měsíců naprosto soběstačný, proto 14.2kWh baterie a 9,6kwp na střeše.
4) Moci si zvýšit "komfort" bydlení kdy jsem zapnul kotel až v listopadu a topil krbem abych ušetřil, s tím že teď jak je TČ a bude FVE tak bych ji rád přikrmoval z FVE pokud bude z čeho (osvit), dále vyhřívání bazénu, možná i nějaká těžba crypta pokud k tomu bude odvaha.
5) Dodavatel mi pořád tvrdí, že Wattrouter/Greenbono atd je pro mě zbytečné, že budu mít elektriky tolik že nebudu vedět kam s ní, což je vzhledem k 9,6kwp asi pravda, ale pokud nebude odběr, nebude výroba - chápu to správně.
6) Mám doma už vcelku rozsáhlý systém SH(Smart Home) - Fibaro, jsem schopen na dálku nebo dle nastavení i samozřejmě časově řídit pouštění spotřebičů, nicméně jsem s tím nepočítal při nákupu, takže jsou on/off a mám krásné měření spotřeby, ale bohužel jediné co umí je časovač, ale s tím se asi dá sžít. Nicméně bych asi v klidu mohl řídit minimálně boiler s HELTUN High Load Switch (HE-HLS01), Z-Wave relé modul 16A který má v sobě i teplotní čidlo, plus by samozřejmě zůstal fukční termostat na boileru aby nedošlo k přetopení. SSR relé by bylo samozřejmě asi nejlepší, že?
7) Dále mám objednán Qubino 3-Phase Smart Meter (ZMNHXD1) který by mi měl právě dávat údaje o výrobě/přebytcích do sítě, a na základě nějaké zvolené logiky by jsem měl být snad schopen pouštět přes smartplugy (dálkově ovládané zásuvky) právě čerpadlo bazénu, případně TČ pro bazén. - s tím souvisí že bych si měl velmi ale velmi ohlídat jednotlivou spotřebu na fázích aby nedošlo k bodu č: 8
8) Jak nejlépe zabezpečit u GW výrobu ale minimální přetoky. Dodavatel tvrdí, že pokud bude třeba z jedné fáze odběr 2000W (třeba rychlovarka), tak GW do zbylých 2 musí pustit třeba 300W na každou, a udělá to i když pojede v noci z baterek. Za denního svitu slunce mi to bude asi buřt, ale v noci to bude asi z dlouhodobého hlediska problém.
Předem všem děkuji za reakce, koncem února by měli nastoupit, tak bych měl rád vyřešené všechny nejasnosti nehledě na to že jsem raději připraven než překvapen a jsem si jist že se zde doberu mnoha informací.
25x Trina Vertex S 390W (12x jih 13x jihozápad) - 9,75kWp, Goodwe 10 ET, 4x Pylontech H2 - 14,2kWh, IntelNUC s Homeassistentem, InfluxDB, Grafana, Fibaro HC3 atd 
https://pvoutput.org/list.jsp?userid=99204

https://pvoutput.org/list.jsp?userid=99204
-
- Příspěvky: 2118
- Registrován: pon lis 01, 2021 7:41 pm
- Reputace: 191
- Lokalita: MY, SR
- Výkon panelů [Wp]: 10200
- Kapacita baterie [kWh]: 28
- Bydliště: SR MY
Re: 9,6kwp Kyči
Vyjadrím sa k bodu 5.:
Ak budeš mať nabité batérie, všetka výroba pôjde zadarmo do siete. Preto je dôležité mať nejaké vyťažovanie, aby sa vyrobená elektrina presunula po nabití batérie napr. do bojleru. Pri sume, čo bude stáť táto FVE je suma za GB alebo wattrouter už zanedbateľná.
Ak budeš mať nabité batérie, všetka výroba pôjde zadarmo do siete. Preto je dôležité mať nejaké vyťažovanie, aby sa vyrobená elektrina presunula po nabití batérie napr. do bojleru. Pri sume, čo bude stáť táto FVE je suma za GB alebo wattrouter už zanedbateľná.
Victron ESS AC Coupling:
2,75kWp on-grid + 3,3kWp a 4,15kWp RS450/100 + MP2 5kVA + 2x 17x280Ah + JK BMS
2,75kWp on-grid + 3,3kWp a 4,15kWp RS450/100 + MP2 5kVA + 2x 17x280Ah + JK BMS
- Brbla
- Příspěvky: 261
- Registrován: čtv srp 08, 2019 3:44 pm
- Reputace: 72
Re: 9,6kwp Kyči
Mám něco podobného (9,3kWp/16,8kWh) a roční přínos byl 7,4MWh - zbytek zustal na střeše.
Když jsem to stavěl (bez dotatace), tak jsem to chtěl hned vyzkoušet a na papírování nějak nebyl čas ani chuť, tak jsem to zkusil jako poloostrov a u toho jsem nakonec zustal, jednak kvůli papírům, druhak kvůli tomu, že jsem opravdu, ale opravdu nechtěl pustit do sítě Čezákovi ani watík z baterek. Přetoky za celou dobu jsou čistá nula. Celou montáž jsme ve 2 lidech zvládli za 2 dni, asi tak tejden jsem to ladil. Je ale fakt, že to stále není uplně "učesané" a průběžně to doplňuju.
Hodnota materiálu takovédle sestavy byla a +/- stále je cca 300tis. bez DPH . Ten zbytek, co si objednatel zaplatí, je vata pro dodavatele, včetně dotace.
Já bych navrhoval jako první krok domluvit s dodavatelem co nejvědší rozvodnou skříň, ve které bude zatím navíc cca 20 volných pozic (stejně to bude málo). Domácí okruhy rozhoďte tak, aby jste měl předpřipravený 3F okruh, kde budou "nesnášenlivé" spotřebiče a spotřebiče s velkým odběrem a 3F okruh důležitých a "hodných" spotřebičů, který se pověsí na BackUp výstupy. Samozřejmě fáze na BackUp obsaďte tak, aby na každé z nich nepřesahoval odběr řekněme 3,3kW v nejhorším možné případě. Pak Vám nic nebrání v tom, aby jste v případě dostatečného příkonu na střeše odpojil svorky GW (simulace BlackOutu) a důležitou domácnost jel v režimu ostrov s tím, že krmení Čezáka z baterek je 0. Takhle mi to loni jelo od 4.4.2021 do 16.9.2021, vůbec nebylo nutno se připnout na Čezáka (připnutí/odepnutí mám automatické).
Když jsem to stavěl (bez dotatace), tak jsem to chtěl hned vyzkoušet a na papírování nějak nebyl čas ani chuť, tak jsem to zkusil jako poloostrov a u toho jsem nakonec zustal, jednak kvůli papírům, druhak kvůli tomu, že jsem opravdu, ale opravdu nechtěl pustit do sítě Čezákovi ani watík z baterek. Přetoky za celou dobu jsou čistá nula. Celou montáž jsme ve 2 lidech zvládli za 2 dni, asi tak tejden jsem to ladil. Je ale fakt, že to stále není uplně "učesané" a průběžně to doplňuju.
Hodnota materiálu takovédle sestavy byla a +/- stále je cca 300tis. bez DPH . Ten zbytek, co si objednatel zaplatí, je vata pro dodavatele, včetně dotace.
Já bych navrhoval jako první krok domluvit s dodavatelem co nejvědší rozvodnou skříň, ve které bude zatím navíc cca 20 volných pozic (stejně to bude málo). Domácí okruhy rozhoďte tak, aby jste měl předpřipravený 3F okruh, kde budou "nesnášenlivé" spotřebiče a spotřebiče s velkým odběrem a 3F okruh důležitých a "hodných" spotřebičů, který se pověsí na BackUp výstupy. Samozřejmě fáze na BackUp obsaďte tak, aby na každé z nich nepřesahoval odběr řekněme 3,3kW v nejhorším možné případě. Pak Vám nic nebrání v tom, aby jste v případě dostatečného příkonu na střeše odpojil svorky GW (simulace BlackOutu) a důležitou domácnost jel v režimu ostrov s tím, že krmení Čezáka z baterek je 0. Takhle mi to loni jelo od 4.4.2021 do 16.9.2021, vůbec nebylo nutno se připnout na Čezáka (připnutí/odepnutí mám automatické).
-
- Příspěvky: 277
- Registrován: pát kvě 09, 2014 8:11 pm
- Reputace: 14
Re: 9,6kwp Kyči
Ja mam zase stejnou cast s tim fibarem, posilam si do nej data z fotovoltaiky a podle toho ridim cely dum, zadny greenbono apod. Neni potreba
- Frenky
- Příspěvky: 863
- Registrován: pon led 21, 2013 6:36 pm
- Reputace: 148
- Lokalita: Doubravička
- Systémové napětí: 48V
- Výkon panelů [Wp]: 8700
- Kapacita baterie [kWh]: 25
- Chci prodávat energii: NE
- Chci/Mám dotaci: NE
- Bydliště: Doubravička
Re: 9,6kwp Kyči
Potřeboval bych pomoci s tím Fibarem. Poslal jsem SZ. Díkdub042 píše:Ja mam zase stejnou cast s tim fibarem, posilam si do nej data z fotovoltaiky a podle toho ridim cely dum, zadny greenbono apod. Neni potreba
24x Solární panel JINKO SOLAR 225 Pmpp=225W, 2x Regulátor STUDER VT-80, 2x Střídač Studer XTM 4000-48, BSP, RCC, 1x AKU 48V LFP200Ah 1x AKU 48 V LFP280Ah. Řizení a dohled, SDS, vlastní vyčítání arduinem DUE v krabičce (ARMOSY), export dat do RPi s databází a html stránkou.
http://95.85.214.80, viewtopic.php?t=4809
http://95.85.214.80, viewtopic.php?t=4809
-
- Příspěvky: 17
- Registrován: ned pro 26, 2021 8:31 pm
- Reputace: 5
Re: 9,6kwp Kyči
Mohl by jste sem dát nějaké myšlenky ohledně Fibara? Už jsem zakoupil highload switch s teplotním čidlem které hodlám implementovat do Fibara a Qubino Smart Meter kterým chci právě řídit logiku ve Fibaru (mám nabité baterky, svítí, je výroba pustím bojler, případně cerpadlo bazénu případně separátní TČ na bazén atd) zajímalo by mě to hodně, děkuji za sdilnostdub042 píše:Ja mam zase stejnou cast s tim fibarem, posilam si do nej data z fotovoltaiky a podle toho ridim cely dum, zadny greenbono apod. Neni potreba
25x Trina Vertex S 390W (12x jih 13x jihozápad) - 9,75kWp, Goodwe 10 ET, 4x Pylontech H2 - 14,2kWh, IntelNUC s Homeassistentem, InfluxDB, Grafana, Fibaro HC3 atd 
https://pvoutput.org/list.jsp?userid=99204

https://pvoutput.org/list.jsp?userid=99204
-
- Příspěvky: 277
- Registrován: pát kvě 09, 2014 8:11 pm
- Reputace: 14
Re: 9,6kwp Kyči
Nic slozityho,ve fibaru hlidam napeti baterie a podle toho automaticky zapinam bojler a podlahova topeni(uhlikove folie) v jednotlivych pokojich a tep.cerp. Nezavisle pak ridim ostatni veci podle slun.svitu jako treba vnejsi zaluzie nebo osvetleni schodiste v dome.
Mam cisty ostrov, teplo drevem,vareni plynem, od unora uz komplet vse pokryji fotovoltaikou
Mam cisty ostrov, teplo drevem,vareni plynem, od unora uz komplet vse pokryji fotovoltaikou
-
- Příspěvky: 17
- Registrován: ned pro 26, 2021 8:31 pm
- Reputace: 5
Re: 9,6kwp Kyči
Podle slunečního svitu to mě zajímá, Netamo? Nebo OpenWeather přes API?
25x Trina Vertex S 390W (12x jih 13x jihozápad) - 9,75kWp, Goodwe 10 ET, 4x Pylontech H2 - 14,2kWh, IntelNUC s Homeassistentem, InfluxDB, Grafana, Fibaro HC3 atd 
https://pvoutput.org/list.jsp?userid=99204

https://pvoutput.org/list.jsp?userid=99204
-
- Příspěvky: 277
- Registrován: pát kvě 09, 2014 8:11 pm
- Reputace: 14
Re: 9,6kwp Kyči
No ono to neni primo podle svitu,i kdyz by se dalo poznat poznat podle vykonu panelu, ale fibaro ma globalni promene sunset a sunrise, pak spolecne s fibarackym cidlem pohybu osvetluju schody,kdyz na ne v noci nekdo vkroci, jinak ty cidla pohybu meri zaroven i teplotu, tak i osvetleni,podle toho se da taky neco ovladat
-
- Příspěvky: 17
- Registrován: ned pro 26, 2021 8:31 pm
- Reputace: 5
Re: 9,6kwp Kyči
Tak to pak jo, ty senzory jsou u mě akorát na cestě od soudruhů v Číně (NEO) já myslel že to je vychytanější (čidlo osvitu u panelů na střeše)
Mě hlavně zajímá jak vyčítat ideálně do Fibara Goodwe 10, pokud bych to vyčítal z API SEMSu tak to bude pomalé (zpožděné), tam by to chtělo live replikaci mezi měničem a Fibarem v řádu sekund ne 15m jako u SEEMSu.

25x Trina Vertex S 390W (12x jih 13x jihozápad) - 9,75kWp, Goodwe 10 ET, 4x Pylontech H2 - 14,2kWh, IntelNUC s Homeassistentem, InfluxDB, Grafana, Fibaro HC3 atd 
https://pvoutput.org/list.jsp?userid=99204

https://pvoutput.org/list.jsp?userid=99204
-
- Příspěvky: 277
- Registrován: pát kvě 09, 2014 8:11 pm
- Reputace: 14
Re: 9,6kwp Kyči

Jako prostrednik by bylo nejaky arduino, idealne s wifi
-
- Příspěvky: 92
- Registrován: ned říj 15, 2017 11:50 am
- Reputace: 6
- Lokalita: Benešov
- Systémové napětí: 48V
- Výkon panelů [Wp]: 11900
- Kapacita baterie [kWh]: 19,6
- Chci prodávat energii: NE
- Chci/Mám dotaci: NE
Re: 9,6kwp Kyči
Mohu se zeptat, čím je ve fibaru hlídáno napětí baterie/vytěžování? Do budoucna nad fibarem taky uvažuju.dub042 píše:Nic slozityho,ve fibaru hlidam napeti baterie a podle toho automaticky zapinam bojler a podlahova topeni(uhlikove folie) v jednotlivych pokojich a tep.cerp. Nezavisle pak ridim ostatni veci podle slun.svitu jako treba vnejsi zaluzie nebo osvetleni schodiste v dome.
Mam cisty ostrov, teplo drevem,vareni plynem, od unora uz komplet vse pokryji fotovoltaikou
11,9 kWp (J+JZ+SV), AKU Lion 14s -385 Ah (19,6 kWh).
MPP Solar PIP 5048MS, 2 x Epever Ipower Plus 5000.
Vytěžování: kaskáda 3 x Kybosův vytěžovač + Athom Homey (smart home).
Monitoring FVE pomocí Athom Homey Pro.
MPP Solar PIP 5048MS, 2 x Epever Ipower Plus 5000.
Vytěžování: kaskáda 3 x Kybosův vytěžovač + Athom Homey (smart home).
Monitoring FVE pomocí Athom Homey Pro.
-
- Příspěvky: 277
- Registrován: pát kvě 09, 2014 8:11 pm
- Reputace: 14
Re: 9,6kwp Kyči
No mám horní hranici 55V, kdy se začínají odpojovat regulátory.
Mám to podle priorit
napětí vyšší jak 54 - fibaro pošle příkaz k zapnutí plugu ( zásuvky) na bojler, při 53v vypíná
napětí vyšší jak 54.3 - fibaro sepne plug podlahového topení v obývacím pokoji - pokles pod 53.9 vypne
atd....
samozřejmě je to ještě podmíněné teplotou pokoji, abych neměl přetopeno atd. s fibarem jsou dělat psí kousky...
Mám to podle priorit
napětí vyšší jak 54 - fibaro pošle příkaz k zapnutí plugu ( zásuvky) na bojler, při 53v vypíná
napětí vyšší jak 54.3 - fibaro sepne plug podlahového topení v obývacím pokoji - pokles pod 53.9 vypne
atd....
samozřejmě je to ještě podmíněné teplotou pokoji, abych neměl přetopeno atd. s fibarem jsou dělat psí kousky...
-
- Příspěvky: 17
- Registrován: ned pro 26, 2021 8:31 pm
- Reputace: 5
Re: 9,6kwp Kyči
Kiksa bych řekl že to myslel jak přímo, tzn jestli přes QA nebo přímo přes nějaké RJ485-UDP rozhraní
25x Trina Vertex S 390W (12x jih 13x jihozápad) - 9,75kWp, Goodwe 10 ET, 4x Pylontech H2 - 14,2kWh, IntelNUC s Homeassistentem, InfluxDB, Grafana, Fibaro HC3 atd 
https://pvoutput.org/list.jsp?userid=99204

https://pvoutput.org/list.jsp?userid=99204
-
- Příspěvky: 92
- Registrován: ned říj 15, 2017 11:50 am
- Reputace: 6
- Lokalita: Benešov
- Systémové napětí: 48V
- Výkon panelů [Wp]: 11900
- Kapacita baterie [kWh]: 19,6
- Chci prodávat energii: NE
- Chci/Mám dotaci: NE
Re: 9,6kwp Kyči
Přesně tak. Spíš by mě zajímalo, čím se dá fyzicky měřit napětí baterie - jestli to jde po komunikaci s měničem nebo nějakým extra kompatibilním snímačem s nějakým převodníkem? Asi je to hloupý dotaz, protože jsem na možnosti ještě moc nekoukal, jen jsem někde četl, že měření DC napětí baterie 48V je poměrně komplikované...
11,9 kWp (J+JZ+SV), AKU Lion 14s -385 Ah (19,6 kWh).
MPP Solar PIP 5048MS, 2 x Epever Ipower Plus 5000.
Vytěžování: kaskáda 3 x Kybosův vytěžovač + Athom Homey (smart home).
Monitoring FVE pomocí Athom Homey Pro.
MPP Solar PIP 5048MS, 2 x Epever Ipower Plus 5000.
Vytěžování: kaskáda 3 x Kybosův vytěžovač + Athom Homey (smart home).
Monitoring FVE pomocí Athom Homey Pro.
-
- Příspěvky: 277
- Registrován: pát kvě 09, 2014 8:11 pm
- Reputace: 14
Re: 9,6kwp Kyči
napětí baterky,stejně tak i proudy přes bočníky, co jdou do baterky, nebo ven z baterky,měřím ESP8266 + ads1115, data do fibara posílám přes wifi, resp. fibaro se dotazuje do ESP.
-
- Příspěvky: 17
- Registrován: ned pro 26, 2021 8:31 pm
- Reputace: 5
Re: 9,6kwp Kyči
Včera večer spuštěno,
dnes totální hnus, mléko se slabým světlem ale je vidět že moje úvaha (narvi na střechu co můžeš) se ukazuje zatím jako naprosto správná - 600W
Při představě že bych si naběhl s nějakou "CTRL+C a CTRL+V) nabídkou od firem - 5,9kwp a 11kW v baterkách abych na ty baterky jen smutně koukal jak do nich nic neleze, to bych si trhal vlasy...
Ještě doplním že integrace Goodwe do Homeassistenta je pecková, včera jsem to za pár minut uchodil.
dnes totální hnus, mléko se slabým světlem ale je vidět že moje úvaha (narvi na střechu co můžeš) se ukazuje zatím jako naprosto správná - 600W
Při představě že bych si naběhl s nějakou "CTRL+C a CTRL+V) nabídkou od firem - 5,9kwp a 11kW v baterkách abych na ty baterky jen smutně koukal jak do nich nic neleze, to bych si trhal vlasy...
Ještě doplním že integrace Goodwe do Homeassistenta je pecková, včera jsem to za pár minut uchodil.
25x Trina Vertex S 390W (12x jih 13x jihozápad) - 9,75kWp, Goodwe 10 ET, 4x Pylontech H2 - 14,2kWh, IntelNUC s Homeassistentem, InfluxDB, Grafana, Fibaro HC3 atd 
https://pvoutput.org/list.jsp?userid=99204

https://pvoutput.org/list.jsp?userid=99204
-
- Příspěvky: 73
- Registrován: pon říj 05, 2020 11:28 pm
- Reputace: 12
Re: 9,6kwp Kyči
Zdravím, s tímto se poměrně slušně peru - potřeboval bych poradit se zapojením modulů + SW. Bylo by možné poskytnout tyto informace?dub042 píše:napětí baterky,stejně tak i proudy přes bočníky, co jdou do baterky, nebo ven z baterky,měřím ESP8266 + ads1115, data do fibara posílám přes wifi, resp. fibaro se dotazuje do ESP.
Díky
Miloš
2x 11s panelů 310Wp, Axpert MAX 7200, baterie LiFePo4 3p16s 360 Ah.
-
- Příspěvky: 17
- Registrován: ned pro 26, 2021 8:31 pm
- Reputace: 5
Re: 9,6kwp Kyči
Včera rekord, v peaku jsme měli 6,5kw, ale celková denní výroba byla "jen" 12,8kwh, měli jsem dost oblačnosti, dnes to vypadá lépe, obloha vymetená, tak jsem zvědav.
2 pračky, baterka nabitá doplna
, paráda.

2 pračky, baterka nabitá doplna



25x Trina Vertex S 390W (12x jih 13x jihozápad) - 9,75kWp, Goodwe 10 ET, 4x Pylontech H2 - 14,2kWh, IntelNUC s Homeassistentem, InfluxDB, Grafana, Fibaro HC3 atd 
https://pvoutput.org/list.jsp?userid=99204

https://pvoutput.org/list.jsp?userid=99204
-
- Příspěvky: 17
- Registrován: ned pro 26, 2021 8:31 pm
- Reputace: 5
Re: 9,6kwp Kyči
Ještě detail výroby z 12.2.
25x Trina Vertex S 390W (12x jih 13x jihozápad) - 9,75kWp, Goodwe 10 ET, 4x Pylontech H2 - 14,2kWh, IntelNUC s Homeassistentem, InfluxDB, Grafana, Fibaro HC3 atd 
https://pvoutput.org/list.jsp?userid=99204

https://pvoutput.org/list.jsp?userid=99204
Kdo je online
Uživatelé prohlížející si toto fórum: Amazon [Bot], Claudebot [Bot], SiteExplorer [Bot] a 1 host