Přepínač sítí wifi
Souhrn tématu
Diskuze se věnuje přepínačům sítí wifi používaným ve fotovoltaických systémech pro efektivní přepínání mezi solární energií a distribuční sítí. Uživatelé sdílejí zkušenosti s různými typy stykačů a automatickými přepínači, které lze ovládat vzdáleně přes wifi aplikace jako Ewelink. Výhody zahrnují rychlé přepnutí, signalizaci výpadku napětí a možnost přizpůsobení podle počasí, což zvyšuje spolehlivost a komfort provozu.
- dracekvo
- Příspěvky: 1937
- Registrován: čtv zář 13, 2012 4:35 pm
- Reputace:155
Re: Přepínač sítí wifi
No, stykač s blokací jedna věc překoná. A to střídač, který již přepínání sítí má integrovaný 
A jak píšete souhlasím s tím, že pokud přepínám sítě, tak tam stykač bez mechanické blokace nemá co pohledávat.
Přepínače hvězda trojúhelník jsou taky mechanicky blokovaný, jinak by se jednou stalo pěkný bum
A jak píšete souhlasím s tím, že pokud přepínám sítě, tak tam stykač bez mechanické blokace nemá co pohledávat.
Přepínače hvězda trojúhelník jsou taky mechanicky blokovaný, jinak by se jednou stalo pěkný bum
- střídač_N
- Příspěvky: 702
- Registrován: sob říj 21, 2017 2:22 pm
- Reputace:117
Re: Přepínač sítí wifi - oprava
Filipe probůh já to nemyslím jako kritiku Jsem si vědom, že systém má nějaké možnosti a nějaké nemožnosti. Možná že jen neznám vhodnější možnosti vyhledávání.mypower.cz píše:......A jak by jste si to hledani predstavoval......
Osobně, kdybych si dal tu práci, tak to jisto jistě i najdu, neb si to pamatuji dokonce i z kontextu, leč neznalý by musel projít několik sekcí a jelikož neví že to tam někde je, tak to nemá šanci ani najít, což je tak trošku pro dotazatele WIFI omluva.
- mobilik
- Příspěvky: 2677
- Registrován: úte úno 04, 2014 9:06 am
- Reputace:266
- Bydliště: Neďaleko Košic (SR)
Re: Přepínač sítí wifi
Jediná možnosť je urobiť príspevok kde bude zoznam aspoň najdôležitejších tém.
Ale stým je práce a práce...
Ale stým je práce a práce...
Najprv sa učíme chodiť a hovoriť, neskôr sa učíme sedieť a držať hubu... :stupidme:
Hybridná FVE dom: 6,3kWp, Victron Energy, 12kWh Pylontech+GB-Aku
On-Grid FVE dom: 3,6kWp, FRONIUS AC Coupling+VB
OFF-Grid FVE chata: 1,5kWp, Axpert, PCM, 200Ah/24V 18650
Hybridná FVE dom: 6,3kWp, Victron Energy, 12kWh Pylontech+GB-Aku
On-Grid FVE dom: 3,6kWp, FRONIUS AC Coupling+VB
OFF-Grid FVE chata: 1,5kWp, Axpert, PCM, 200Ah/24V 18650
- kybos
- Příspěvky: 2837
- Registrován: sob zář 08, 2012 10:40 pm
- Reputace:522
- Lokalita: Šternberk
- Systémové napětí: 48V
- Výkon panelů [Wp]: 15000
- Kapacita baterie [kWh]: 40
- Bydliště: v údolí mezi kopci
Re: Přepínač sítí wifi
Myslím si, že je to dobré řešení a osobně jej používám v zimním období také. Třífázová nabíječka 4,8kW blokovaná signálem NT s účinností 91% mi zajišťuje hladký přechod mezi zdroji energie. Boost mám nastaven na 54,4 V a vzhledem k třífázovému čtyřmodulovému provedení mohu alespoň nahrubo rozdělit výkon spotřebovávaný z jednotlivých fází aby nedocházelo ke kolizi při souběhu s velkými spotřebiči, které bývají v době nedostatku slunečního svitu přepnuté přímo na distribuční síť.Jozef51 píše:Osobne budem tento problem asi riesit inak - s prodlevou 0s a bez rele-stykacov. Nabijackou 54.5V/1.2-1.8kW v case NT.
15 kWp JJZ + 3x Tristar MPPT60 + Victron 150/100 + 48V LiFePO 850 Ah + UPS 8kW (MPP-Solar 8048 LC) + 4 x nabíječka 1,2 kW (DELTA) Start: 2012
- mypower.cz
- R.I.P.
- Příspěvky: 4895
- Registrován: pát bře 04, 2011 11:36 am
- Reputace:522
Re: Přepínač sítí wifi - oprava
Ja jsem v podstate nijak jinak nedal dohromady ty temata o prepinani siti, nez jak pise dracekvo vyse, coz je metoda, kterou taky docela casto pouzivam, tedy: http://bfy.tw/KrDY . A mam pocit ze Vatin prispevek bude nekde v "Obvod pro přepínání UPS na ČEZ".střídač_N píše:Filipe probůh já to nemyslím jako kritiku Jsem si vědom, že systém má nějaké možnosti a nějaké nemožnosti. Možná že jen neznám vhodnější možnosti vyhledávání.mypower.cz píše:......A jak by jste si to hledani predstavoval......
Osobně, kdybych si dal tu práci, tak to jisto jistě i najdu, neb si to pamatuji dokonce i z kontextu, leč neznalý by musel projít několik sekcí a jelikož neví že to tam někde je, tak to nemá šanci ani najít, což je tak trošku pro dotazatele WIFI omluva.
- kybos
- Příspěvky: 2837
- Registrován: sob zář 08, 2012 10:40 pm
- Reputace:522
- Lokalita: Šternberk
- Systémové napětí: 48V
- Výkon panelů [Wp]: 15000
- Kapacita baterie [kWh]: 40
- Bydliště: v údolí mezi kopci
Re: Přepínač sítí wifi
Já věřím víc DC couplingu, jelikož "vycvičené" stykače v historických konstrukcích výrobních strojů již několik desítek let vyměňuji. Mají jistě své výhody ale mají také konečnou životnost na kterou je potřeba brát ohled zejména pokud spínají nějakou jalovinu. K něčemu jsou také dobré. Kdyby je konstruktéři nepoužívali, neměl bych co na práci. Oproti složité elektronice se celkem snadno opravují (výměnou).střídač_N píše:Něčemu věřit musíme, neb nic jiného ani nemáme.
Stykače jsou na tento pohyb cvičeny a jelikož se používají desítky let s úspěchem, tak i vycvičeny. Smiřme se s tím, že stykače s blokací nic v současnosti nenahradí a pokud se chceme pustit do vymýšlení kola, směle do toho.
15 kWp JJZ + 3x Tristar MPPT60 + Victron 150/100 + 48V LiFePO 850 Ah + UPS 8kW (MPP-Solar 8048 LC) + 4 x nabíječka 1,2 kW (DELTA) Start: 2012
- rimi
- Příspěvky: 390
- Registrován: čtv říj 13, 2011 10:45 am
- Reputace:23
- Bydliště: Příbor
Re: Přepínač sítí wifi
Vatino prepinani je popsano primo v jejim "Ostrov 950Wp Pernštejnsko, trvale obydlená chata"
- vata
- Příspěvky: 1407
- Registrován: pon zář 12, 2011 11:32 am
- Reputace:93
Re: Přepínač sítí wifi
Hledá se tu opravdu blbě, o tom žádná
Pokud by se objektům (příspěvky, obrázky, schemata, grafy) dala dát nějaká metadata a umožnit hledat i podle nich, bylo by to pohodnější.
Schema jsem našla u sebe a zde je: Připomínám, že schema vzniklo na základě diskuzí a rad daleko poučenějších lidí než jsem já. Přepínač je realizovaný u mě 1:1 vůči schematu a bez jakékoliv poruchy vesele přepíná už hezký ten pátek.
Schema jsem našla u sebe a zde je: Připomínám, že schema vzniklo na základě diskuzí a rad daleko poučenějších lidí než jsem já. Přepínač je realizovaný u mě 1:1 vůči schematu a bez jakékoliv poruchy vesele přepíná už hezký ten pátek.
Inteligentní ostrov - www.vati.cz
- tomas
- Příspěvky: 2579
- Registrován: pon bře 07, 2011 11:05 am
- Reputace:243
- Bydliště: Třinec
Re: Přepínač sítí wifi
Nedávno jsem dělal rekonstrukci rozvodny v nemocnici kde měli dvě 22kV linky od ČEZ Distribuce a jednu 6kV linku od místního lokálního distributora a dále jako záložní generátor byla použita spalovací turbína 120kWe ze 70 let (stále funkční a spolehlivá se startem do 30s) na naftu prý z MiGu. A přepínaní mezi všemi zdroji měli na NN straně pouze s jističi 2000A s motorovými pohony bez mechanické blokace i s možným ručním pohonem. Ještě než jsme zprovoznili automatiku, tak jsme to několikrát ručně přepínali a byly to docela nervy. A ty starty turbíny byly taky úžasné až jsem z toho měl husí kůži a chtěl to domů
Přitom to byl kužel cca 50cm dlouhý a cca 60cm v největším průměru. Kolega natočil video, musím ho poprosit o to a vystavím to někde na netu.
Chci elektrárnu s licencí a s prodejem přebytků nebo komunitní výměnou energie: ANO
- kodl69
- Příspěvky: 8365
- Registrován: sob črc 19, 2014 8:56 pm
- Reputace:1073
- Lokalita: severně od Brna
- Systémové napětí: 48V
- Výkon panelů [Wp]: 8kWp
- Kapacita baterie [kWh]: 12kWh
- Chci prodávat energii: NE
- Chci/Mám dotaci: NE
Re: Přepínač sítí wifi
Spalovací komoru z migu používají na testy turbín ve velké Bíteši, v PBS turbo. Nevypadalo to jako extra složitá technologie...
moje řešení taky přepíná už nějakej pátek, a je to z 3f na 1f měnič a zpět:
https://forum.mypower.cz/viewtopic.php?f ... kou#p37436 má to tu výhodu, že při stykačích se západkou stačí jenom impuls pro přepnutí, ne trvalej odběr. Ale kdybych to dělal znovu, koupím ten výše uváděnej čínskej motorovej přepínač a není co řešit.
Logika přepínání je jednoduchá - když jede měnič, přepne se na něj, a když nejede, přepne se na síť. Potom stačí přes wifi ovládat zapnutí měniče, nic víc.
To Kybos: stykač, co spíná každejch 5s po dobu 10 let je až tecnickej zázrak, že to vydrží. Ale v mým přepínači, kde ho drží aretační západka, takže ani nehřeje cívka, je předpokládaná životnost omezena životností plastů, z kterých je stykač a izolace drátů okolo, což může být srovnatelný s životností stavby...
moje řešení taky přepíná už nějakej pátek, a je to z 3f na 1f měnič a zpět:
https://forum.mypower.cz/viewtopic.php?f ... kou#p37436 má to tu výhodu, že při stykačích se západkou stačí jenom impuls pro přepnutí, ne trvalej odběr. Ale kdybych to dělal znovu, koupím ten výše uváděnej čínskej motorovej přepínač a není co řešit.
Logika přepínání je jednoduchá - když jede měnič, přepne se na něj, a když nejede, přepne se na síť. Potom stačí přes wifi ovládat zapnutí měniče, nic víc.
To Kybos: stykač, co spíná každejch 5s po dobu 10 let je až tecnickej zázrak, že to vydrží. Ale v mým přepínači, kde ho drží aretační západka, takže ani nehřeje cívka, je předpokládaná životnost omezena životností plastů, z kterých je stykač a izolace drátů okolo, což může být srovnatelný s životností stavby...
ostrov skoro 8kWp neustále ve stádiu zrodu: smartshunt(ex WBJR), MPPT150/45, MPPT 250/100(ex midnitesolar 150 clasic lite), 16S a různě P cca 340Ah Winston, MP II 5000,( ex Powerjack 8kW, ex samodomo cca 4kW). 48V DC rozvody a spotřebiče.
- gupa
- Příspěvky: 3811
- Registrován: sob pro 29, 2012 10:22 pm
- Reputace:173
- Lokalita: pod Brnem
- Systémové napětí: 24V
Re: Přepínač sítí wifi
Napadají jako inspirace jaký stykač pro přepínače sítí kvůli četnosti sepnutí stakače pro svářecí stroje.
Kdysi jsem objednával pro známého stykač pro Fronius 4000 VarioSynergic, stroje jsou to docela vytěžované a kupodivu bylo nutné objednat českej bílej stykač. C50.11 42V http://www.epm.cz/produkty-c50-11-42v-5 ... etail-6375 .
Kdysi jsem objednával pro známého stykač pro Fronius 4000 VarioSynergic, stroje jsou to docela vytěžované a kupodivu bylo nutné objednat českej bílej stykač. C50.11 42V http://www.epm.cz/produkty-c50-11-42v-5 ... etail-6375 .
3x2000VA-VMP-par, NiCd 24V, 22x210-320Wp, 2x85A-VMPPT, ABC-&-XYZ mypower.czAť ti to běží jako hodinky na baterku s čerstvou expirací! Zdejší slova: To by bylo, abychom na tom šetření nevydělali!
- rimi
- Příspěvky: 390
- Registrován: čtv říj 13, 2011 10:45 am
- Reputace:23
- Bydliště: Příbor
Re: Přepínač sítí wifi
Zajimavy prepinac (rychlost, spotreba v klidu 0) je i tu:
https://radin2015.en.made-in-china.com/ ... -ATS-.html
Maji ruzne typy, no doprava tohohle nejlevnejsiho stoji 100$ (cenz z cervna 2018), mozna kdyby nas bylo vic, ze by se postovne snizilo.
https://radin2015.en.made-in-china.com/ ... -ATS-.html
Maji ruzne typy, no doprava tohohle nejlevnejsiho stoji 100$ (cenz z cervna 2018), mozna kdyby nas bylo vic, ze by se postovne snizilo.
- tranzistor
- Příspěvky: 23
- Registrován: stř lis 16, 2016 10:35 am
- Reputace:0
Re: Přepínač sítí wifi
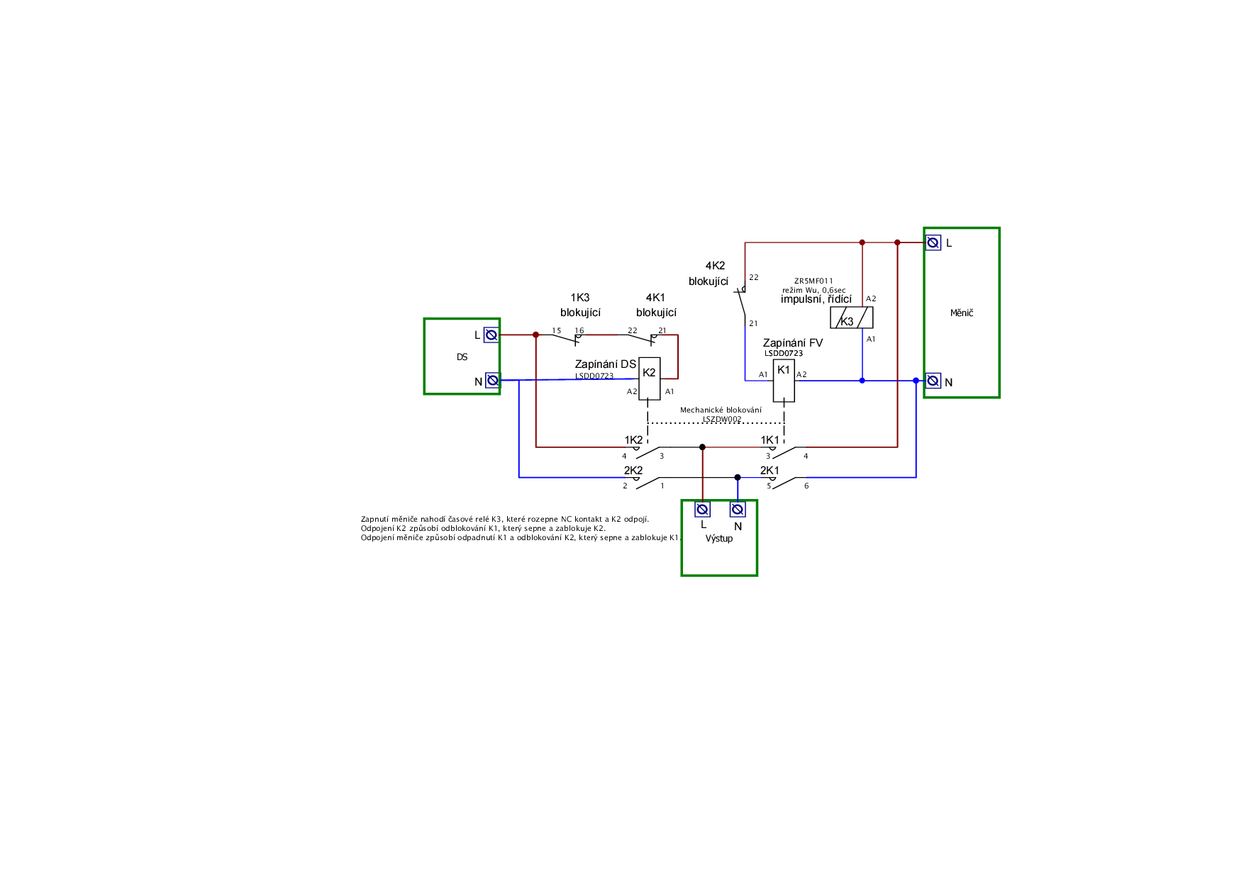
Zdravím. Reagují na kritiku ohledně možného slepení kontaktu relé. Upravil jsem schéma a myslím si, že touto úpravou,
by nemělo dojít ke spojení fází sítě a měniče. S pozdravem.
by nemělo dojít ke spojení fází sítě a měniče. S pozdravem.
- Přílohy
Přepínač sítí- úprava.pdf- (597.82 KiB) Staženo 513 x
- kodl69
- Příspěvky: 8365
- Registrován: sob črc 19, 2014 8:56 pm
- Reputace:1073
- Lokalita: severně od Brna
- Systémové napětí: 48V
- Výkon panelů [Wp]: 8kWp
- Kapacita baterie [kWh]: 12kWh
- Chci prodávat energii: NE
- Chci/Mám dotaci: NE
Re: Přepínač sítí wifi
Tohle pořád není dobrý, to blokování musí být na úrovni cívek stykačů a mechanicky. Asi si fakt kup ten přepínač od čínana, tou wifi ovládej zapínání měniče a je to hotový. to tovoje řešení je fakt na průser, a jestli nechápeš proč, tak ten průser brzo nastane. tady je celá stránka přepínačů https://www.aliexpress.com/wholesale?ca ... fer+Switch
ostrov skoro 8kWp neustále ve stádiu zrodu: smartshunt(ex WBJR), MPPT150/45, MPPT 250/100(ex midnitesolar 150 clasic lite), 16S a různě P cca 340Ah Winston, MP II 5000,( ex Powerjack 8kW, ex samodomo cca 4kW). 48V DC rozvody a spotřebiče.
- tomas
- Příspěvky: 2579
- Registrován: pon bře 07, 2011 11:05 am
- Reputace:243
- Bydliště: Třinec
Re: Přepínač sítí wifi
Ten z aliexpress vypadá že je to nějaká nástavba na dva klasické jističe které to ovládá jedním motorem. Problém ale může nastat pokud se ta jedna ovládací páčka jističe ulomí v zapnuté poloze. Nevím jestli tam mají i toto podchycené a ovládají i mechanickou spoušť podobně jako to dělají vyrážecí cívky.kodl69 píše:na ty 555 u stykačů hned zapomeň. Musí být: 1.) elektrické blokování, tj cívka stykače 2 přes "klidový" (NC) kontakt stykače1 a naopak, cívka stykače 1 přes kontakt stykače 2.
2.) mechanické blokování, které znemožní i ruční spojení obou stykačů zároveň.
A nebo si kup zrovnapřepínač sítí na aliexpresu, a nemusíš nic vymejšlet. Dál jsem to nějak moc nezkoumal
Je jistější když je to na jedné hřídeli jako u vačkového přepínače:
https://www.aliexpress.com/item/Free-Sh ... 011ce0849a
Výhoda je i ta, že to má uchycení na DIN lištu a mělo by to vést do klasického modulového rozvaděče.
Potom jsem našel v katalogu ISKRA ještě dvojité 8P modulární bistabilní stykače s kontakty 4PST-NO + 4PST-NC
https://www.tme.eu/cz/Document/cfd3ed82 ... ays-EN.pdf
BI820-44, BI825-44, BI832-44, BI820-4C, BI825-4C, BI832-4C,
se kterými by možná také šel udělat rychlý přepínač sítí bez 0 polohy.
Chci elektrárnu s licencí a s prodejem přebytků nebo komunitní výměnou energie: ANO
- kodl69
- Příspěvky: 8365
- Registrován: sob črc 19, 2014 8:56 pm
- Reputace:1073
- Lokalita: severně od Brna
- Systémové napětí: 48V
- Výkon panelů [Wp]: 8kWp
- Kapacita baterie [kWh]: 12kWh
- Chci prodávat energii: NE
- Chci/Mám dotaci: NE
Re: Přepínač sítí wifi
stykače, ne zrovna tyto, mě vypekly, nečekaně mají jednu chvíli sepnutý všechny kontakty, NO i NC... Takže šel měnič od boileru, hlavní jistič i pojistky před barákem... A to byl ještě ten lepší scénář, když to přepnutí neklapne.
Jinak bistabilní stykače se hodí, škoda, že mají skladem jenom jeden typ na 24V DC...
Jinak bistabilní stykače se hodí, škoda, že mají skladem jenom jeden typ na 24V DC...
ostrov skoro 8kWp neustále ve stádiu zrodu: smartshunt(ex WBJR), MPPT150/45, MPPT 250/100(ex midnitesolar 150 clasic lite), 16S a různě P cca 340Ah Winston, MP II 5000,( ex Powerjack 8kW, ex samodomo cca 4kW). 48V DC rozvody a spotřebiče.
- tomas
- Příspěvky: 2579
- Registrován: pon bře 07, 2011 11:05 am
- Reputace:243
- Bydliště: Třinec
Re: Přepínač sítí wifi
Taky už jsem se s tím setkal že byly chvíli propojené všechny kontakty u nějakého Siemens stykače, nebo to tahalo oblouky. A při přepínání to vyhazovalo chrániče.
Tak jsem objednal nakonec tento 4P, 100A:
https://www.aliexpress.com/item/CXS2P-1 ... 41f6hdZsfh
Měl by se vlézt do klasického modulárního rozvaděče. Za tu cenu tu nejde kupit ani přepínač na ruční pohon. A toto je automat s přepnutím do 50ms. Tak uvidím co to bude až přijde.
Tak jsem objednal nakonec tento 4P, 100A:
https://www.aliexpress.com/item/CXS2P-1 ... 41f6hdZsfh
Měl by se vlézt do klasického modulárního rozvaděče. Za tu cenu tu nejde kupit ani přepínač na ruční pohon. A toto je automat s přepnutím do 50ms. Tak uvidím co to bude až přijde.
Chci elektrárnu s licencí a s prodejem přebytků nebo komunitní výměnou energie: ANO
- kodl69
- Příspěvky: 8365
- Registrován: sob črc 19, 2014 8:56 pm
- Reputace:1073
- Lokalita: severně od Brna
- Systémové napětí: 48V
- Výkon panelů [Wp]: 8kWp
- Kapacita baterie [kWh]: 12kWh
- Chci prodávat energii: NE
- Chci/Mám dotaci: NE
Re: Přepínač sítí wifi
Za srovnatelný prachy: https://www.elima.cz/obchod/sft440-skup ... 28917.html
a někde jsem ho před pár lety kupoval i výrazně levnější.
U toho číňana by mě zajímalo, co má přednost, tj když bude napětí i na ovládacím vstupu od sítě i od měniče, kam se to vlastně přepne. Mám dojem, že pro naše potřeby se to vlastně bude muset zapojit "naopak" tj měnič zálohovaný DS...
a někde jsem ho před pár lety kupoval i výrazně levnější.
U toho číňana by mě zajímalo, co má přednost, tj když bude napětí i na ovládacím vstupu od sítě i od měniče, kam se to vlastně přepne. Mám dojem, že pro naše potřeby se to vlastně bude muset zapojit "naopak" tj měnič zálohovaný DS...
ostrov skoro 8kWp neustále ve stádiu zrodu: smartshunt(ex WBJR), MPPT150/45, MPPT 250/100(ex midnitesolar 150 clasic lite), 16S a různě P cca 340Ah Winston, MP II 5000,( ex Powerjack 8kW, ex samodomo cca 4kW). 48V DC rozvody a spotřebiče.
- tomas
- Příspěvky: 2579
- Registrován: pon bře 07, 2011 11:05 am
- Reputace:243
- Bydliště: Třinec
Re: Přepínač sítí wifi
Jo o tom Hageru vím, mají i jiné:
https://diskuse.elektrika.cz/index.php/ ... #msg313800
Ale je bez motoru a s motorem by byl asi stejně pomalejší. Otázka je jestli by tam vůbec šel použít motorový pohon když to má 3 polohy a na tu prostřední ty motorové pohony nejsou asi stavěné. S motorovým pohonem by to asi jen přepínalo mezi I a II na 0 by se nezastavilo.
https://diskuse.elektrika.cz/index.php/ ... #msg313800
Ale je bez motoru a s motorem by byl asi stejně pomalejší. Otázka je jestli by tam vůbec šel použít motorový pohon když to má 3 polohy a na tu prostřední ty motorové pohony nejsou asi stavěné. S motorovým pohonem by to asi jen přepínalo mezi I a II na 0 by se nezastavilo.
Chci elektrárnu s licencí a s prodejem přebytků nebo komunitní výměnou energie: ANO
- kodl69
- Příspěvky: 8365
- Registrován: sob črc 19, 2014 8:56 pm
- Reputace:1073
- Lokalita: severně od Brna
- Systémové napětí: 48V
- Výkon panelů [Wp]: 8kWp
- Kapacita baterie [kWh]: 12kWh
- Chci prodávat energii: NE
- Chci/Mám dotaci: NE
Re: Přepínač sítí wifi
Hager mám, a jde ta páčka tak ztuha, že si nedokážu představit, jak by to šlo mechanizovat. Mám ho jako druhej přepínač na vývody pro klimatizace, kde si můžu vybrat, jestli to bude přepínaný podle měniče, tj stykačema pokud je zapnutel měnič, a nebo natvrdo na DS, což používám jaro/podzim, kdy už toho z panelů moc nejde a je potřeba trochu přitopit.
ostrov skoro 8kWp neustále ve stádiu zrodu: smartshunt(ex WBJR), MPPT150/45, MPPT 250/100(ex midnitesolar 150 clasic lite), 16S a různě P cca 340Ah Winston, MP II 5000,( ex Powerjack 8kW, ex samodomo cca 4kW). 48V DC rozvody a spotřebiče.
Kdo je online
Uživatelé procházející toto fórum: Claudebot [Bot]
